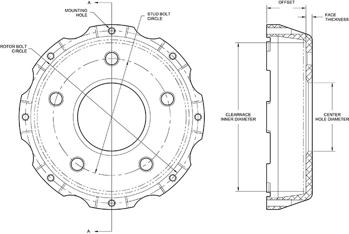
Rotor Hats

Rotor Hats

Search Wilwood Hats
Select from the following options to display a list of hats for Wilwood Brake Kits:
Rotor Bolt Circle:
Hat Offset:
Wheel Stud Circle:
Mount Style:

Search Results All
Truck Hat - Standard
Rotor Bolt Circle: 12 x 10.25
Hat Offset: 0.700
Wheel Stud Circle(s): 6 Holes  on 5.320      
Type: Truck Hat - Standard
Mount Type: Fixed Mount
Material: Aluminum
Truck Hat - Standard

Truck Hat - Standard Drawing Truck Hat - Standard Drawing Zoom Image

Truck Hat - Standard Description

Wilwood's Truck hats are precision machined from premium aluminum alloys for high strength and attention to minimized weight. Hats in this category feature threaded rotor mount holes for use with standard through-hole mount rotors. Truck Hats feature strengthening ribs on a flared bell configuration for big rotor brake kits on truck, SUV, and 4WD axles with either 6 or 8 lug configurations.
NOTE & CAUTIONS:

Ordering Information for Truck Hat - Standard
Item No 170-15057
Info Details
Center Reg Dia 3.55
Whl Stud Cir Dia/Stud Dia 5.320 / 0.000 
I.D. Clear(in) 7.40
Shoe I.D.
Face Thick 0.35
Price $404.77
Purchase
Call (805) 388-1188
Parking Brake Hat - Truck
Rotor Bolt Circle: 12 x 10.25
Hat Offset: 2.920
Wheel Stud Circle(s): 8 Holes  on 7.090      
Type: Parking Brake Hat - Truck
Mount Type: Fixed Mount
Material: Iron
Parking Brake Hat - Truck

Parking Brake Hat - Truck Drawing Parking Brake Hat - Truck Drawing Zoom Image

Parking Brake Hat - Truck Description

These premium grade cast iron hats make it possible to use bolt-on rotors on vehicles equipped with OEM internal shoe parking brake assemblies. Each hat is a precision machined, threaded hole design for use in conjunction with through-hole mount rotors. After machining, the hats are electro-coated for corrosion resistance. Used for big rotor brake kits on truck, SUV, and 4WD axles with either 6 or 8 lug configurations.
NOTE & CAUTIONS:

Ordering Information for Parking Brake Hat - Truck
Item No 170-13872
Info Details
Center Reg Dia 5.01
Whl Stud Cir Dia/Stud Dia 7.090 / 0.640 
I.D. Clear(in) 8.70
Shoe I.D. 8.94
Face Thick 0.39
Price $323.89
Purchase
Call (805) 388-1188
Parking Brake Hat - Truck
Rotor Bolt Circle: 12 x 10.25
Hat Offset: 3.410
Wheel Stud Circle(s): 8 Holes  on 6.690      
Type: Parking Brake Hat - Truck
Mount Type: Fixed Mount
Material: Iron
Parking Brake Hat - Truck

Parking Brake Hat - Truck Drawing Parking Brake Hat - Truck Drawing Zoom Image

Parking Brake Hat - Truck Description

These premium grade cast iron hats make it possible to use bolt-on rotors on vehicles equipped with OEM internal shoe parking brake assemblies. Each hat is a precision machined, threaded hole design for use in conjunction with through-hole mount rotors. After machining, the hats are electro-coated for corrosion resistance. Used for big rotor brake kits on truck, SUV, and 4WD axles with either 6 or 8 lug configurations.
NOTE & CAUTIONS:

Ordering Information for Parking Brake Hat - Truck
Item No 170-15066
Info Details
Center Reg Dia 5.00
Whl Stud Cir Dia/Stud Dia 6.690 / 0.000 
I.D. Clear(in) 8.00
Shoe I.D. 8.12
Face Thick 0.32
Price $246.79
Purchase
Call (805) 388-1188
Truck Hat - Standard
Rotor Bolt Circle: 12 x 10.75
Hat Offset: 0.670
Wheel Stud Circle(s): 6 Holes  on 5.500      
Type: Truck Hat - Standard
Mount Type: Fixed Mount
Material: Aluminum
Truck Hat - Standard

Truck Hat - Standard Drawing Truck Hat - Standard Drawing Zoom Image

Truck Hat - Standard Description

Wilwood's Truck hats are precision machined from premium aluminum alloys for high strength and attention to minimized weight. Hats in this category feature threaded rotor mount holes for use with standard through-hole mount rotors. Truck Hats feature strengthening ribs on a flared bell configuration for big rotor brake kits on truck, SUV, and 4WD axles with either 6 or 8 lug configurations.
NOTE & CAUTIONS:

Ordering Information for Truck Hat - Standard
Item No 170-15728
Info Details
Center Reg Dia 3.09
Whl Stud Cir Dia/Stud Dia 5.500 / 0.630 
I.D. Clear(in) 7.25
Shoe I.D.
Face Thick 0.38
Price $404.77
Purchase
Call (805) 388-1188
Truck Hat - Standard
Rotor Bolt Circle: 12 x 10.75
Hat Offset: 0.810
Wheel Stud Circle(s): 6 Holes  on 5.500      
Type: Truck Hat - Standard
Mount Type: Fixed Mount
Material: Aluminum
Truck Hat - Standard

Truck Hat - Standard Drawing Truck Hat - Standard Drawing Zoom Image

Truck Hat - Standard Description

Wilwood's Truck hats are precision machined from premium aluminum alloys for high strength and attention to minimized weight. Hats in this category feature threaded rotor mount holes for use with standard through-hole mount rotors. Truck Hats feature strengthening ribs on a flared bell configuration for big rotor brake kits on truck, SUV, and 4WD axles with either 6 or 8 lug configurations.
NOTE & CAUTIONS:

Ordering Information for Truck Hat - Standard
Item No 170-8960
Info Details
Center Reg Dia 3.09
Whl Stud Cir Dia/Stud Dia 5.500 / 0.630 
I.D. Clear(in) 7.21
Shoe I.D.
Face Thick 0.45
Price $404.77
Purchase
Call (805) 388-1188
Truck Hat - Standard
Rotor Bolt Circle: 12 x 10.75
Hat Offset: 0.810
Wheel Stud Circle(s): 5 Holes  on 4.720      
Type: Truck Hat - Standard
Mount Type: Fixed Mount
Material: Aluminum
Truck Hat - Standard

Truck Hat - Standard Drawing Truck Hat - Standard Drawing Zoom Image

Truck Hat - Standard Description

Wilwood's Truck hats are precision machined from premium aluminum alloys for high strength and attention to minimized weight. Hats in this category feature threaded rotor mount holes for use with standard through-hole mount rotors. Truck Hats feature strengthening ribs on a flared bell configuration for big rotor brake kits on truck, SUV, and 4WD axles with 5 x 4.72 lug configurations.
NOTE & CAUTIONS:

Ordering Information for Truck Hat - Standard
Item No 170-11729
Info Details
Center Reg Dia 3.12
Whl Stud Cir Dia/Stud Dia 4.720 / 0.590 
I.D. Clear(in) 7.20
Shoe I.D.
Face Thick 0.45
Price $404.77
Purchase
Call (805) 388-1188
Truck Hat - Standard
Rotor Bolt Circle: 12 x 10.75
Hat Offset: 1.110
Wheel Stud Circle(s): 6 Holes  on 5.320      
Type: Truck Hat - Standard
Mount Type: Fixed Mount
Material: Aluminum
Truck Hat - Standard

Truck Hat - Standard Drawing Truck Hat - Standard Drawing Zoom Image

Truck Hat - Standard Description

Wilwood's Truck hats are precision machined from premium aluminum alloys for high strength and attention to minimized weight. Hats in this category feature threaded rotor mount holes for use with standard through-hole mount rotors. Truck Hats feature strengthening ribs on a flared bell configuration for big rotor brake kits on truck, SUV, and 4WD axles with either 6 or 8 lug configurations.
NOTE & CAUTIONS:

Ordering Information for Truck Hat - Standard
Item No 170-9066
Info Details
Center Reg Dia 3.42
Whl Stud Cir Dia/Stud Dia 5.320 / 0.590 
I.D. Clear(in) 7.05
Shoe I.D.
Face Thick 0.25
Price $404.77
Purchase
Call (805) 388-1188
Truck Hat - Standard
Rotor Bolt Circle: 12 x 10.75
Hat Offset: 1.180
Wheel Stud Circle(s): 5 Holes  on 4.750  ;  5.000  ;  5.500
Type: Truck Hat - Standard
Mount Type: Fixed Mount
Material: Aluminum
Truck Hat - Standard

Truck Hat - Standard Drawing Truck Hat - Standard Drawing Zoom Image

Truck Hat - Standard Description

Wilwood's Truck hats are precision machined from premium aluminum alloys for high strength and attention to minimized weight. Hats in this category feature threaded rotor mount holes for use with standard through-hole mount rotors. Truck Hats feature strengthening ribs on a flared bell configuration for big rotor brake kits on truck, SUV, and 4WD axles with either 6 or 8 lug configurations.
NOTE & CAUTIONS:

Ordering Information for Truck Hat - Standard
Item No 170-15803
Info Details
Center Reg Dia 3.09
Whl Stud Cir Dia/Stud Dia 4.750 / 0.520 
I.D. Clear(in) 7.35
Shoe I.D.
Face Thick 0.35
Price $342.96
Purchase
Call (805) 388-1188
Parking Brake Hat - Truck
Rotor Bolt Circle: 12 x 10.75
Hat Offset: 1.500
Wheel Stud Circle(s): 5 Holes  on 4.720      
Type: Parking Brake Hat - Truck
Mount Type: Fixed Mount
Material: Iron
Parking Brake Hat - Truck

Parking Brake Hat - Truck Drawing Parking Brake Hat - Truck Drawing Zoom Image

Parking Brake Hat - Truck Description

These premium grade cast iron hats make it possible to use bolt-on rotors on vehicles equipped with OEM internal shoe parking brake assemblies. Each hat is a precision machined, threaded hole design for use in conjunction with through-hole mount rotors. After machining, the hats are electro-coated for corrosion resistance. Used for big rotor brake kits on truck, SUV, and 4WD axles with either 6 or 8 lug configurations.
NOTE & CAUTIONS:

Ordering Information for Parking Brake Hat - Truck
Item No 170-11730
Info Details
Center Reg Dia 3.12
Whl Stud Cir Dia/Stud Dia 4.720 / 0.590 
I.D. Clear(in) 8.03
Shoe I.D. 8.28
Face Thick 0.45
Price $404.77
Purchase
Call (805) 388-1188
Truck Hat - Standard
Rotor Bolt Circle: 12 x 10.75
Hat Offset: 1.550
Wheel Stud Circle(s): 8 Holes  on 6.500      
Type: Truck Hat - Standard
Mount Type: Fixed Mount
Material: Aluminum
Truck Hat - Standard

Truck Hat - Standard Drawing Truck Hat - Standard Drawing Zoom Image

Truck Hat - Standard Description

Wilwood's Truck hats are precision machined from premium aluminum alloys for high strength and attention to minimized weight. Hats in this category feature threaded rotor mount holes for use with standard through-hole mount rotors. Truck Hats feature strengthening ribs on a flared bell configuration for big rotor brake kits on truck, SUV, and 4WD axles with either 6 or 8 lug configurations.
NOTE & CAUTIONS:

Ordering Information for Truck Hat - Standard
Item No 170-8878
Info Details
Center Reg Dia 4.64
Whl Stud Cir Dia/Stud Dia 6.500 / 0.630 
I.D. Clear(in) 7.85
Shoe I.D.
Face Thick 0.45
Price $404.77
Purchase
Call (805) 388-1188
Truck Hat - Blank
Rotor Bolt Circle: 12 x 10.75
Hat Offset: 1.550
Wheel Stud Circle(s): 0 Holes  on       
Type: Truck Hat - Blank
Mount Type: Fixed Mount
Material: Aluminum
Truck Hat - Blank

Truck Hat - Blank Drawing Truck Hat - Blank Drawing Zoom Image

Truck Hat - Blank Description

Wilwood's Truck hats are precision machined from premium aluminum alloys for high strength and attention to minimized weight. Hats in this category feature threaded rotor mount holes for use with standard through-hole mount rotors. Truck Hats feature strengthening ribs on a flared bell configuration for big rotor brake kits on truck, SUV, and 4WD axles with mutiple lug configurations.
NOTE & CAUTIONS:

Ordering Information for Truck Hat - Blank
Item No 171-11859
Info Details
Center Reg Dia 2.40
Whl Stud Cir Dia/Stud Dia 0.000 / 0.000 
I.D. Clear(in) 7.85
Shoe I.D.
Face Thick 0.45
Price $404.77
Purchase
Call (805) 388-1188
Parking Brake Hat - Truck
Rotor Bolt Circle: 12 x 10.75
Hat Offset: 1.780
Wheel Stud Circle(s): 8 Holes  on 6.500      
Type: Parking Brake Hat - Truck
Mount Type: Fixed Mount
Material: Iron
Parking Brake Hat - Truck

Parking Brake Hat - Truck Drawing Parking Brake Hat - Truck Drawing Zoom Image

Parking Brake Hat - Truck Description

These premium grade cast iron hats make it possible to use bolt-on rotors on vehicles equipped with OEM internal shoe parking brake assemblies. Each hat is a precision machined, threaded hole design for use in conjunction with through-hole mount rotors. After machining, the hats are electro-coated for corrosion resistance. Used for big rotor brake kits on truck, SUV, and 4WD axles with either 6 or 8 lug configurations.
NOTE & CAUTIONS:

Ordering Information for Parking Brake Hat - Truck
Item No 170-14028
Info Details
Center Reg Dia 4.63
Whl Stud Cir Dia/Stud Dia 6.500 / 0.640 
I.D. Clear(in) 7.88
Shoe I.D. 8.12
Face Thick 0.32
Price $404.77
Purchase
Call (805) 388-1188
Parking Brake Hat - Truck
Rotor Bolt Circle: 12 x 10.75
Hat Offset: 1.910
Wheel Stud Circle(s): 8 Holes  on 6.500      
Type: Parking Brake Hat - Truck
Mount Type: Fixed Mount
Material: Iron
Parking Brake Hat - Truck

Parking Brake Hat - Truck Drawing Parking Brake Hat - Truck Drawing Zoom Image

Parking Brake Hat - Truck Description

These premium grade cast iron hats make it possible to use bolt-on rotors on vehicles equipped with OEM internal shoe parking brake assemblies. Each hat is a precision machined, threaded hole design for use in conjunction with through-hole mount rotors. After machining, the hats are electro-coated for corrosion resistance. Used for big rotor brake kits on truck, SUV, and 4WD axles with either 6 or 8 lug configurations.
NOTE & CAUTIONS:

Ordering Information for Parking Brake Hat - Truck
Item No 170-14029
Info Details
Center Reg Dia 4.83
Whl Stud Cir Dia/Stud Dia 6.500 / 0.640 
I.D. Clear(in) 7.88
Shoe I.D. 8.12
Face Thick 0.40
Price $404.77
Purchase
Call (805) 388-1188
Big Brake Hat - Short Offset
Rotor Bolt Circle: 12 x 7.00
Hat Offset: 0.490
Wheel Stud Circle(s): 5 Holes  on 4.500      
Type: Big Brake Hat - Short Offset
Mount Type: Fixed Mount
Material: Aluminum
Big Brake Hat - Short Offset

Big Brake Hat - Short Offset Drawing Big Brake Hat - Short Offset Drawing Zoom Image

Big Brake Hat - Short Offset Description

GT Series Big Brake Short Offset hats are precision machined from premium aluminum alloys for high strength and attention to minimized weight. Hats in this category feature threaded rotor mount holes for use with standard through-hole mount rotors. Threaded hole hats may also be used with T-Nuts or bobbins designed for use with specially machined slotted hole dynamic mount rotors. When used in conjunction with matched Wilwood rotor hardware kits, GT hats provide solid, reliable performance in the most demanding conditions. Short Offset Hats are for narrow space applications with offsets often less than 1.00". They are available for most rotor bolt patterns in a variety of four and five lug wheel patterns.
NOTE & CAUTIONS:

Ordering Information for Big Brake Hat - Short Offset
Item No 170-13067
Info Details
Center Reg Dia 2.80
Whl Stud Cir Dia/Stud Dia 4.500 / 0.590 
I.D. Clear(in) 6.16
Shoe I.D.
Face Thick 0.25
Price $266.74
Purchase
Call (805) 388-1188
Big Brake Hat - Flared Bell
Rotor Bolt Circle: 12 x 7.00
Hat Offset: 2.020
Wheel Stud Circle(s): 5 Holes  on 4.500  ;  4.750   
Type: Big Brake Hat - Flared Bell
Mount Type: Fixed Mount
Material: Aluminum
Big Brake Hat - Flared Bell

Big Brake Hat - Flared Bell Drawing Big Brake Hat - Flared Bell Drawing Zoom Image

Big Brake Hat - Flared Bell Description

GT Series Big Brake Flared Bell hats are precision machined from premium aluminum alloys for high strength and attention to minimized weight. Hats in this category feature threaded rotor mount holes for use with standard through-hole mount rotors. Threaded hole hats may also be used with T-Nuts or bobbins designed for use with specially machined slotted hole dynamic mount rotors. When used in conjunction with matched Wilwood rotor hardware kits, GT hats provide solid, reliable performance in the most demanding conditions.Flared Bell Hats are generally used with rotor mount bolt circles of 8.38" and larger. Offsets range from 1.88" to 3.00" for rotor diameters 12.19" and up.
NOTE & CAUTIONS:
Hat is drilled and countersunk in three places to accommodate hat to hub anchoring screws used with specific Wilwood hat mount hubs. Use 230-7032 (contains 6 qty. 1/4-20 x .50 Flat Head Hex Drive mounting screws)
Ordering Information for Big Brake Hat - Flared Bell
Item No 170-9321
Info Details
Center Reg Dia 2.67
Whl Stud Cir Dia/Stud Dia 4.500 / 0.520 
I.D. Clear(in) 5.86
Shoe I.D.
Face Thick 0.25
Price $216.70
Purchase
Call (805) 388-1188
Big Brake Hat - Short Offset
Rotor Bolt Circle: 12 x 8.25
Hat Offset: 0.230
Wheel Stud Circle(s): 5 Holes  on 4.750      
Type: Big Brake Hat - Short Offset
Mount Type: Fixed Mount
Material: Aluminum
Big Brake Hat - Short Offset

Big Brake Hat - Short Offset Drawing Big Brake Hat - Short Offset Drawing Zoom Image

Big Brake Hat - Short Offset Description

GT Series Big Brake Short Offset hats are precision machined from premium aluminum alloys for high strength and attention to minimized weight. Hats in this category feature threaded rotor mount holes for use with standard through-hole mount rotors. Threaded hole hats may also be used with T-Nuts or bobbins designed for use with specially machined slotted hole dynamic mount rotors. When used in conjunction with matched Wilwood rotor hardware kits, GT hats provide solid, reliable performance in the most demanding conditions. Short Offset Hats are for narrow space applications with offsets often less than 1.00". They are available for most rotor bolt patterns in a variety of four and five lug wheel patterns.
NOTE & CAUTIONS:
Wheel mounting pad must not be larger than 6.00" to fit into inset area of this hat.
Ordering Information for Big Brake Hat - Short Offset
Item No 170-12390
Info Details
Center Reg Dia 2.78
Whl Stud Cir Dia/Stud Dia 4.750 / 0.520 
I.D. Clear(in) 7.75
Shoe I.D.
Face Thick 0.30
Price $216.70
Purchase
Call (805) 388-1188
Big Brake Hat - Short Offset
Rotor Bolt Circle: 12 x 8.25
Hat Offset: 0.580
Wheel Stud Circle(s): 5 Holes  on 4.500      
Type: Big Brake Hat - Short Offset
Mount Type: Fixed Mount
Material: Aluminum
Big Brake Hat - Short Offset

Big Brake Hat - Short Offset Drawing Big Brake Hat - Short Offset Drawing Zoom Image

Big Brake Hat - Short Offset Description

GT Series Big Brake Short Offset hats are precision machined from premium aluminum alloys for high strength and attention to minimized weight. Hats in this category feature threaded rotor mount holes for use with standard through-hole mount rotors. Threaded hole hats may also be used with T-Nuts or bobbins designed for use with specially machined slotted hole dynamic mount rotors. When used in conjunction with matched Wilwood rotor hardware kits, GT hats provide solid, reliable performance in the most demanding conditions. Short Offset Hats are for narrow space applications with offsets often less than 1.00". They are available for most rotor bolt patterns in a variety of four and five lug wheel patterns.
NOTE & CAUTIONS:

Ordering Information for Big Brake Hat - Short Offset
Item No 170-13066
Info Details
Center Reg Dia 2.80
Whl Stud Cir Dia/Stud Dia 4.500 / 0.590 
I.D. Clear(in) 7.37
Shoe I.D.
Face Thick 0.25
Price $380.19
Purchase
Call (805) 388-1188
Big Brake Hat - Flared Bell
Rotor Bolt Circle: 12 x 8.60
Hat Offset: 0.810
Wheel Stud Circle(s): 5 Holes  on 4.500      
Type: Big Brake Hat - Flared Bell
Mount Type: Fixed Mount
Material: Aluminum
Big Brake Hat - Flared Bell

Big Brake Hat - Flared Bell Drawing Big Brake Hat - Flared Bell Drawing

Big Brake Hat - Flared Bell Description

GT Series Big Brake Flared Bell hats are precision machined from premium aluminum alloys for high strength and attention to minimized weight. Hats in this category feature threaded rotor mount holes for use with standard through-hole mount rotors. Threaded hole hats may also be used with T-Nuts or bobbins designed for use with specially machined slotted hole dynamic mount rotors. When used in conjunction with matched Wilwood rotor hardware kits, GT hats provide solid, reliable performance in the most demanding conditions.Flared Bell Hats are generally used with rotor mount bolt circles of 8.38" and larger. Offsets range from 1.88" to 3.00" for rotor diameters 12.19" and up.
NOTE & CAUTIONS:

Ordering Information for Big Brake Hat - Flared Bell
Item No 170-17711
Info Details
Center Reg Dia 2.80
Whl Stud Cir Dia/Stud Dia 4.500 / 0.620 
I.D. Clear(in) 7.27
Shoe I.D.
Face Thick 0.32
Price $262.89
Purchase
Call (805) 388-1188
Big Brake Hat - Short Offset
Rotor Bolt Circle: 12 x 8.75
Hat Offset: -0.090
Wheel Stud Circle(s): 5 Holes  on 4.500      
Type: Big Brake Hat - Short Offset
Mount Type: Fixed Mount
Material: Aluminum
Big Brake Hat - Short Offset

Big Brake Hat - Short Offset Drawing Big Brake Hat - Short Offset Drawing Zoom Image

Big Brake Hat - Short Offset Description

GT Series Big Brake Short Offset hats are precision machined from premium aluminum alloys for high strength and attention to minimized weight. Hats in this category feature threaded rotor mount holes for use with standard through-hole mount rotors. Threaded hole hats may also be used with T-Nuts or bobbins designed for use with specially machined slotted hole dynamic mount rotors. When used in conjunction with matched Wilwood rotor hardware kits, GT hats provide solid, reliable performance in the most demanding conditions. Short Offset Hats are for narrow space applications with offsets often less than 1.00". They are available for most rotor bolt patterns in a variety of four and five lug wheel patterns.
NOTE & CAUTIONS:
3.06 " diameter register with counterbore for register ring.
Ordering Information for Big Brake Hat - Short Offset
Item No 170-12471
Info Details
Center Reg Dia 3.06
Whl Stud Cir Dia/Stud Dia 4.500 / 0.580 
I.D. Clear(in) 8.25
Shoe I.D.
Face Thick 0.31
Price $246.79
Purchase
Call (805) 388-1188
Big Brake Hat - Short Offset
Rotor Bolt Circle: 12 x 8.75
Hat Offset: 0.210
Wheel Stud Circle(s): 5 Holes  on 4.500      
Type: Big Brake Hat - Short Offset
Mount Type: Fixed Mount
Material: Aluminum
Big Brake Hat - Short Offset

Big Brake Hat - Short Offset Drawing Big Brake Hat - Short Offset Drawing Zoom Image

Big Brake Hat - Short Offset Description

GT Series Big Brake Short Offset hats are precision machined from premium aluminum alloys for high strength and attention to minimized weight. Hats in this category feature threaded rotor mount holes for use with standard through-hole mount rotors. Threaded hole hats may also be used with T-Nuts or bobbins designed for use with specially machined slotted hole dynamic mount rotors. When used in conjunction with matched Wilwood rotor hardware kits, GT hats provide solid, reliable performance in the most demanding conditions. Short Offset Hats are for narrow space applications with offsets often less than 1.00". They are available for most rotor bolt patterns in a variety of four and five lug wheel patterns.
NOTE & CAUTIONS:

Ordering Information for Big Brake Hat - Short Offset
Item No 170-9558
Info Details
Center Reg Dia 2.72
Whl Stud Cir Dia/Stud Dia 4.500 / 0.520 
I.D. Clear(in) 8.00
Shoe I.D.
Face Thick 0.25
Price $246.79
Purchase
Call (805) 388-1188
Big Brake Hat - Short Offset
Rotor Bolt Circle: 12 x 8.75
Hat Offset: 0.290
Wheel Stud Circle(s): 5 Holes  on 4.500  ;  4.750   
Type: Big Brake Hat - Short Offset
Mount Type: Fixed Mount
Material: Aluminum
Big Brake Hat - Short Offset

Big Brake Hat - Short Offset Drawing Big Brake Hat - Short Offset Drawing Zoom Image

Big Brake Hat - Short Offset Description

GT Series Big Brake Short Offset hats are precision machined from premium aluminum alloys for high strength and attention to minimized weight. Hats in this category feature threaded rotor mount holes for use with standard through-hole mount rotors. Threaded hole hats may also be used with T-Nuts or bobbins designed for use with specially machined slotted hole dynamic mount rotors. When used in conjunction with matched Wilwood rotor hardware kits, GT hats provide solid, reliable performance in the most demanding conditions. Short Offset Hats are for narrow space applications with offsets often less than 1.00". They are available for most rotor bolt patterns in a variety of four and five lug wheel patterns.
NOTE & CAUTIONS:

Ordering Information for Big Brake Hat - Short Offset
Item No 170-8919
Info Details
Center Reg Dia 2.78
Whl Stud Cir Dia/Stud Dia 4.500 / 0.520 
I.D. Clear(in) 7.72
Shoe I.D.
Face Thick 0.36
Price $216.70
Purchase
Call (805) 388-1188
Big Brake Dynamic Bobbin Mount Hat - Short Offset
Rotor Bolt Circle: 12 x 8.75
Hat Offset: 0.290
Wheel Stud Circle(s): 5 Holes  on 4.750      
Type: Big Brake Dynamic Bobbin Mount Hat - Short Offset
Mount Type: Dynamic Mount
Material: Aluminum
Big Brake Dynamic Bobbin Mount Hat - Short Offset

Big Brake Dynamic Bobbin Mount Hat - Short Offset Drawing Big Brake Dynamic Bobbin Mount Hat - Short Offset Drawing Zoom Image

Big Brake Dynamic Bobbin Mount Hat - Short Offset Description

Wilwood's new Dynamic Bobbin Mount Hats incorporate a new rotor mounting system that allows the rotors to move independently of the hats as they expand and contract through heat cycles. All thermally generated stress is removed from the rotor attachment points. The rotors stay flatter and run truer. Brake response and pedal feel remain consistent. Pad knock back and rotor drag are eliminated. The hats are no longer distorted by stresses generated by thermal expansion and shrinkage of the rotors. All problems associated with thermal distortion are eliminated.
NOTE & CAUTIONS:
Wheel mounting pad must not be larger than 6.00" to fit into inset area of this hat.
Ordering Information for Big Brake Dynamic Bobbin Mount Hat - Short Offset
Item No 170-13170
Info Details
Center Reg Dia 2.78
Whl Stud Cir Dia/Stud Dia 4.750 / 0.520 
I.D. Clear(in) 6.90
Shoe I.D.
Face Thick 0.30
Price $342.96
Purchase
Call (805) 388-1188
Big Brake Dynamic Hat - Short Offset
Rotor Bolt Circle: 12 x 8.75
Hat Offset: 0.390
Wheel Stud Circle(s): 5 Holes  on 4.500      
Type: Big Brake Dynamic Hat - Short Offset
Mount Type: Dynamic Mount
Material: Aluminum
Big Brake Dynamic Hat - Short Offset

Big Brake Dynamic Hat - Short Offset Drawing Big Brake Dynamic Hat - Short Offset Drawing Zoom Image

Big Brake Dynamic Hat - Short Offset Description

Big Brake Dynamic Short Offset hats are precision machined from premium aluminum alloys for high strength and attention to minimized weight. Hats in this category feature dynamic mount t-nut mount holes for use with standard through-hole mount rotors. When used in conjunction with matched Wilwood rotor hardware kits, Big Brake Dynamic hats provide solid, reliable performance in the most demanding conditions. Short Offset Hats are for narrow space applications with offsets often less than 1.00". They are available for most rotor bolt patterns in a variety of four and five lug wheel patterns.
NOTE & CAUTIONS:

Ordering Information for Big Brake Dynamic Hat - Short Offset
Item No 170-14968
Info Details
Center Reg Dia 2.77
Whl Stud Cir Dia/Stud Dia 4.500 / 0.520 
I.D. Clear(in) 7.03
Shoe I.D.
Face Thick 0.35
Price $246.79
Purchase
Call (805) 388-1188
Big Brake Hat - Short Offset
Rotor Bolt Circle: 12 x 8.75
Hat Offset: 0.410
Wheel Stud Circle(s): 5 Holes  on 4.500      
Type: Big Brake Hat - Short Offset
Mount Type: Fixed Mount
Material: Aluminum
Big Brake Hat - Short Offset

Big Brake Hat - Short Offset Drawing Big Brake Hat - Short Offset Drawing Zoom Image

Big Brake Hat - Short Offset Description

GT Series Big Brake Short Offset hats are precision machined from premium aluminum alloys for high strength and attention to minimized weight. Hats in this category feature threaded rotor mount holes for use with standard through-hole mount rotors. Threaded hole hats may also be used with T-Nuts or bobbins designed for use with specially machined slotted hole dynamic mount rotors. When used in conjunction with matched Wilwood rotor hardware kits, GT hats provide solid, reliable performance in the most demanding conditions. Short Offset Hats are for narrow space applications with offsets often less than 1.00". They are available for most rotor bolt patterns in a variety of four and five lug wheel patterns.
NOTE & CAUTIONS:
3.06 " diameter register with counterbore for register ring.
Ordering Information for Big Brake Hat - Short Offset
Item No 170-14683
Info Details
Center Reg Dia 3.06
Whl Stud Cir Dia/Stud Dia 4.500 / 0.580 
I.D. Clear(in) 8.01
Shoe I.D.
Face Thick 0.27
Price $246.79
Purchase
Call (805) 388-1188
Big Brake Hat - Short Offset
Rotor Bolt Circle: 12 x 8.75
Hat Offset: 0.410
Wheel Stud Circle(s): 5 Holes  on 4.500      
Type: Big Brake Hat - Short Offset
Mount Type: Fixed Mount
Material: Aluminum
Big Brake Hat - Short Offset

Big Brake Hat - Short Offset Drawing Big Brake Hat - Short Offset Drawing Zoom Image

Big Brake Hat - Short Offset Description

GT Series Big Brake Short Offset hats are precision machined from premium aluminum alloys for high strength and attention to minimized weight. Hats in this category feature threaded rotor mount holes for use with standard through-hole mount rotors. Threaded hole hats may also be used with T-Nuts or bobbins designed for use with specially machined slotted hole dynamic mount rotors. When used in conjunction with matched Wilwood rotor hardware kits, GT hats provide solid, reliable performance in the most demanding conditions. Short Offset Hats are for narrow space applications with offsets often less than 1.00". They are available for most rotor bolt patterns in a variety of four and five lug wheel patterns.
NOTE & CAUTIONS:

Ordering Information for Big Brake Hat - Short Offset
Item No 170-6223
Info Details
Center Reg Dia 2.80
Whl Stud Cir Dia/Stud Dia 4.500 / 0.580 
I.D. Clear(in) 7.75
Shoe I.D.
Face Thick 0.27
Price $216.70
Purchase
Call (805) 388-1188
Big Brake Hat - Short Offset
Rotor Bolt Circle: 12 x 8.75
Hat Offset: 0.450
Wheel Stud Circle(s): 5 Holes  on 4.720      
Type: Big Brake Hat - Short Offset
Mount Type: Fixed Mount
Material: Aluminum
Big Brake Hat - Short Offset

Big Brake Hat - Short Offset Drawing Big Brake Hat - Short Offset Drawing Zoom Image

Big Brake Hat - Short Offset Description

GT Series Big Brake Short Offset hats are precision machined from premium aluminum alloys for high strength and attention to minimized weight. Hats in this category feature threaded rotor mount holes for use with standard through-hole mount rotors. Threaded hole hats may also be used with T-Nuts or bobbins designed for use with specially machined slotted hole dynamic mount rotors. When used in conjunction with matched Wilwood rotor hardware kits, GT hats provide solid, reliable performance in the most demanding conditions. Short Offset Hats are for narrow space applications with offsets often less than 1.00". They are available for most rotor bolt patterns in a variety of four and five lug wheel patterns.
NOTE & CAUTIONS:

Ordering Information for Big Brake Hat - Short Offset
Item No 170-13777
Info Details
Center Reg Dia 2.50
Whl Stud Cir Dia/Stud Dia 4.720 / 0.000 
I.D. Clear(in) 7.75
Shoe I.D.
Face Thick 0.30
Price $246.79
Purchase
Call (805) 388-1188
Big Brake Hat - Short Offset
Rotor Bolt Circle: 12 x 8.75
Hat Offset: 0.470
Wheel Stud Circle(s): 5 Holes  on 4.500  ;  4.750   
Type: Big Brake Hat - Short Offset
Mount Type: Fixed Mount
Material: Aluminum
Big Brake Hat - Short Offset

Big Brake Hat - Short Offset Drawing Big Brake Hat - Short Offset Drawing Zoom Image

Big Brake Hat - Short Offset Description

GT Series Big Brake Short Offset hats are precision machined from premium aluminum alloys for high strength and attention to minimized weight. Hats in this category feature threaded rotor mount holes for use with standard through-hole mount rotors. Threaded hole hats may also be used with T-Nuts or bobbins designed for use with specially machined slotted hole dynamic mount rotors. When used in conjunction with matched Wilwood rotor hardware kits, GT hats provide solid, reliable performance in the most demanding conditions. Short Offset Hats are for narrow space applications with offsets often less than 1.00". They are available for most rotor bolt patterns in a variety of four and five lug wheel patterns.
NOTE & CAUTIONS:
3.06 " diameter register with counterbore for register ring.
Ordering Information for Big Brake Hat - Short Offset
Item No 170-13555
Info Details
Center Reg Dia 3.06
Whl Stud Cir Dia/Stud Dia 4.500 / 0.580 
I.D. Clear(in) 7.75
Shoe I.D.
Face Thick 0.27
Price $216.70
Purchase
Call (805) 388-1188
Big Brake Hat - Flared Bell
Rotor Bolt Circle: 12 x 8.75
Hat Offset: 0.470
Wheel Stud Circle(s): 6 Holes  on 5.390      
Type: Big Brake Hat - Flared Bell
Mount Type: Fixed Mount
Material: Aluminum
Big Brake Hat - Flared Bell

Big Brake Hat - Flared Bell Drawing Big Brake Hat - Flared Bell Drawing Zoom Image

Big Brake Hat - Flared Bell Description

GT Series Big Brake Flared Bell hats are precision machined from premium aluminum alloys for high strength and attention to minimized weight. Hats in this category feature threaded rotor mount holes for use with standard through-hole mount rotors. Threaded hole hats may also be used with T-Nuts or bobbins designed for use with specially machined slotted hole dynamic mount rotors. When used in conjunction with matched Wilwood rotor hardware kits, GT hats provide solid, reliable performance in the most demanding conditions.Flared Bell Hats are generally used with rotor mount bolt circles of 8.38" and larger. Offsets range from 1.88" to 3.00" for rotor diameters 12.19" and up.
NOTE & CAUTIONS:

Ordering Information for Big Brake Hat - Flared Bell
Item No 170-15534
Info Details
Center Reg Dia 4.30
Whl Stud Cir Dia/Stud Dia 5.390 / 0.490 
I.D. Clear(in) 8.01
Shoe I.D.
Face Thick 0.28
Price $381.09
Purchase
Call (805) 388-1188
Big Brake Dynamic Hat - Short Offset
Rotor Bolt Circle: 12 x 8.75
Hat Offset: 0.518
Wheel Stud Circle(s): 5 Holes  on 4.750      
Type: Big Brake Dynamic Hat - Short Offset
Mount Type: Dynamic Mount
Material: Aluminum
Big Brake Dynamic Hat - Short Offset

Big Brake Dynamic Hat - Short Offset Drawing Big Brake Dynamic Hat - Short Offset Drawing Zoom Image

Big Brake Dynamic Hat - Short Offset Description

Big Brake Dynamic Short Offset hats are precision machined from premium aluminum alloys for high strength and attention to minimized weight. Hats in this category feature dynamic mount t-nut mount holes for use with standard through-hole mount rotors. When used in conjunction with matched Wilwood rotor hardware kits, Big Brake Dynamic hats provide solid, reliable performance in the most demanding conditions. Short Offset Hats are for narrow space applications with offsets often less than 1.00". They are available for most rotor bolt patterns in a variety of four and five lug wheel patterns.
NOTE & CAUTIONS:

Ordering Information for Big Brake Dynamic Hat - Short Offset
Item No 170-15744
Info Details
Center Reg Dia 2.78
Whl Stud Cir Dia/Stud Dia 4.750 / 0.520 
I.D. Clear(in) 7.11
Shoe I.D.
Face Thick 0.33
Price $304.84
Purchase
Call (805) 388-1188
Big Brake Hat - Flared Bell
Rotor Bolt Circle: 12 x 8.75
Hat Offset: 0.530
Wheel Stud Circle(s): 5 Holes  on 5.320      
Type: Big Brake Hat - Flared Bell
Mount Type: Fixed Mount
Material: Aluminum
Big Brake Hat - Flared Bell

Big Brake Hat - Flared Bell Drawing Big Brake Hat - Flared Bell Drawing Zoom Image

Big Brake Hat - Flared Bell Description

GT Series Big Brake Flared Bell hats are precision machined from premium aluminum alloys for high strength and attention to minimized weight. Hats in this category feature threaded rotor mount holes for use with standard through-hole mount rotors. Threaded hole hats may also be used with T-Nuts or bobbins designed for use with specially machined slotted hole dynamic mount rotors. When used in conjunction with matched Wilwood rotor hardware kits, GT hats provide solid, reliable performance in the most demanding conditions.Flared Bell Hats are generally used with rotor mount bolt circles of 8.38" and larger. Offsets range from 1.88" to 3.00" for rotor diameters 12.19" and up.
NOTE & CAUTIONS:
3.06 " diameter register with counterbore for register ring.
Ordering Information for Big Brake Hat - Flared Bell
Item No 170-12829
Info Details
Center Reg Dia 3.06
Whl Stud Cir Dia/Stud Dia 5.320 / 0.520 
I.D. Clear(in) 7.60
Shoe I.D.
Face Thick 0.25
Price $246.79
Purchase
Call (805) 388-1188
Big Brake Hat - Short Offset
Rotor Bolt Circle: 12 x 8.75
Hat Offset: 0.530
Wheel Stud Circle(s): 5 Holes  on 4.720      
Type: Big Brake Hat - Short Offset
Mount Type: Fixed Mount
Material: Aluminum
Big Brake Hat - Short Offset

Big Brake Hat - Short Offset Drawing Big Brake Hat - Short Offset Drawing Zoom Image

Big Brake Hat - Short Offset Description

GT Series Big Brake Short Offset hats are precision machined from premium aluminum alloys for high strength and attention to minimized weight. Hats in this category feature threaded rotor mount holes for use with standard through-hole mount rotors. Threaded hole hats may also be used with T-Nuts or bobbins designed for use with specially machined slotted hole dynamic mount rotors. When used in conjunction with matched Wilwood rotor hardware kits, GT hats provide solid, reliable performance in the most demanding conditions. Short Offset Hats are for narrow space applications with offsets often less than 1.00". They are available for most rotor bolt patterns in a variety of four and five lug wheel patterns.
NOTE & CAUTIONS:

Ordering Information for Big Brake Hat - Short Offset
Item No 170-11305
Info Details
Center Reg Dia 2.66
Whl Stud Cir Dia/Stud Dia 4.720 / 0.640 
I.D. Clear(in) 7.24
Shoe I.D.
Face Thick 0.30
Price $246.79
Purchase
Call (805) 388-1188
Big Brake Hat - Short Offset
Rotor Bolt Circle: 12 x 8.75
Hat Offset: 0.540
Wheel Stud Circle(s): 5 Holes  on 4.500      
Type: Big Brake Hat - Short Offset
Mount Type: Fixed Mount
Material: Aluminum
Big Brake Hat - Short Offset

Big Brake Hat - Short Offset Drawing Big Brake Hat - Short Offset Drawing Zoom Image

Big Brake Hat - Short Offset Description

GT Series Big Brake Short Offset hats are precision machined from premium aluminum alloys for high strength and attention to minimized weight. Hats in this category feature threaded rotor mount holes for use with standard through-hole mount rotors. Threaded hole hats may also be used with T-Nuts or bobbins designed for use with specially machined slotted hole dynamic mount rotors. When used in conjunction with matched Wilwood rotor hardware kits, GT hats provide solid, reliable performance in the most demanding conditions. Short Offset Hats are for narrow space applications with offsets often less than 1.00". They are available for most rotor bolt patterns in a variety of four and five lug wheel patterns.
NOTE & CAUTIONS:

Ordering Information for Big Brake Hat - Short Offset
Item No 170-10761
Info Details
Center Reg Dia 2.44
Whl Stud Cir Dia/Stud Dia 4.500 / 0.520 
I.D. Clear(in) 7.45
Shoe I.D.
Face Thick 0.25
Price $246.79
Purchase
Call (805) 388-1188
Big Brake Hat - Short Offset
Rotor Bolt Circle: 12 x 8.75
Hat Offset: 0.540
Wheel Stud Circle(s): 5 Holes  on 4.500      
Type: Big Brake Hat - Short Offset
Mount Type: Fixed Mount
Material: Aluminum
Big Brake Hat - Short Offset

Big Brake Hat - Short Offset Drawing Big Brake Hat - Short Offset Drawing Zoom Image

Big Brake Hat - Short Offset Description

GT Series Big Brake Short Offset hats are precision machined from premium aluminum alloys for high strength and attention to minimized weight. Hats in this category feature threaded rotor mount holes for use with standard through-hole mount rotors. Threaded hole hats may also be used with T-Nuts or bobbins designed for use with specially machined slotted hole dynamic mount rotors. When used in conjunction with matched Wilwood rotor hardware kits, GT hats provide solid, reliable performance in the most demanding conditions. Short Offset Hats are for narrow space applications with offsets often less than 1.00". They are available for most rotor bolt patterns in a variety of four and five lug wheel patterns.
NOTE & CAUTIONS:

Ordering Information for Big Brake Hat - Short Offset
Item No 170-10294
Info Details
Center Reg Dia 2.77
Whl Stud Cir Dia/Stud Dia 4.500 / 0.520 
I.D. Clear(in) 7.24
Shoe I.D.
Face Thick 0.25
Price $246.79
Purchase
Call (805) 388-1188
Big Brake Hat - Short Offset
Rotor Bolt Circle: 12 x 8.75
Hat Offset: 0.540
Wheel Stud Circle(s): 5 Holes  on 4.500      
Type: Big Brake Hat - Short Offset
Mount Type: Fixed Mount
Material: Aluminum
Big Brake Hat - Short Offset

Big Brake Hat - Short Offset Drawing Big Brake Hat - Short Offset Drawing Zoom Image

Big Brake Hat - Short Offset Description

GT Series Big Brake Short Offset hats are precision machined from premium aluminum alloys for high strength and attention to minimized weight. Hats in this category feature threaded rotor mount holes for use with standard through-hole mount rotors. Threaded hole hats may also be used with T-Nuts or bobbins designed for use with specially machined slotted hole dynamic mount rotors. When used in conjunction with matched Wilwood rotor hardware kits, GT hats provide solid, reliable performance in the most demanding conditions. Short Offset Hats are for narrow space applications with offsets often less than 1.00". They are available for most rotor bolt patterns in a variety of four and five lug wheel patterns.
NOTE & CAUTIONS:

Ordering Information for Big Brake Hat - Short Offset
Item No 170-10295
Info Details
Center Reg Dia 2.53
Whl Stud Cir Dia/Stud Dia 4.500 / 0.520 
I.D. Clear(in) 7.24
Shoe I.D.
Face Thick 0.25
Price $216.70
Purchase
Call (805) 388-1188
Big Brake Hat - Flared Bell
Rotor Bolt Circle: 12 x 8.75
Hat Offset: 0.540
Wheel Stud Circle(s): 5 Holes  on 4.500  ;  4.750   
Type: Big Brake Hat - Flared Bell
Mount Type: Fixed Mount
Material: Aluminum
Big Brake Hat - Flared Bell

Big Brake Hat - Flared Bell Drawing Big Brake Hat - Flared Bell Drawing Zoom Image

Big Brake Hat - Flared Bell Description

GT Series Big Brake Flared Bell hats are precision machined from premium aluminum alloys for high strength and attention to minimized weight. Hats in this category feature threaded rotor mount holes for use with standard through-hole mount rotors. Threaded hole hats may also be used with T-Nuts or bobbins designed for use with specially machined slotted hole dynamic mount rotors. When used in conjunction with matched Wilwood rotor hardware kits, GT hats provide solid, reliable performance in the most demanding conditions.Flared Bell Hats are generally used with rotor mount bolt circles of 8.38" and larger. Offsets range from 1.88" to 3.00" for rotor diameters 12.19" and up.
NOTE & CAUTIONS:
3.06 " diameter register with counterbore for register ring.
Ordering Information for Big Brake Hat - Flared Bell
Item No 170-11804
Info Details
Center Reg Dia 3.06
Whl Stud Cir Dia/Stud Dia 4.500 / 0.580 
I.D. Clear(in) 7.09
Shoe I.D.
Face Thick 0.25
Price $246.79
Purchase
Call (805) 388-1188
Big Brake Dynamic Hat - Short Offset
Rotor Bolt Circle: 12 x 8.75
Hat Offset: 0.540
Wheel Stud Circle(s): 5 Holes  on 4.500      
Type: Big Brake Dynamic Hat - Short Offset
Mount Type: Dynamic Mount
Material: Aluminum
Big Brake Dynamic Hat - Short Offset

Big Brake Dynamic Hat - Short Offset Drawing Big Brake Dynamic Hat - Short Offset Drawing Zoom Image

Big Brake Dynamic Hat - Short Offset Description

GT Series Dynamic Mount Rotor Drag Hats are engineered to withstand the rigors and demands of extreme motorsports competition. Each hat is precision machined from premium grade aluminum offering high strength with low unsprung and rotating weight. Wilwood T-nuts float within the hat and provide true dynamic mounting of a standard through-hole mount rotors in 8 x 7.00" rotor mount patterns. . The wide load bearing load surface of the T-nut and the straight through-hole mount rotors provide the most durable and accurate method of isolating potential pad engagement harmonics and the in-service thermal variations that occur between the hat and the rotor.
NOTE & CAUTIONS:

Ordering Information for Big Brake Dynamic Hat - Short Offset
Item No 170-14745
Info Details
Center Reg Dia 2.69
Whl Stud Cir Dia/Stud Dia 4.500 / 0.520 
I.D. Clear(in) 8.01
Shoe I.D.
Face Thick 0.39
Price $342.96
Purchase
Call (805) 388-1188
Big Brake Dynamic Hat - Short Offset
Rotor Bolt Circle: 12 x 8.75
Hat Offset: 0.540
Wheel Stud Circle(s): 5 Holes  on 4.500      
Type: Big Brake Dynamic Hat - Short Offset
Mount Type: Dynamic Mount
Material: Aluminum
Big Brake Dynamic Hat - Short Offset

Big Brake Dynamic Hat - Short Offset Drawing Big Brake Dynamic Hat - Short Offset Drawing Zoom Image

Big Brake Dynamic Hat - Short Offset Description

GT Series Dynamic Mount Rotor Drag Hats are engineered to withstand the rigors and demands of extreme motorsports competition. Each hat is precision machined from premium grade aluminum offering high strength with low unsprung and rotating weight. Wilwood T-nuts float within the hat and provide true dynamic mounting of a standard through-hole mount rotors in 8 x 7.00" rotor mount patterns. . The wide load bearing load surface of the T-nut and the straight through-hole mount rotors provide the most durable and accurate method of isolating potential pad engagement harmonics and the in-service thermal variations that occur between the hat and the rotor.
NOTE & CAUTIONS:

Ordering Information for Big Brake Dynamic Hat - Short Offset
Item No 170-14869
Info Details
Center Reg Dia 2.53
Whl Stud Cir Dia/Stud Dia 4.500 / 0.580 
I.D. Clear(in) 8.01
Shoe I.D.
Face Thick 0.25
Price $266.74
Purchase
Call (805) 388-1188
Big Brake Hat - Short Offset
Rotor Bolt Circle: 12 x 8.75
Hat Offset: 0.540
Wheel Stud Circle(s): 5 Holes  on 4.500      
Type: Big Brake Hat - Short Offset
Mount Type: Fixed Mount
Material: Aluminum
Big Brake Hat - Short Offset

Big Brake Hat - Short Offset Drawing Big Brake Hat - Short Offset Drawing

Big Brake Hat - Short Offset Description

GT Series Big Brake Short Offset hats are precision machined from premium aluminum alloys for high strength and attention to minimized weight. Hats in this category feature threaded rotor mount holes for use with standard through-hole mount rotors. Threaded hole hats may also be used with T-Nuts or bobbins designed for use with specially machined slotted hole dynamic mount rotors. When used in conjunction with matched Wilwood rotor hardware kits, GT hats provide solid, reliable performance in the most demanding conditions. Short Offset Hats are for narrow space applications with offsets often less than 1.00". They are available for most rotor bolt patterns in a variety of four and five lug wheel patterns.
NOTE & CAUTIONS:

Ordering Information for Big Brake Hat - Short Offset
Item No 170-17714
Info Details
Center Reg Dia 2.80
Whl Stud Cir Dia/Stud Dia 4.500 / 0.620 
I.D. Clear(in) 7.97
Shoe I.D.
Face Thick 0.32
Price $216.70
Purchase
Call (805) 388-1188
Big Brake Hat - Short Offset
Rotor Bolt Circle: 12 x 8.75
Hat Offset: 0.540
Wheel Stud Circle(s): 5 Holes  on 4.500      
Type: Big Brake Hat - Short Offset
Mount Type: Fixed Mount
Material: Aluminum
Big Brake Hat - Short Offset

Big Brake Hat - Short Offset Drawing Big Brake Hat - Short Offset Drawing Zoom Image

Big Brake Hat - Short Offset Description

GT Series Big Brake Short Offset hats are precision machined from premium aluminum alloys for high strength and attention to minimized weight. Hats in this category feature threaded rotor mount holes for use with standard through-hole mount rotors. Threaded hole hats may also be used with T-Nuts or bobbins designed for use with specially machined slotted hole dynamic mount rotors. When used in conjunction with matched Wilwood rotor hardware kits, GT hats provide solid, reliable performance in the most demanding conditions. Short Offset Hats are for narrow space applications with offsets often less than 1.00". They are available for most rotor bolt patterns in a variety of four and five lug wheel patterns.
NOTE & CAUTIONS:

Ordering Information for Big Brake Hat - Short Offset
Item No 170-9289
Info Details
Center Reg Dia 2.69
Whl Stud Cir Dia/Stud Dia 4.500 / 0.520 
I.D. Clear(in) 7.75
Shoe I.D.
Face Thick 0.38
Price $216.70
Purchase
Call (805) 388-1188
Big Brake Hat - Short Offset
Rotor Bolt Circle: 12 x 8.75
Hat Offset: 0.550
Wheel Stud Circle(s): 4 Holes  on 3.930      
Type: Big Brake Hat - Short Offset
Mount Type: Fixed Mount
Material: Aluminum
Big Brake Hat - Short Offset

Big Brake Hat - Short Offset Drawing Big Brake Hat - Short Offset Drawing Zoom Image

Big Brake Hat - Short Offset Description

GT Series Big Brake Short Offset hats are precision machined from premium aluminum alloys for high strength and attention to minimized weight. Hats in this category feature threaded rotor mount holes for use with standard through-hole mount rotors. Threaded hole hats may also be used with T-Nuts or bobbins designed for use with specially machined slotted hole dynamic mount rotors. When used in conjunction with matched Wilwood rotor hardware kits, GT hats provide solid, reliable performance in the most demanding conditions. Short Offset Hats are for narrow space applications with offsets often less than 1.00". They are available for most rotor bolt patterns in a variety of four and five lug wheel patterns.
NOTE & CAUTIONS:
3.06 " diameter register with counterbore for register ring.
Ordering Information for Big Brake Hat - Short Offset
Item No 170-8357
Info Details
Center Reg Dia 3.06
Whl Stud Cir Dia/Stud Dia 3.930 / 0.520 
I.D. Clear(in) 7.49
Shoe I.D.
Face Thick 0.30
Price $216.70
Purchase
Call (805) 388-1188
Big Brake Hat - Short Offset
Rotor Bolt Circle: 12 x 8.75
Hat Offset: 0.550
Wheel Stud Circle(s): 5 Holes  on 4.410      
Type: Big Brake Hat - Short Offset
Mount Type: Fixed Mount
Material: Aluminum
Big Brake Hat - Short Offset

Big Brake Hat - Short Offset Drawing Big Brake Hat - Short Offset Drawing Zoom Image

Big Brake Hat - Short Offset Description

GT Series Big Brake Short Offset hats are precision machined from premium aluminum alloys for high strength and attention to minimized weight. Hats in this category feature threaded rotor mount holes for use with standard through-hole mount rotors. Threaded hole hats may also be used with T-Nuts or bobbins designed for use with specially machined slotted hole dynamic mount rotors. When used in conjunction with matched Wilwood rotor hardware kits, GT hats provide solid, reliable performance in the most demanding conditions. Short Offset Hats are for narrow space applications with offsets often less than 1.00". They are available for most rotor bolt patterns in a variety of four and five lug wheel patterns.
NOTE & CAUTIONS:

Ordering Information for Big Brake Hat - Short Offset
Item No 170-14484
Info Details
Center Reg Dia 2.68
Whl Stud Cir Dia/Stud Dia 4.410 / 0.590 
I.D. Clear(in) 7.75
Shoe I.D.
Face Thick 0.28
Price $246.79
Purchase
Call (805) 388-1188
Big Brake Dynamic Hat - Straight Bell
Rotor Bolt Circle: 12 x 8.75
Hat Offset: 0.550
Wheel Stud Circle(s): 5 Holes  on 4.720      
Type: Big Brake Dynamic Hat - Straight Bell
Mount Type: Dynamic Mount
Material: Aluminum
Big Brake Dynamic Hat - Straight Bell

Big Brake Dynamic Hat - Straight Bell Drawing Big Brake Dynamic Hat - Straight Bell Drawing Zoom Image

Big Brake Dynamic Hat - Straight Bell Description

GT Series Dynamic Mount Rotor Hats are engineered to withstand the rigors and demands of extreme motorsports competition. Each hat is precision machined from premium grade aluminum offering high strength with low unsprung and rotating weight. Wilwood T-nuts float within the hat and provide true dynamic mounting of a standard through-hole mount rotor. The wide load bearing load surface of the T-nut and the straight through-hole mount rotors provide the most durable and accurate method of isolating potential pad engagement harmonics and the in-service thermal variations that occur between the hat and the rotor.
NOTE & CAUTIONS:

Ordering Information for Big Brake Dynamic Hat - Straight Bell
Item No 170-15230
Info Details
Center Reg Dia 2.66
Whl Stud Cir Dia/Stud Dia 4.720 / 0.640 
I.D. Clear(in) 6.90
Shoe I.D.
Face Thick 0.30
Price $266.74
Purchase
Call (805) 388-1188
Big Brake Hat - Short Offset
Rotor Bolt Circle: 12 x 8.75
Hat Offset: 0.560
Wheel Stud Circle(s): 5 Holes  on 4.750      
Type: Big Brake Hat - Short Offset
Mount Type: Fixed Mount
Material: Aluminum
Big Brake Hat - Short Offset

Big Brake Hat - Short Offset Drawing Big Brake Hat - Short Offset Drawing Zoom Image

Big Brake Hat - Short Offset Description

GT Series Big Brake Short Offset hats are precision machined from premium aluminum alloys for high strength and attention to minimized weight. Hats in this category feature threaded rotor mount holes for use with standard through-hole mount rotors. Threaded hole hats may also be used with T-Nuts or bobbins designed for use with specially machined slotted hole dynamic mount rotors. When used in conjunction with matched Wilwood rotor hardware kits, GT hats provide solid, reliable performance in the most demanding conditions. Short Offset Hats are for narrow space applications with offsets often less than 1.00". They are available for most rotor bolt patterns in a variety of four and five lug wheel patterns.
NOTE & CAUTIONS:

Ordering Information for Big Brake Hat - Short Offset
Item No 170-8815
Info Details
Center Reg Dia 3.12
Whl Stud Cir Dia/Stud Dia 4.750 / 0.520 
I.D. Clear(in) 7.75
Shoe I.D.
Face Thick 0.29
Price $246.79
Purchase
Call (805) 388-1188
Big Brake Hat - Short Offset
Rotor Bolt Circle: 12 x 8.75
Hat Offset: 0.595
Wheel Stud Circle(s): 5 Holes  on 4.500  ;  4.500   
Type: Big Brake Hat - Short Offset
Mount Type: Fixed Mount
Material: Aluminum
Big Brake Hat - Short Offset

Big Brake Hat - Short Offset Drawing Big Brake Hat - Short Offset Drawing

Big Brake Hat - Short Offset Description

GT Series Big Brake Short Offset hats are precision machined from premium aluminum alloys for high strength and attention to minimized weight. Hats in this category feature threaded rotor mount holes for use with standard through-hole mount rotors. Threaded hole hats may also be used with T-Nuts or bobbins designed for use with specially machined slotted hole dynamic mount rotors. When used in conjunction with matched Wilwood rotor hardware kits, GT hats provide solid, reliable performance in the most demanding conditions. Short Offset Hats are for narrow space applications with offsets often less than 1.00". They are available for most rotor bolt patterns in a variety of four and five lug wheel patterns.
NOTE & CAUTIONS:
3.06 " diameter register with counterbore for register ring.
Ordering Information for Big Brake Hat - Short Offset
Item No 170-18077
Info Details
Center Reg Dia 3.06
Whl Stud Cir Dia/Stud Dia 4.500 / 0.500 
I.D. Clear(in) 7.75
Shoe I.D.
Face Thick 0.38
Price $246.79
Purchase
Call (805) 388-1188
Big Brake Hat - Short Offset
Rotor Bolt Circle: 12 x 8.75
Hat Offset: 0.600
Wheel Stud Circle(s): 5 Holes  on 4.410      
Type: Big Brake Hat - Short Offset
Mount Type: Fixed Mount
Material: Aluminum
Big Brake Hat - Short Offset

Big Brake Hat - Short Offset Drawing Big Brake Hat - Short Offset Drawing Zoom Image

Big Brake Hat - Short Offset Description

GT Series Big Brake Short Offset hats are precision machined from premium aluminum alloys for high strength and attention to minimized weight. Hats in this category feature threaded rotor mount holes for use with standard through-hole mount rotors. Threaded hole hats may also be used with T-Nuts or bobbins designed for use with specially machined slotted hole dynamic mount rotors. When used in conjunction with matched Wilwood rotor hardware kits, GT hats provide solid, reliable performance in the most demanding conditions. Short Offset Hats are for narrow space applications with offsets often less than 1.00". They are available for most rotor bolt patterns in a variety of four and five lug wheel patterns.
NOTE & CAUTIONS:

Ordering Information for Big Brake Hat - Short Offset
Item No 170-15215
Info Details
Center Reg Dia 2.64
Whl Stud Cir Dia/Stud Dia 4.410 / 0.000 
I.D. Clear(in) 7.25
Shoe I.D.
Face Thick 0.30
Price $246.79
Purchase
Call (805) 388-1188
Big Brake Hat - Flared Bell
Rotor Bolt Circle: 12 x 8.75
Hat Offset: 0.635
Wheel Stud Circle(s): 5 Holes  on 4.250  ;  4.500   
Type: Big Brake Hat - Flared Bell
Mount Type: Fixed Mount
Material: Aluminum
Big Brake Hat - Flared Bell

Big Brake Hat - Flared Bell Drawing Big Brake Hat - Flared Bell Drawing

Big Brake Hat - Flared Bell Description

GT Series Big Brake Flared Bell hats are precision machined from premium aluminum alloys for high strength and attention to minimized weight. Hats in this category feature threaded rotor mount holes for use with standard through-hole mount rotors. Threaded hole hats may also be used with T-Nuts or bobbins designed for use with specially machined slotted hole dynamic mount rotors. When used in conjunction with matched Wilwood rotor hardware kits, GT hats provide solid, reliable performance in the most demanding conditions.Flared Bell Hats are generally used with rotor mount bolt circles of 8.38" and larger. Offsets range from 1.88" to 3.00" for rotor diameters 12.19" and up.
NOTE & CAUTIONS:
3.06 " diameter register with counterbore for register ring.
Ordering Information for Big Brake Hat - Flared Bell
Item No 170-13024
Info Details
Center Reg Dia 3.06
Whl Stud Cir Dia/Stud Dia 4.250 / 0.580 
I.D. Clear(in) 7.12
Shoe I.D.
Face Thick 0.31
Price $216.70
Purchase
Call (805) 388-1188
Big Brake Hat - Short Offset
Rotor Bolt Circle: 12 x 8.75
Hat Offset: 0.640
Wheel Stud Circle(s): 5 Holes  on 4.410      
Type: Big Brake Hat - Short Offset
Mount Type: Fixed Mount
Material: Aluminum
Big Brake Hat - Short Offset

Big Brake Hat - Short Offset Drawing Big Brake Hat - Short Offset Drawing Zoom Image

Big Brake Hat - Short Offset Description

GT Series Big Brake Short Offset hats are precision machined from premium aluminum alloys for high strength and attention to minimized weight. Hats in this category feature threaded rotor mount holes for use with standard through-hole mount rotors. Threaded hole hats may also be used with T-Nuts or bobbins designed for use with specially machined slotted hole dynamic mount rotors. When used in conjunction with matched Wilwood rotor hardware kits, GT hats provide solid, reliable performance in the most demanding conditions. Short Offset Hats are for narrow space applications with offsets often less than 1.00". They are available for most rotor bolt patterns in a variety of four and five lug wheel patterns.
NOTE & CAUTIONS:

Ordering Information for Big Brake Hat - Short Offset
Item No 170-14585
Info Details
Center Reg Dia 2.68
Whl Stud Cir Dia/Stud Dia 4.410 / 0.590 
I.D. Clear(in) 8.01
Shoe I.D.
Face Thick 0.28
Price $246.79
Purchase
Call (805) 388-1188
Big Brake Hat - Short Offset
Rotor Bolt Circle: 12 x 8.75
Hat Offset: 0.640
Wheel Stud Circle(s): 5 Holes  on 4.500  ;  4.750   
Type: Big Brake Hat - Short Offset
Mount Type: Fixed Mount
Material: Aluminum
Big Brake Hat - Short Offset

Big Brake Hat - Short Offset Drawing Big Brake Hat - Short Offset Drawing Zoom Image

Big Brake Hat - Short Offset Description

GT Series Big Brake Short Offset hats are precision machined from premium aluminum alloys for high strength and attention to minimized weight. Hats in this category feature threaded rotor mount holes for use with standard through-hole mount rotors. Threaded hole hats may also be used with T-Nuts or bobbins designed for use with specially machined slotted hole dynamic mount rotors. When used in conjunction with matched Wilwood rotor hardware kits, GT hats provide solid, reliable performance in the most demanding conditions. Short Offset Hats are for narrow space applications with offsets often less than 1.00". They are available for most rotor bolt patterns in a variety of four and five lug wheel patterns.
NOTE & CAUTIONS:
3.06" diameter register with counterbore for register ring.
Ordering Information for Big Brake Hat - Short Offset
Item No 170-9128
Info Details
Center Reg Dia 3.06
Whl Stud Cir Dia/Stud Dia 4.500 / 0.580 
I.D. Clear(in) 6.30
Shoe I.D.
Face Thick 0.31
Price $246.79
Purchase
Call (805) 388-1188
Big Brake Dynamic Bobbin Mount Hat - Short Offset
Rotor Bolt Circle: 12 x 8.75
Hat Offset: 0.658
Wheel Stud Circle(s): 5 Holes  on 4.500  ;  4.750   
Type: Big Brake Dynamic Bobbin Mount Hat - Short Offset
Mount Type: Dynamic Mount
Material: Aluminum
Big Brake Dynamic Bobbin Mount Hat - Short Offset

Big Brake Dynamic Bobbin Mount Hat - Short Offset Drawing Big Brake Dynamic Bobbin Mount Hat - Short Offset Drawing Zoom Image

Big Brake Dynamic Bobbin Mount Hat - Short Offset Description

Wilwood's new Dynamic Bobbin Mount Hats incorporate a new rotor mounting system that allows the rotors to move independently of the hats as they expand and contract through heat cycles. All thermally generated stress is removed from the rotor attachment points. The rotors stay flatter and run truer. Brake response and pedal feel remain consistent. Pad knock back and rotor drag are eliminated. The hats are no longer distorted by stresses generated by thermal expansion and shrinkage of the rotors. All problems associated with thermal distortion are eliminated.
NOTE & CAUTIONS:

Ordering Information for Big Brake Dynamic Bobbin Mount Hat - Short Offset
Item No 170-12624
Info Details
Center Reg Dia 2.80
Whl Stud Cir Dia/Stud Dia 4.500 / 0.520 
I.D. Clear(in) 7.31
Shoe I.D.
Face Thick 0.30
Price $381.07
Purchase
Call (805) 388-1188
Parking Brake Hat - Standard
Rotor Bolt Circle: 12 x 8.75
Hat Offset: 0.670
Wheel Stud Circle(s): 5 Holes  on 4.750      
Type: Parking Brake Hat - Standard
Mount Type: Fixed Mount
Material: Aluminum
Parking Brake Hat - Standard

Parking Brake Hat - Standard Drawing Parking Brake Hat - Standard Drawing Zoom Image

Parking Brake Hat - Standard Description

These premium grade aluminum hats are used with Wilwood's internal shoe parking brake kits. Each hat is a precision machined, threaded hole design for use in conjunction with through-hole mount rotors. After machining, the hats are electro-coated for corrosion resistance.
NOTE & CAUTIONS:

Ordering Information for Parking Brake Hat - Standard
Item No 170-17811
Info Details
Center Reg Dia 2.78
Whl Stud Cir Dia/Stud Dia 4.750 / 0.520 
I.D. Clear(in) 7.29
Shoe I.D. 7.48
Face Thick 0.25
Price $323.89
Purchase
Call (805) 388-1188
Big Brake Hat - Flared Bell
Rotor Bolt Circle: 12 x 8.75
Hat Offset: 0.700
Wheel Stud Circle(s): 5 Holes  on 4.530      
Type: Big Brake Hat - Flared Bell
Mount Type: Fixed Mount
Material: Aluminum
Big Brake Hat - Flared Bell

Big Brake Hat - Flared Bell Drawing Big Brake Hat - Flared Bell Drawing Zoom Image

Big Brake Hat - Flared Bell Description

GT Series Big Brake Flared Bell hats are precision machined from premium aluminum alloys for high strength and attention to minimized weight. Hats in this category feature threaded rotor mount holes for use with standard through-hole mount rotors. Threaded hole hats may also be used with T-Nuts or bobbins designed for use with specially machined slotted hole dynamic mount rotors. When used in conjunction with matched Wilwood rotor hardware kits, GT hats provide solid, reliable performance in the most demanding conditions.Flared Bell Hats are generally used with rotor mount bolt circles of 8.38" and larger. Offsets range from 1.88" to 3.00" for rotor diameters 12.19" and up.
NOTE & CAUTIONS:
3.06 " diameter register with counterbore for register ring.
Ordering Information for Big Brake Hat - Flared Bell
Item No 170-12908
Info Details
Center Reg Dia 3.06
Whl Stud Cir Dia/Stud Dia 4.530 / 0.500 
I.D. Clear(in) 7.26
Shoe I.D.
Face Thick 0.28
Price $216.70
Purchase
Call (805) 388-1188
Big Brake Hat - Flared Bell
Rotor Bolt Circle: 12 x 8.75
Hat Offset: 0.700
Wheel Stud Circle(s): 5 Holes  on 4.500      
Type: Big Brake Hat - Flared Bell
Mount Type: Fixed Mount
Material: Aluminum
Big Brake Hat - Flared Bell

Big Brake Hat - Flared Bell Drawing Big Brake Hat - Flared Bell Drawing Zoom Image

Big Brake Hat - Flared Bell Description

GT Series Big Brake Flared Bell hats are precision machined from premium aluminum alloys for high strength and attention to minimized weight. Hats in this category feature threaded rotor mount holes for use with standard through-hole mount rotors. Threaded hole hats may also be used with T-Nuts or bobbins designed for use with specially machined slotted hole dynamic mount rotors. When used in conjunction with matched Wilwood rotor hardware kits, GT hats provide solid, reliable performance in the most demanding conditions.Flared Bell Hats are generally used with rotor mount bolt circles of 8.38" and larger. Offsets range from 1.88" to 3.00" for rotor diameters 12.19" and up.
NOTE & CAUTIONS:
3.06 " diameter register with counterbore for register ring.
Ordering Information for Big Brake Hat - Flared Bell
Item No 170-12050
Info Details
Center Reg Dia 3.06
Whl Stud Cir Dia/Stud Dia 4.500 / 0.630 
I.D. Clear(in) 7.09
Shoe I.D.
Face Thick 0.28
Price $216.70
Purchase
Call (805) 388-1188
Big Brake Hat - Short Offset
Rotor Bolt Circle: 12 x 8.75
Hat Offset: 0.700
Wheel Stud Circle(s): 5 Holes  on 4.410      
Type: Big Brake Hat - Short Offset
Mount Type: Fixed Mount
Material: Aluminum
Big Brake Hat - Short Offset

Big Brake Hat - Short Offset Drawing Big Brake Hat - Short Offset Drawing Zoom Image

Big Brake Hat - Short Offset Description

GT Series Big Brake Short Offset hats are precision machined from premium aluminum alloys for high strength and attention to minimized weight. Hats in this category feature threaded rotor mount holes for use with standard through-hole mount rotors. Threaded hole hats may also be used with T-Nuts or bobbins designed for use with specially machined slotted hole dynamic mount rotors. When used in conjunction with matched Wilwood rotor hardware kits, GT hats provide solid, reliable performance in the most demanding conditions. Short Offset Hats are for narrow space applications with offsets often less than 1.00". They are available for most rotor bolt patterns in a variety of four and five lug wheel patterns.
NOTE & CAUTIONS:
3.06 " diameter register with counterbore for register ring.
Ordering Information for Big Brake Hat - Short Offset
Item No 170-12791
Info Details
Center Reg Dia 3.06
Whl Stud Cir Dia/Stud Dia 4.410 / 0.590 
I.D. Clear(in) 7.09
Shoe I.D.
Face Thick 0.25
Price $246.79
Purchase
Call (805) 388-1188
Big Brake Hat - Short Offset
Rotor Bolt Circle: 12 x 8.75
Hat Offset: 0.710
Wheel Stud Circle(s): 5 Holes  on 4.750      
Type: Big Brake Hat - Short Offset
Mount Type: Fixed Mount
Material: Aluminum
Big Brake Hat - Short Offset

Big Brake Hat - Short Offset Drawing Big Brake Hat - Short Offset Drawing Zoom Image

Big Brake Hat - Short Offset Description

GT Series Big Brake Short Offset hats are precision machined from premium aluminum alloys for high strength and attention to minimized weight. Hats in this category feature threaded rotor mount holes for use with standard through-hole mount rotors. Threaded hole hats may also be used with T-Nuts or bobbins designed for use with specially machined slotted hole dynamic mount rotors. When used in conjunction with matched Wilwood rotor hardware kits, GT hats provide solid, reliable performance in the most demanding conditions. Short Offset Hats are for narrow space applications with offsets often less than 1.00". They are available for most rotor bolt patterns in a variety of four and five lug wheel patterns.
NOTE & CAUTIONS:

Ordering Information for Big Brake Hat - Short Offset
Item No 170-10533
Info Details
Center Reg Dia 2.78
Whl Stud Cir Dia/Stud Dia 4.750 / 0.520 
I.D. Clear(in) 7.49
Shoe I.D.
Face Thick 0.30
Price $216.70
Purchase
Call (805) 388-1188
Big Brake Hat - Short Offset
Rotor Bolt Circle: 12 x 8.75
Hat Offset: 0.710
Wheel Stud Circle(s): 5 Holes  on 4.720      
Type: Big Brake Hat - Short Offset
Mount Type: Fixed Mount
Material: Aluminum
Big Brake Hat - Short Offset

Big Brake Hat - Short Offset Drawing Big Brake Hat - Short Offset Drawing Zoom Image

Big Brake Hat - Short Offset Description

GT Series Big Brake Short Offset hats are precision machined from premium aluminum alloys for high strength and attention to minimized weight. Hats in this category feature threaded rotor mount holes for use with standard through-hole mount rotors. Threaded hole hats may also be used with T-Nuts or bobbins designed for use with specially machined slotted hole dynamic mount rotors. When used in conjunction with matched Wilwood rotor hardware kits, GT hats provide solid, reliable performance in the most demanding conditions. Short Offset Hats are for narrow space applications with offsets often less than 1.00". They are available for most rotor bolt patterns in a variety of four and five lug wheel patterns.
NOTE & CAUTIONS:

Ordering Information for Big Brake Hat - Short Offset
Item No 170-10970
Info Details
Center Reg Dia 3.12
Whl Stud Cir Dia/Stud Dia 4.720 / 0.480 
I.D. Clear(in) 7.49
Shoe I.D.
Face Thick 0.25
Price $216.70
Purchase
Call (805) 388-1188
Big Brake Hat - Short Offset
Rotor Bolt Circle: 12 x 8.75
Hat Offset: 0.710
Wheel Stud Circle(s): 5 Holes  on 3.930      
Type: Big Brake Hat - Short Offset
Mount Type: Fixed Mount
Material: Aluminum
Big Brake Hat - Short Offset

Big Brake Hat - Short Offset Drawing Big Brake Hat - Short Offset Drawing Zoom Image

Big Brake Hat - Short Offset Description

GT Series Big Brake Short Offset hats are precision machined from premium aluminum alloys for high strength and attention to minimized weight. Hats in this category feature threaded rotor mount holes for use with standard through-hole mount rotors. Threaded hole hats may also be used with T-Nuts or bobbins designed for use with specially machined slotted hole dynamic mount rotors. When used in conjunction with matched Wilwood rotor hardware kits, GT hats provide solid, reliable performance in the most demanding conditions. Short Offset Hats are for narrow space applications with offsets often less than 1.00". They are available for most rotor bolt patterns in a variety of four and five lug wheel patterns.
NOTE & CAUTIONS:

Ordering Information for Big Brake Hat - Short Offset
Item No 170-9011
Info Details
Center Reg Dia 2.17
Whl Stud Cir Dia/Stud Dia 3.930 / 0.520 
I.D. Clear(in) 7.49
Shoe I.D.
Face Thick 0.30
Price $246.79
Purchase
Call (805) 388-1188
Parking Brake Hat - Standard
Rotor Bolt Circle: 12 x 8.75
Hat Offset: 0.730
Wheel Stud Circle(s): 5 Holes  on 4.750  ;  4.720  ;  4.500
Type: Parking Brake Hat - Standard
Mount Type: Fixed Mount
Material: Iron
Parking Brake Hat - Standard

Parking Brake Hat - Standard Drawing Parking Brake Hat - Standard Drawing Zoom Image

Parking Brake Hat - Standard Description

These premium grade cast iron hats make it possible to use bolt-on rotors on vehicles equipped with internal shoe parking brake assemblies. Each hat is a precision machined, threaded hole design for use in conjunction with through-hole mount rotors. After machining, the hats are electro-coated for corrosion resistance.
NOTE & CAUTIONS:
3.06 " diameter register with counterbore for register ring.
Ordering Information for Parking Brake Hat - Standard
Item No 170-11306
Info Details
Center Reg Dia 3.06
Whl Stud Cir Dia/Stud Dia 4.750 / 0.520 
I.D. Clear(in) 6.26
Shoe I.D. 7.91
Face Thick 0.25
Price $246.79
Purchase
Call (805) 388-1188
Big Brake Hat - Short Offset
Rotor Bolt Circle: 12 x 8.75
Hat Offset: 0.750
Wheel Stud Circle(s): 5 Holes  on 4.720      
Type: Big Brake Hat - Short Offset
Mount Type: Fixed Mount
Material: Aluminum
Big Brake Hat - Short Offset

Big Brake Hat - Short Offset Drawing Big Brake Hat - Short Offset Drawing Zoom Image

Big Brake Hat - Short Offset Description

GT Series Big Brake Short Offset hats are precision machined from premium aluminum alloys for high strength and attention to minimized weight. Hats in this category feature threaded rotor mount holes for use with standard through-hole mount rotors. Threaded hole hats may also be used with T-Nuts or bobbins designed for use with specially machined slotted hole dynamic mount rotors. When used in conjunction with matched Wilwood rotor hardware kits, GT hats provide solid, reliable performance in the most demanding conditions. Short Offset Hats are for narrow space applications with offsets often less than 1.00". They are available for most rotor bolt patterns in a variety of four and five lug wheel patterns.
NOTE & CAUTIONS:

Ordering Information for Big Brake Hat - Short Offset
Item No 170-11975
Info Details
Center Reg Dia 3.12
Whl Stud Cir Dia/Stud Dia 4.720 / 0.500 
I.D. Clear(in) 8.01
Shoe I.D.
Face Thick 0.25
Price $246.79
Purchase
Call (805) 388-1188
Big Brake Hat - Short Offset
Rotor Bolt Circle: 12 x 8.75
Hat Offset: 0.750
Wheel Stud Circle(s): 5 Holes  on 4.500  ;  4.500   
Type: Big Brake Hat - Short Offset
Mount Type: Fixed Mount
Material: Aluminum
Big Brake Hat - Short Offset

Big Brake Hat - Short Offset Drawing Big Brake Hat - Short Offset Drawing Zoom Image

Big Brake Hat - Short Offset Description

GT Series Big Brake Short Offset hats are precision machined from premium aluminum alloys for high strength and attention to minimized weight. Hats in this category feature threaded rotor mount holes for use with standard through-hole mount rotors. Threaded hole hats may also be used with T-Nuts or bobbins designed for use with specially machined slotted hole dynamic mount rotors. When used in conjunction with matched Wilwood rotor hardware kits, GT hats provide solid, reliable performance in the most demanding conditions. Short Offset Hats are for narrow space applications with offsets often less than 1.00". They are available for most rotor bolt patterns in a variety of four and five lug wheel patterns.
NOTE & CAUTIONS:

Ordering Information for Big Brake Hat - Short Offset
Item No 170-9294
Info Details
Center Reg Dia 2.69
Whl Stud Cir Dia/Stud Dia 4.500 / 0.520 
I.D. Clear(in) 7.75
Shoe I.D.
Face Thick 0.38
Price $216.70
Purchase
Call (805) 388-1188
Big Brake Dynamic Hat - Straight Bell
Rotor Bolt Circle: 12 x 8.75
Hat Offset: 0.790
Wheel Stud Circle(s): 5 Holes  on 4.720      
Type: Big Brake Dynamic Hat - Straight Bell
Mount Type: Dynamic Mount
Material: Aluminum
Big Brake Dynamic Hat - Straight Bell

Big Brake Dynamic Hat - Straight Bell Drawing Big Brake Dynamic Hat - Straight Bell Drawing Zoom Image

Big Brake Dynamic Hat - Straight Bell Description

GT Series Dynamic Mount Rotor Hats are engineered to withstand the rigors and demands of extreme motorsports competition. Each hat is precision machined from premium grade aluminum offering high strength with low unsprung and rotating weight. Wilwood T-nuts float within the hat and provide true dynamic mounting of a standard through-hole mount rotor. The wide load bearing load surface of the T-nut and the straight through-hole mount rotors provide the most durable and accurate method of isolating potential pad engagement harmonics and the in-service thermal variations that occur between the hat and the rotor.
NOTE & CAUTIONS:

Ordering Information for Big Brake Dynamic Hat - Straight Bell
Item No 170-15229
Info Details
Center Reg Dia 2.66
Whl Stud Cir Dia/Stud Dia 4.720 / 0.640 
I.D. Clear(in) 6.90
Shoe I.D.
Face Thick 0.30
Price $266.74
Purchase
Call (805) 388-1188
Big Brake Hat - Short Offset
Rotor Bolt Circle: 12 x 8.75
Hat Offset: 0.810
Wheel Stud Circle(s): 5 Holes  on 4.750  ;  5.000   
Type: Big Brake Hat - Short Offset
Mount Type: Fixed Mount
Material: Aluminum
Big Brake Hat - Short Offset

Big Brake Hat - Short Offset Drawing Big Brake Hat - Short Offset Drawing

Big Brake Hat - Short Offset Description

GT Series Big Brake Short Offset hats are precision machined from premium aluminum alloys for high strength and attention to minimized weight. Hats in this category feature threaded rotor mount holes for use with standard through-hole mount rotors. Threaded hole hats may also be used with T-Nuts or bobbins designed for use with specially machined slotted hole dynamic mount rotors. When used in conjunction with matched Wilwood rotor hardware kits, GT hats provide solid, reliable performance in the most demanding conditions. Short Offset Hats are for narrow space applications with offsets often less than 1.00". They are available for most rotor bolt patterns in a variety of four and five lug wheel patterns.
NOTE & CAUTIONS:

Ordering Information for Big Brake Hat - Short Offset
Item No 170-16782
Info Details
Center Reg Dia 3.09
Whl Stud Cir Dia/Stud Dia 4.750 / 0.520 
I.D. Clear(in) 7.32
Shoe I.D.
Face Thick 0.25
Price $159.09
Purchase
Call (805) 388-1188
Big Brake Hat - Short Offset
Rotor Bolt Circle: 12 x 8.75
Hat Offset: 0.810
Wheel Stud Circle(s): 5 Holes  on 4.500      
Type: Big Brake Hat - Short Offset
Mount Type: Fixed Mount
Material: Aluminum
Big Brake Hat - Short Offset

Big Brake Hat - Short Offset Drawing Big Brake Hat - Short Offset Drawing Zoom Image

Big Brake Hat - Short Offset Description

GT Series Big Brake Short Offset hats are precision machined from premium aluminum alloys for high strength and attention to minimized weight. Hats in this category feature threaded rotor mount holes for use with standard through-hole mount rotors. Threaded hole hats may also be used with T-Nuts or bobbins designed for use with specially machined slotted hole dynamic mount rotors. When used in conjunction with matched Wilwood rotor hardware kits, GT hats provide solid, reliable performance in the most demanding conditions. Short Offset Hats are for narrow space applications with offsets often less than 1.00". They are available for most rotor bolt patterns in a variety of four and five lug wheel patterns.
NOTE & CAUTIONS:
3.06 " diameter register with counterbore for register ring.
Ordering Information for Big Brake Hat - Short Offset
Item No 170-6126
Info Details
Center Reg Dia 3.06
Whl Stud Cir Dia/Stud Dia 4.500 / 0.520 
I.D. Clear(in) 7.25
Shoe I.D.
Face Thick 0.25
Price $246.79
Purchase
Call (805) 388-1188
Parking Brake Hat - Standard
Rotor Bolt Circle: 12 x 8.75
Hat Offset: 0.810
Wheel Stud Circle(s): 5 Holes  on 4.500      
Type: Parking Brake Hat - Standard
Mount Type: Fixed Mount
Material: Iron
Parking Brake Hat - Standard

Parking Brake Hat - Standard Drawing Parking Brake Hat - Standard Drawing Zoom Image

Parking Brake Hat - Standard Description

These premium grade cast iron hats are used with Wilwood's internal shoe parking brake kits. Each hat is a precision machined, threaded hole design for use in conjunction with through-hole mount rotors. After machining, the hats are electro-coated for corrosion resistance.
NOTE & CAUTIONS:

Ordering Information for Parking Brake Hat - Standard
Item No 170-9599
Info Details
Center Reg Dia 3.54
Whl Stud Cir Dia/Stud Dia 4.500 / 0.510 
I.D. Clear(in) 6.11
Shoe I.D. 6.61
Face Thick 0.20
Price $246.79
Purchase
Call (805) 388-1188
Big Brake Hat - Flared Bell
Rotor Bolt Circle: 12 x 8.75
Hat Offset: 0.850
Wheel Stud Circle(s): 5 Holes  on 5.000      
Type: Big Brake Hat - Flared Bell
Mount Type: Fixed Mount
Material: Aluminum
Big Brake Hat - Flared Bell

Big Brake Hat - Flared Bell Drawing Big Brake Hat - Flared Bell Drawing Zoom Image

Big Brake Hat - Flared Bell Description

GT Series Big Brake Flared Bell hats are precision machined from premium aluminum alloys for high strength and attention to minimized weight. Hats in this category feature threaded rotor mount holes for use with standard through-hole mount rotors. Threaded hole hats may also be used with T-Nuts or bobbins designed for use with specially machined slotted hole dynamic mount rotors. When used in conjunction with matched Wilwood rotor hardware kits, GT hats provide solid, reliable performance in the most demanding conditions.Flared Bell Hats are generally used with rotor mount bolt circles of 8.38" and larger. Offsets range from 1.88" to 3.00" for rotor diameters 12.19" and up.
NOTE & CAUTIONS:
3.06" diameter register with counterbore for register ring.
Ordering Information for Big Brake Hat - Flared Bell
Item No 170-12399
Info Details
Center Reg Dia 3.06
Whl Stud Cir Dia/Stud Dia 5.000 / 0.520 
I.D. Clear(in) 6.61
Shoe I.D.
Face Thick 0.32
Price $216.70
Purchase
Call (805) 388-1188
Big Brake Hat - Short Offset
Rotor Bolt Circle: 12 x 8.75
Hat Offset: 0.850
Wheel Stud Circle(s): 5 Holes  on 4.720      
Type: Big Brake Hat - Short Offset
Mount Type: Fixed Mount
Material: Aluminum
Big Brake Hat - Short Offset

Big Brake Hat - Short Offset Drawing Big Brake Hat - Short Offset Drawing Zoom Image

Big Brake Hat - Short Offset Description

GT Series Big Brake Short Offset hats are precision machined from premium aluminum alloys for high strength and attention to minimized weight. Hats in this category feature threaded rotor mount holes for use with standard through-hole mount rotors. Threaded hole hats may also be used with T-Nuts or bobbins designed for use with specially machined slotted hole dynamic mount rotors. When used in conjunction with matched Wilwood rotor hardware kits, GT hats provide solid, reliable performance in the most demanding conditions. Short Offset Hats are for narrow space applications with offsets often less than 1.00". They are available for most rotor bolt patterns in a variety of four and five lug wheel patterns.
NOTE & CAUTIONS:

Ordering Information for Big Brake Hat - Short Offset
Item No 170-14757
Info Details
Center Reg Dia 3.12
Whl Stud Cir Dia/Stud Dia 4.720 / 0.520 
I.D. Clear(in) 8.01
Shoe I.D.
Face Thick 0.25
Price $246.79
Purchase
Call (805) 388-1188
Big Brake Dynamic Hat - Short Offset
Rotor Bolt Circle: 12 x 8.75
Hat Offset: 0.850
Wheel Stud Circle(s): 5 Holes  on 4.720      
Type: Big Brake Dynamic Hat - Short Offset
Mount Type: Dynamic Mount
Material: Aluminum
Big Brake Dynamic Hat - Short Offset

Big Brake Dynamic Hat - Short Offset Drawing Big Brake Dynamic Hat - Short Offset Drawing Zoom Image

Big Brake Dynamic Hat - Short Offset Description

Big Brake Dynamic Short Offset hats are precision machined from premium aluminum alloys for high strength and attention to minimized weight. Hats in this category feature dynamic mount t-nut mount holes for use with standard through-hole mount rotors. When used in conjunction with matched Wilwood rotor hardware kits, Big Brake Dynamic hats provide solid, reliable performance in the most demanding conditions. Short Offset Hats are for narrow space applications with offsets often less than 1.00". They are available for most rotor bolt patterns in a variety of four and five lug wheel patterns.
NOTE & CAUTIONS:

Ordering Information for Big Brake Dynamic Hat - Short Offset
Item No 170-14975
Info Details
Center Reg Dia 3.12
Whl Stud Cir Dia/Stud Dia 4.720 / 0.610 
I.D. Clear(in) 8.01
Shoe I.D.
Face Thick 0.28
Price $246.79
Purchase
Call (805) 388-1188
Big Brake Hat - Short Offset
Rotor Bolt Circle: 12 x 8.75
Hat Offset: 0.880
Wheel Stud Circle(s): 4 Holes  on 3.930      
Type: Big Brake Hat - Short Offset
Mount Type: Fixed Mount
Material: Aluminum
Big Brake Hat - Short Offset

Big Brake Hat - Short Offset Drawing Big Brake Hat - Short Offset Drawing Zoom Image

Big Brake Hat - Short Offset Description

GT Series Big Brake Short Offset hats are precision machined from premium aluminum alloys for high strength and attention to minimized weight. Hats in this category feature threaded rotor mount holes for use with standard through-hole mount rotors. Threaded hole hats may also be used with T-Nuts or bobbins designed for use with specially machined slotted hole dynamic mount rotors. When used in conjunction with matched Wilwood rotor hardware kits, GT hats provide solid, reliable performance in the most demanding conditions. Short Offset Hats are for narrow space applications with offsets often less than 1.00". They are available for most rotor bolt patterns in a variety of four and five lug wheel patterns.
NOTE & CAUTIONS:
3.06 " diameter register with counterbore for register ring.
Ordering Information for Big Brake Hat - Short Offset
Item No 170-13063
Info Details
Center Reg Dia 3.06
Whl Stud Cir Dia/Stud Dia 3.930 / 0.640 
I.D. Clear(in) 7.25
Shoe I.D.
Face Thick 0.30
Price $216.70
Purchase
Call (805) 388-1188
Big Brake Hat - Short Offset
Rotor Bolt Circle: 12 x 8.75
Hat Offset: 0.880
Wheel Stud Circle(s): 5 Holes  on 4.500  ;  4.750   
Type: Big Brake Hat - Short Offset
Mount Type: Fixed Mount
Material: Aluminum
Big Brake Hat - Short Offset

Big Brake Hat - Short Offset Drawing Big Brake Hat - Short Offset Drawing Zoom Image

Big Brake Hat - Short Offset Description

GT Series Big Brake Short Offset hats are precision machined from premium aluminum alloys for high strength and attention to minimized weight. Hats in this category feature threaded rotor mount holes for use with standard through-hole mount rotors. Threaded hole hats may also be used with T-Nuts or bobbins designed for use with specially machined slotted hole dynamic mount rotors. When used in conjunction with matched Wilwood rotor hardware kits, GT hats provide solid, reliable performance in the most demanding conditions. Short Offset Hats are for narrow space applications with offsets often less than 1.00". They are available for most rotor bolt patterns in a variety of four and five lug wheel patterns.
NOTE & CAUTIONS:

Ordering Information for Big Brake Hat - Short Offset
Item No 170-10149
Info Details
Center Reg Dia 2.80
Whl Stud Cir Dia/Stud Dia 4.500 / 0.580 
I.D. Clear(in) 7.25
Shoe I.D.
Face Thick 0.30
Price $216.70
Purchase
Call (805) 388-1188
Big Brake Hat - Short Offset
Rotor Bolt Circle: 12 x 8.75
Hat Offset: 0.880
Wheel Stud Circle(s): 5 Holes  on 4.500  ;  4.750   
Type: Big Brake Hat - Short Offset
Mount Type: Fixed Mount
Material: Aluminum
Big Brake Hat - Short Offset

Big Brake Hat - Short Offset Drawing Big Brake Hat - Short Offset Drawing Zoom Image

Big Brake Hat - Short Offset Description

GT Series Big Brake Short Offset hats are precision machined from premium aluminum alloys for high strength and attention to minimized weight. Hats in this category feature threaded rotor mount holes for use with standard through-hole mount rotors. Threaded hole hats may also be used with T-Nuts or bobbins designed for use with specially machined slotted hole dynamic mount rotors. When used in conjunction with matched Wilwood rotor hardware kits, GT hats provide solid, reliable performance in the most demanding conditions. Short Offset Hats are for narrow space applications with offsets often less than 1.00". They are available for most rotor bolt patterns in a variety of four and five lug wheel patterns.
NOTE & CAUTIONS:

Ordering Information for Big Brake Hat - Short Offset
Item No 170-6837
Info Details
Center Reg Dia 2.78
Whl Stud Cir Dia/Stud Dia 4.500 / 0.560 
I.D. Clear(in) 7.25
Shoe I.D.
Face Thick 0.30
Price $216.70
Purchase
Call (805) 388-1188
Big Brake Dynamic Hat - Flared Bell
Rotor Bolt Circle: 12 x 8.75
Hat Offset: 0.910
Wheel Stud Circle(s): 5 Holes  on 4.720      
Type: Big Brake Dynamic Hat - Flared Bell
Mount Type: Dynamic Lug Mount
Material: Aluminum
Big Brake Dynamic Hat - Flared Bell

Big Brake Dynamic Hat - Flared Bell Drawing Big Brake Dynamic Hat - Flared Bell Drawing Zoom Image

Big Brake Dynamic Hat - Flared Bell Description

Big Brake Dynamic Flared Bell hats are precision machined from premium aluminum alloys for high strength and attention to minimized weight. Hats in this category feature dynamic mount t-nut mount holes for use with standard through-hole mount rotors. When used in conjunction with matched Wilwood rotor hardware kits, Big Brake Dynamic hats provide solid, reliable performance in the most demanding conditions. Short Offset Hats are for narrow space applications and maximize clearance. They are available for most rotor bolt patterns in a variety of four and five lug wheel patterns.
NOTE & CAUTIONS:

Ordering Information for Big Brake Dynamic Hat - Flared Bell
Item No 170-15432
Info Details
Center Reg Dia 2.66
Whl Stud Cir Dia/Stud Dia 4.720 / 0.640 
I.D. Clear(in) 7.73
Shoe I.D.
Face Thick 0.30
Price $266.73
Purchase
Call (805) 388-1188
Big Brake Hat - Short Offset
Rotor Bolt Circle: 12 x 8.75
Hat Offset: 0.925
Wheel Stud Circle(s): 5 Holes  on 4.500  ;  4.500   
Type: Big Brake Hat - Short Offset
Mount Type: Fixed Mount
Material: Aluminum
Big Brake Hat - Short Offset

Big Brake Hat - Short Offset Drawing Big Brake Hat - Short Offset Drawing

Big Brake Hat - Short Offset Description

GT Series Big Brake Short Offset hats are precision machined from premium aluminum alloys for high strength and attention to minimized weight. Hats in this category feature threaded rotor mount holes for use with standard through-hole mount rotors. Threaded hole hats may also be used with T-Nuts or bobbins designed for use with specially machined slotted hole dynamic mount rotors. When used in conjunction with matched Wilwood rotor hardware kits, GT hats provide solid, reliable performance in the most demanding conditions. Short Offset Hats are for narrow space applications with offsets often less than 1.00". They are available for most rotor bolt patterns in a variety of four and five lug wheel patterns.
NOTE & CAUTIONS:

Ordering Information for Big Brake Hat - Short Offset
Item No 170-18078
Info Details
Center Reg Dia 2.69
Whl Stud Cir Dia/Stud Dia 4.500 / 0.500 
I.D. Clear(in) 7.75
Shoe I.D.
Face Thick 0.38
Price $246.79
Purchase
Call (805) 388-1188
Big Brake Hat - Flared Bell
Rotor Bolt Circle: 12 x 8.75
Hat Offset: 0.950
Wheel Stud Circle(s): 5 Holes  on 3.930  ;  4.500   
Type: Big Brake Hat - Flared Bell
Mount Type: Fixed Mount
Material: Aluminum
Big Brake Hat - Flared Bell

Big Brake Hat - Flared Bell Drawing Big Brake Hat - Flared Bell Drawing Zoom Image

Big Brake Hat - Flared Bell Description

GT Series Big Brake Flared Bell hats are precision machined from premium aluminum alloys for high strength and attention to minimized weight. Hats in this category feature threaded rotor mount holes for use with standard through-hole mount rotors. Threaded hole hats may also be used with T-Nuts or bobbins designed for use with specially machined slotted hole dynamic mount rotors. When used in conjunction with matched Wilwood rotor hardware kits, GT hats provide solid, reliable performance in the most demanding conditions.Flared Bell Hats are generally used with rotor mount bolt circles of 8.38" and larger. Offsets range from 1.88" to 3.00" for rotor diameters 12.19" and up.
NOTE & CAUTIONS:
3.06 " diameter register with counterbore for register ring.
Ordering Information for Big Brake Hat - Flared Bell
Item No 170-13970
Info Details
Center Reg Dia 3.06
Whl Stud Cir Dia/Stud Dia 3.930 / 0.520 
I.D. Clear(in) 7.40
Shoe I.D.
Face Thick 0.27
Price $216.70
Purchase
Call (805) 388-1188
Big Brake Hat - Short Offset
Rotor Bolt Circle: 12 x 8.75
Hat Offset: 1.000
Wheel Stud Circle(s): 5 Holes  on 5.500      
Type: Big Brake Hat - Short Offset
Mount Type: Fixed Mount
Material: Aluminum
Big Brake Hat - Short Offset

Big Brake Hat - Short Offset Drawing Big Brake Hat - Short Offset Drawing Zoom Image

Big Brake Hat - Short Offset Description

GT Series Big Brake Short Offset hats are precision machined from premium aluminum alloys for high strength and attention to minimized weight. Hats in this category feature threaded rotor mount holes for use with standard through-hole mount rotors. Threaded hole hats may also be used with T-Nuts or bobbins designed for use with specially machined slotted hole dynamic mount rotors. When used in conjunction with matched Wilwood rotor hardware kits, GT hats provide solid, reliable performance in the most demanding conditions. Short Offset Hats are for narrow space applications with offsets often less than 1.00". They are available for most rotor bolt patterns in a variety of four and five lug wheel patterns.
NOTE & CAUTIONS:

Ordering Information for Big Brake Hat - Short Offset
Item No 170-13314
Info *New* Details
Center Reg Dia 4.67
Whl Stud Cir Dia/Stud Dia 5.500 / 0.640 
I.D. Clear(in) 7.05
Shoe I.D.
Face Thick 0.30
Price $216.70
Purchase
Call (805) 388-1188
Big Brake Hat - Short Offset
Rotor Bolt Circle: 12 x 8.75
Hat Offset: 1.000
Wheel Stud Circle(s): 5 Holes  on 4.500      
Type: Big Brake Hat - Short Offset
Mount Type: Fixed Mount
Material: Aluminum
Big Brake Hat - Short Offset

Big Brake Hat - Short Offset Drawing Big Brake Hat - Short Offset Drawing Zoom Image

Big Brake Hat - Short Offset Description

GT Series Big Brake Short Offset hats are precision machined from premium aluminum alloys for high strength and attention to minimized weight. Hats in this category feature threaded rotor mount holes for use with standard through-hole mount rotors. Threaded hole hats may also be used with T-Nuts or bobbins designed for use with specially machined slotted hole dynamic mount rotors. When used in conjunction with matched Wilwood rotor hardware kits, GT hats provide solid, reliable performance in the most demanding conditions. Short Offset Hats are for narrow space applications with offsets often less than 1.00". They are available for most rotor bolt patterns in a variety of four and five lug wheel patterns.
NOTE & CAUTIONS:

Ordering Information for Big Brake Hat - Short Offset
Item No 170-11328
Info Details
Center Reg Dia 2.78
Whl Stud Cir Dia/Stud Dia 4.500 / 0.520 
I.D. Clear(in) 7.75
Shoe I.D.
Face Thick 0.39
Price $246.79
Purchase
Call (805) 388-1188
Big Brake Hat - Flared Bell
Rotor Bolt Circle: 12 x 8.75
Hat Offset: 1.000
Wheel Stud Circle(s): 5 Holes  on 4.500  ;  4.750   
Type: Big Brake Hat - Flared Bell
Mount Type: Fixed Mount
Material: Aluminum
Big Brake Hat - Flared Bell

Big Brake Hat - Flared Bell Drawing Big Brake Hat - Flared Bell Drawing Zoom Image

Big Brake Hat - Flared Bell Description

GT Series Big Brake Flared Bell hats are precision machined from premium aluminum alloys for high strength and attention to minimized weight. Hats in this category feature threaded rotor mount holes for use with standard through-hole mount rotors. Threaded hole hats may also be used with T-Nuts or bobbins designed for use with specially machined slotted hole dynamic mount rotors. When used in conjunction with matched Wilwood rotor hardware kits, GT hats provide solid, reliable performance in the most demanding conditions.Flared Bell Hats are generally used with rotor mount bolt circles of 8.38" and larger. Offsets range from 1.88" to 3.00" for rotor diameters 12.19" and up.
NOTE & CAUTIONS:
3.06 " diameter register with counterbore for register ring.
Ordering Information for Big Brake Hat - Flared Bell
Item No 170-12314
Info Details
Center Reg Dia 3.06
Whl Stud Cir Dia/Stud Dia 4.500 / 0.520 
I.D. Clear(in) 7.09
Shoe I.D.
Face Thick 0.25
Price $216.70
Purchase
Call (805) 388-1188
Big Brake Hat - Flared Bell
Rotor Bolt Circle: 12 x 8.75
Hat Offset: 1.000
Wheel Stud Circle(s): 5 Holes  on 4.720      
Type: Big Brake Hat - Flared Bell
Mount Type: Fixed Mount
Material: Aluminum
Big Brake Hat - Flared Bell

Big Brake Hat - Flared Bell Drawing Big Brake Hat - Flared Bell Drawing Zoom Image

Big Brake Hat - Flared Bell Description

GT Series Big Brake Flared Bell hats are precision machined from premium aluminum alloys for high strength and attention to minimized weight. Hats in this category feature threaded rotor mount holes for use with standard through-hole mount rotors. Threaded hole hats may also be used with T-Nuts or bobbins designed for use with specially machined slotted hole dynamic mount rotors. When used in conjunction with matched Wilwood rotor hardware kits, GT hats provide solid, reliable performance in the most demanding conditions.Flared Bell Hats are generally used with rotor mount bolt circles of 8.38" and larger. Offsets range from 1.88" to 3.00" for rotor diameters 12.19" and up.
NOTE & CAUTIONS:
3.06 " diameter register with counterbore for register ring.
Ordering Information for Big Brake Hat - Flared Bell
Item No 170-12940
Info Details
Center Reg Dia 3.06
Whl Stud Cir Dia/Stud Dia 4.720 / 0.630 
I.D. Clear(in) 7.09
Shoe I.D.
Face Thick 0.25
Price $266.74
Purchase
Call (805) 388-1188
Big Brake Hat - Short Offset
Rotor Bolt Circle: 12 x 8.75
Hat Offset: 1.000
Wheel Stud Circle(s): 5 Holes  on 4.720      
Type: Big Brake Hat - Short Offset
Mount Type: Fixed Mount
Material: Aluminum
Big Brake Hat - Short Offset

Big Brake Hat - Short Offset Drawing Big Brake Hat - Short Offset Drawing Zoom Image

Big Brake Hat - Short Offset Description

GT Series Big Brake Short Offset hats are precision machined from premium aluminum alloys for high strength and attention to minimized weight. Hats in this category feature threaded rotor mount holes for use with standard through-hole mount rotors. Threaded hole hats may also be used with T-Nuts or bobbins designed for use with specially machined slotted hole dynamic mount rotors. When used in conjunction with matched Wilwood rotor hardware kits, GT hats provide solid, reliable performance in the most demanding conditions. Short Offset Hats are for narrow space applications with offsets often less than 1.00". They are available for most rotor bolt patterns in a variety of four and five lug wheel patterns.
NOTE & CAUTIONS:

Ordering Information for Big Brake Hat - Short Offset
Item No 170-8757
Info Details
Center Reg Dia 2.82
Whl Stud Cir Dia/Stud Dia 4.720 / 0.500 
I.D. Clear(in) 7.75
Shoe I.D.
Face Thick 0.39
Price $216.70
Purchase
Call (805) 388-1188
Big Brake Hat - Flared Bell
Rotor Bolt Circle: 12 x 8.75
Hat Offset: 1.070
Wheel Stud Circle(s): 6 Holes  on 4.250      
Type: Big Brake Hat - Flared Bell
Mount Type: Fixed Mount
Material: Aluminum
Big Brake Hat - Flared Bell

Big Brake Hat - Flared Bell Drawing Big Brake Hat - Flared Bell Drawing Zoom Image

Big Brake Hat - Flared Bell Description

GT Series Big Brake Flared Bell hats are precision machined from premium aluminum alloys for high strength and attention to minimized weight. Hats in this category feature threaded rotor mount holes for use with standard through-hole mount rotors. Threaded hole hats may also be used with T-Nuts or bobbins designed for use with specially machined slotted hole dynamic mount rotors. When used in conjunction with matched Wilwood rotor hardware kits, GT hats provide solid, reliable performance in the most demanding conditions.Flared Bell Hats are generally used with rotor mount bolt circles of 8.38" and larger. Offsets range from 1.88" to 3.00" for rotor diameters 12.19" and up.
NOTE & CAUTIONS:

Ordering Information for Big Brake Hat - Flared Bell
Item No 170-15502
Info Details
Center Reg Dia 3.28
Whl Stud Cir Dia/Stud Dia 4.250 / 0.520 
I.D. Clear(in) 7.20
Shoe I.D.
Face Thick 0.31
Price $216.70
Purchase
Call (805) 388-1188
Truck Hat - Standard
Rotor Bolt Circle: 12 x 8.75
Hat Offset: 1.080
Wheel Stud Circle(s): 6 Holes  on 5.118      
Type: Truck Hat - Standard
Mount Type: Fixed Mount
Material: Aluminum
Truck Hat - Standard

Truck Hat - Standard Drawing Truck Hat - Standard Drawing

Truck Hat - Standard Description

Wilwood's Truck hats are precision machined from premium aluminum alloys for high strength and attention to minimized weight. Hats in this category feature threaded rotor mount holes for use with standard through-hole mount rotors. Truck Hats feature strengthening ribs on a flared bell configuration for big rotor brake kits on truck, SUV, and 4WD axles with either 6 or 8 lug configurations.
NOTE & CAUTIONS:

Ordering Information for Truck Hat - Standard
Item No 170-17996
Info Details
Center Reg Dia 3.36
Whl Stud Cir Dia/Stud Dia 5.118 / 0.000 
I.D. Clear(in) 7.75
Shoe I.D.
Face Thick 0.26
Price $266.74
Purchase
Call (805) 388-1188
Big Brake Hat - Flared Bell
Rotor Bolt Circle: 12 x 8.75
Hat Offset: 1.086
Wheel Stud Circle(s): 5 Holes  on 5.118      
Type: Big Brake Hat - Flared Bell
Mount Type: Fixed Mount
Material: Aluminum
Big Brake Hat - Flared Bell

Big Brake Hat - Flared Bell Drawing Big Brake Hat - Flared Bell Drawing

Big Brake Hat - Flared Bell Description

GT Series Big Brake Flared Bell hats are precision machined from premium aluminum alloys for high strength and attention to minimized weight. Hats in this category feature threaded rotor mount holes for use with standard through-hole mount rotors. Threaded hole hats may also be used with T-Nuts or bobbins designed for use with specially machined slotted hole dynamic mount rotors. When used in conjunction with matched Wilwood rotor hardware kits, GT hats provide solid, reliable performance in the most demanding conditions.Flared Bell Hats are generally used with rotor mount bolt circles of 8.38" and larger. Offsets range from 1.88" to 3.00" for rotor diameters 12.19" and up.
NOTE & CAUTIONS:

Ordering Information for Big Brake Hat - Flared Bell
Item No 170-17083
Info Details
Center Reg Dia 3.85
Whl Stud Cir Dia/Stud Dia 5.118 / 0.594 
I.D. Clear(in) 7.48
Shoe I.D.
Face Thick 0.30
Price $216.70
Purchase
Call (805) 388-1188
Big Brake Hat - Flared Bell
Rotor Bolt Circle: 12 x 8.75
Hat Offset: 1.095
Wheel Stud Circle(s): 5 Holes  on 3.930      
Type: Big Brake Hat - Flared Bell
Mount Type: Fixed Mount
Material: Aluminum
Big Brake Hat - Flared Bell

Big Brake Hat - Flared Bell Drawing Big Brake Hat - Flared Bell Drawing Zoom Image

Big Brake Hat - Flared Bell Description

GT Series Big Brake Flared Bell hats are precision machined from premium aluminum alloys for high strength and attention to minimized weight. Hats in this category feature threaded rotor mount holes for use with standard through-hole mount rotors. Threaded hole hats may also be used with T-Nuts or bobbins designed for use with specially machined slotted hole dynamic mount rotors. When used in conjunction with matched Wilwood rotor hardware kits, GT hats provide solid, reliable performance in the most demanding conditions.Flared Bell Hats are generally used with rotor mount bolt circles of 8.38" and larger. Offsets range from 1.88" to 3.00" for rotor diameters 12.19" and up.
NOTE & CAUTIONS:

Ordering Information for Big Brake Hat - Flared Bell
Item No 170-6990
Info Details
Center Reg Dia 2.29
Whl Stud Cir Dia/Stud Dia 3.930 / 0.520 
I.D. Clear(in) 7.02
Shoe I.D.
Face Thick 0.27
Price $216.70
Purchase
Call (805) 388-1188
Big Brake Hat - Flared Bell
Rotor Bolt Circle: 12 x 8.75
Hat Offset: 1.100
Wheel Stud Circle(s): 5 Holes  on 4.500  ;  4.750   
Type: Big Brake Hat - Flared Bell
Mount Type: Fixed Mount
Material: Aluminum
Big Brake Hat - Flared Bell

Big Brake Hat - Flared Bell Drawing Big Brake Hat - Flared Bell Drawing Zoom Image

Big Brake Hat - Flared Bell Description

GT Series Big Brake Flared Bell hats are precision machined from premium aluminum alloys for high strength and attention to minimized weight. Hats in this category feature threaded rotor mount holes for use with standard through-hole mount rotors. Threaded hole hats may also be used with T-Nuts or bobbins designed for use with specially machined slotted hole dynamic mount rotors. When used in conjunction with matched Wilwood rotor hardware kits, GT hats provide solid, reliable performance in the most demanding conditions.Flared Bell Hats are generally used with rotor mount bolt circles of 8.38" and larger. Offsets range from 1.88" to 3.00" for rotor diameters 12.19" and up.
NOTE & CAUTIONS:
Hat is drilled and countersunk in three places to accommodate hat to hub anchoring screws used with specific Wilwood hat mount hubs. Use 230-7032 (contains 6 qty. 1/4-20 x .50 Flat Head Hex Drive mounting screws)
Ordering Information for Big Brake Hat - Flared Bell
Item No 170-15555
Info Details
Center Reg Dia 3.06
Whl Stud Cir Dia/Stud Dia 4.500 / 0.520 
I.D. Clear(in) 7.02
Shoe I.D.
Face Thick 0.25
Price $216.70
Purchase
Call (805) 388-1188
Big Brake Hat - Flared Bell
Rotor Bolt Circle: 12 x 8.75
Hat Offset: 1.140
Wheel Stud Circle(s): 6 Holes  on 5.500      
Type: Big Brake Hat - Flared Bell
Mount Type: Fixed Mount
Material: Aluminum
Big Brake Hat - Flared Bell

Big Brake Hat - Flared Bell Drawing Big Brake Hat - Flared Bell Drawing

Big Brake Hat - Flared Bell Description

GT Series Big Brake Flared Bell hats are precision machined from premium aluminum alloys for high strength and attention to minimized weight. Hats in this category feature threaded rotor mount holes for use with standard through-hole mount rotors. Threaded hole hats may also be used with T-Nuts or bobbins designed for use with specially machined slotted hole dynamic mount rotors. When used in conjunction with matched Wilwood rotor hardware kits, GT hats provide solid, reliable performance in the most demanding conditions.Flared Bell Hats are generally used with rotor mount bolt circles of 8.38" and larger. Offsets range from 1.88" to 3.00" for rotor diameters 12.19" and up.
NOTE & CAUTIONS:

Ordering Information for Big Brake Hat - Flared Bell
Item No 170-17181
Info Details
Center Reg Dia 4.26
Whl Stud Cir Dia/Stud Dia 5.500 / 0.500 
I.D. Clear(in) 7.13
Shoe I.D.
Face Thick 0.30
Price $296.92
Purchase
Call (805) 388-1188
Big Brake Dynamic Hat - Short Offset
Rotor Bolt Circle: 12 x 8.75
Hat Offset: 1.193
Wheel Stud Circle(s): 5 Holes  on 4.720      
Type: Big Brake Dynamic Hat - Short Offset
Mount Type: Dynamic Mount
Material: Aluminum
Big Brake Dynamic Hat - Short Offset

Big Brake Dynamic Hat - Short Offset Drawing Big Brake Dynamic Hat - Short Offset Drawing Zoom Image

Big Brake Dynamic Hat - Short Offset Description

Big Brake Dynamic Short Offset hats are precision machined from premium aluminum alloys for high strength and attention to minimized weight. Hats in this category feature dynamic mount t-nut mount holes for use with standard through-hole mount rotors. When used in conjunction with matched Wilwood rotor hardware kits, Big Brake Dynamic hats provide solid, reliable performance in the most demanding conditions. Short Offset Hats are for narrow space applications with offsets often less than 1.00". They are available for most rotor bolt patterns in a variety of four and five lug wheel patterns.
NOTE & CAUTIONS:

Ordering Information for Big Brake Dynamic Hat - Short Offset
Item No 170-14979
Info Details
Center Reg Dia 2.97
Whl Stud Cir Dia/Stud Dia 4.720 / 0.610 
I.D. Clear(in) 6.90
Shoe I.D.
Face Thick 0.25
Price $246.79
Purchase
Call (805) 388-1188
Parking Brake Hat - Standard
Rotor Bolt Circle: 12 x 8.75
Hat Offset: 1.200
Wheel Stud Circle(s): 5 Holes  on 4.720      
Type: Parking Brake Hat - Standard
Mount Type: Fixed Mount
Material: Aluminum
Parking Brake Hat - Standard

Parking Brake Hat - Standard Drawing Parking Brake Hat - Standard Drawing Zoom Image

Parking Brake Hat - Standard Description

These premium grade aluminum hats are used with Wilwood's internal shoe parking brake kits. Each hat is a precision machined, threaded hole design for use in conjunction with through-hole mount rotors. After machining, the hats are electro-coated for corrosion resistance.
NOTE & CAUTIONS:

Ordering Information for Parking Brake Hat - Standard
Item No 170-14758
Info Details
Center Reg Dia 2.97
Whl Stud Cir Dia/Stud Dia 4.720 / 0.610 
I.D. Clear(in) 6.90
Shoe I.D. 7.28
Face Thick 0.28
Price $246.79
Purchase
Call (805) 388-1188
Big Brake Dynamic Hat - Flared Bell
Rotor Bolt Circle: 12 x 8.75
Hat Offset: 1.200
Wheel Stud Circle(s): 5 Holes  on 4.500      
Type: Big Brake Dynamic Hat - Flared Bell
Mount Type: Dynamic Mount
Material: Aluminum
Big Brake Dynamic Hat - Flared Bell

Big Brake Dynamic Hat - Flared Bell Drawing Big Brake Dynamic Hat - Flared Bell Drawing Zoom Image

Big Brake Dynamic Hat - Flared Bell Description

GT Series Dynamic Mount Rotor Hats are engineered to withstand the rigors and demands of extreme motorsports competition. Each hat is precision machined from premium grade aluminum offering high strength with low unsprung and rotating weight. Wilwood T-nuts float within the hat and provide true dynamic mounting of a standard through-hole mount rotor. The wide load bearing load surface of the T-nut and the straight through-hole mount rotors provide the most durable and accurate method of isolating potential pad engagement harmonics and the in-service thermal variations that occur between the hat and the rotor. GT Series Dynamic Mount Hats are available in a variety of configurations for use with racing hubs, flanged axles, and several OE applications. Straight bell hats are used for the 6.75" and 7.00" rotor mount patterns. Hats for the larger diameter rotor mount patterns will be the flared bell design.
NOTE & CAUTIONS:

Ordering Information for Big Brake Dynamic Hat - Flared Bell
Item No 170-14430
Info Details
Center Reg Dia 2.80
Whl Stud Cir Dia/Stud Dia 4.500 / 0.630 
I.D. Clear(in) 7.25
Shoe I.D.
Face Thick 0.25
Price $342.96
Purchase
Call (805) 388-1188
Big Brake Hat - Flared Bell
Rotor Bolt Circle: 12 x 8.75
Hat Offset: 1.200
Wheel Stud Circle(s): 5 Holes  on 4.500      
Type: Big Brake Hat - Flared Bell
Mount Type: Fixed Mount
Material: Aluminum
Big Brake Hat - Flared Bell

Big Brake Hat - Flared Bell Drawing Big Brake Hat - Flared Bell Drawing Zoom Image

Big Brake Hat - Flared Bell Description

GT Series Big Brake Flared Bell hats are precision machined from premium aluminum alloys for high strength and attention to minimized weight. Hats in this category feature threaded rotor mount holes for use with standard through-hole mount rotors. Threaded hole hats may also be used with T-Nuts or bobbins designed for use with specially machined slotted hole dynamic mount rotors. When used in conjunction with matched Wilwood rotor hardware kits, GT hats provide solid, reliable performance in the most demanding conditions.Flared Bell Hats are generally used with rotor mount bolt circles of 8.38" and larger. Offsets range from 1.88" to 3.00" for rotor diameters 12.19" and up.
NOTE & CAUTIONS:

Ordering Information for Big Brake Hat - Flared Bell
Item No 170-13927
Info Details
Center Reg Dia 2.80
Whl Stud Cir Dia/Stud Dia 4.500 / 0.630 
I.D. Clear(in) 7.16
Shoe I.D.
Face Thick 0.25
Price $216.70
Purchase
Call (805) 388-1188
Big Brake Hat - Flared Bell
Rotor Bolt Circle: 12 x 8.75
Hat Offset: 1.200
Wheel Stud Circle(s): 5 Holes  on 4.530      
Type: Big Brake Hat - Flared Bell
Mount Type: Fixed Mount
Material: Aluminum
Big Brake Hat - Flared Bell

Big Brake Hat - Flared Bell Drawing Big Brake Hat - Flared Bell Drawing Zoom Image

Big Brake Hat - Flared Bell Description

GT Series Big Brake Flared Bell hats are precision machined from premium aluminum alloys for high strength and attention to minimized weight. Hats in this category feature threaded rotor mount holes for use with standard through-hole mount rotors. Threaded hole hats may also be used with T-Nuts or bobbins designed for use with specially machined slotted hole dynamic mount rotors. When used in conjunction with matched Wilwood rotor hardware kits, GT hats provide solid, reliable performance in the most demanding conditions.Flared Bell Hats are generally used with rotor mount bolt circles of 8.38" and larger. Offsets range from 1.88" to 3.00" for rotor diameters 12.19" and up.
NOTE & CAUTIONS:
3.06 " diameter register with counterbore for register ring.
Ordering Information for Big Brake Hat - Flared Bell
Item No 170-11766
Info Details
Center Reg Dia 3.06
Whl Stud Cir Dia/Stud Dia 4.530 / 0.630 
I.D. Clear(in) 7.09
Shoe I.D.
Face Thick 0.25
Price $216.70
Purchase
Call (805) 388-1188
Big Brake Hat - Flared Bell
Rotor Bolt Circle: 12 x 8.75
Hat Offset: 1.200
Wheel Stud Circle(s): 5 Holes  on 4.500  ;  4.750   
Type: Big Brake Hat - Flared Bell
Mount Type: Fixed Mount
Material: Aluminum
Big Brake Hat - Flared Bell

Big Brake Hat - Flared Bell Drawing Big Brake Hat - Flared Bell Drawing Zoom Image

Big Brake Hat - Flared Bell Description

GT Series Big Brake Flared Bell hats are precision machined from premium aluminum alloys for high strength and attention to minimized weight. Hats in this category feature threaded rotor mount holes for use with standard through-hole mount rotors. Threaded hole hats may also be used with T-Nuts or bobbins designed for use with specially machined slotted hole dynamic mount rotors. When used in conjunction with matched Wilwood rotor hardware kits, GT hats provide solid, reliable performance in the most demanding conditions.Flared Bell Hats are generally used with rotor mount bolt circles of 8.38" and larger. Offsets range from 1.88" to 3.00" for rotor diameters 12.19" and up.
NOTE & CAUTIONS:
Hat is drilled and countersunk in three places to accommodate hat to hub anchoring screws used with specific Wilwood hat mount hubs. Use 230-7032 (contains 6 qty. 1/4-20 x .50 Flat Head Hex Drive mounting screws)
Ordering Information for Big Brake Hat - Flared Bell
Item No 170-10231
Info Details
Center Reg Dia 3.06
Whl Stud Cir Dia/Stud Dia 4.500 / 0.520 
I.D. Clear(in) 6.86
Shoe I.D.
Face Thick 0.25
Price $216.70
Purchase
Call (805) 388-1188
Big Brake Hat - Flared Bell
Rotor Bolt Circle: 12 x 8.75
Hat Offset: 1.200
Wheel Stud Circle(s): 5 Holes  on 4.500  ;  4.750   
Type: Big Brake Hat - Flared Bell
Mount Type: Fixed Mount
Material: Aluminum
Big Brake Hat - Flared Bell

Big Brake Hat - Flared Bell Drawing Big Brake Hat - Flared Bell Drawing Zoom Image

Big Brake Hat - Flared Bell Description

GT Series Big Brake Flared Bell hats are precision machined from premium aluminum alloys for high strength and attention to minimized weight. Hats in this category feature threaded rotor mount holes for use with standard through-hole mount rotors. Threaded hole hats may also be used with T-Nuts or bobbins designed for use with specially machined slotted hole dynamic mount rotors. When used in conjunction with matched Wilwood rotor hardware kits, GT hats provide solid, reliable performance in the most demanding conditions.Flared Bell Hats are generally used with rotor mount bolt circles of 8.38" and larger. Offsets range from 1.88" to 3.00" for rotor diameters 12.19" and up.
NOTE & CAUTIONS:
Hat is drilled and countersunk in three places to accommodate hat to hub anchoring screws used with specific Wilwood hat mount hubs. Use 230-7032 (contains 6 qty. 1/4-20 x .50 Flat Head Hex Drive mounting screws)
Ordering Information for Big Brake Hat - Flared Bell
Item No 170-8883
Info Details
Center Reg Dia 3.00
Whl Stud Cir Dia/Stud Dia 4.500 / 0.520 
I.D. Clear(in) 6.96
Shoe I.D.
Face Thick 0.25
Price $246.79
Purchase
Call (805) 388-1188
Parking Brake Hat - Standard
Rotor Bolt Circle: 12 x 8.75
Hat Offset: 1.210
Wheel Stud Circle(s): 5 Holes  on 4.500      
Type: Parking Brake Hat - Standard
Mount Type: Fixed Mount
Material: Iron
Parking Brake Hat - Standard

Parking Brake Hat - Standard Drawing Parking Brake Hat - Standard Drawing Zoom Image

Parking Brake Hat - Standard Description

These premium grade cast iron hats are used with Wilwood's internal shoe parking brake kits. Each hat is a precision machined, threaded hole design for use in conjunction with through-hole mount rotors. After machining, the hats are electro-coated for corrosion resistance.
NOTE & CAUTIONS:

Ordering Information for Parking Brake Hat - Standard
Item No 170-9455
Info Details
Center Reg Dia 2.69
Whl Stud Cir Dia/Stud Dia 4.500 / 0.510 
I.D. Clear(in) 6.65
Shoe I.D. 6.77
Face Thick 0.20
Price $246.79
Purchase
Call (805) 388-1188
Parking Brake Hat - Truck
Rotor Bolt Circle: 12 x 8.75
Hat Offset: 1.210
Wheel Stud Circle(s): 6 Holes  on 5.118      
Type: Parking Brake Hat - Truck
Mount Type: Fixed Mount
Material: Iron
Image Coming Soon

Parking Brake Hat - Truck Drawing Parking Brake Hat - Truck Drawing

Parking Brake Hat - Truck Description

These premium grade cast iron hats make it possible to use bolt-on rotors on vehicles equipped with OEM internal shoe parking brake assemblies. Each hat is a precision machined, threaded hole design for use in conjunction with through-hole mount rotors. After machining, the hats are electro-coated for corrosion resistance. Used for big rotor brake kits on truck, SUV, and 4WD axles with either 6 or 8 lug configurations.
NOTE & CAUTIONS:

Ordering Information for Parking Brake Hat - Truck
Item No 170-18000
Info Details
Center Reg Dia 3.36
Whl Stud Cir Dia/Stud Dia 5.118 / 0.000 
I.D. Clear(in) 6.91
Shoe I.D. 7.09
Face Thick 0.32
Price $323.89
Purchase
Call (805) 388-1188
Parking Brake Hat - Standard
Rotor Bolt Circle: 12 x 8.75
Hat Offset: 1.220
Wheel Stud Circle(s): 5 Holes  on 3.930      
Type: Parking Brake Hat - Standard
Mount Type: Fixed Mount
Material: Iron
Parking Brake Hat - Standard

Parking Brake Hat - Standard Drawing Parking Brake Hat - Standard Drawing Zoom Image

Parking Brake Hat - Standard Description

These premium grade cast iron hats are used with Wilwood's internal shoe parking brake kits. Each hat is a precision machined, threaded hole design for use in conjunction with through-hole mount rotors. After machining, the hats are electro-coated for corrosion resistance.
NOTE & CAUTIONS:
3.06 " diameter register with counterbore for register ring.
Ordering Information for Parking Brake Hat - Standard
Item No 170-13017
Info Details
Center Reg Dia 3.06
Whl Stud Cir Dia/Stud Dia 3.930 / 0.520 
I.D. Clear(in) 5.94
Shoe I.D. 7.07
Face Thick 0.26
Price $246.79
Purchase
Call (805) 388-1188
Big Brake Hat - Flared Bell
Rotor Bolt Circle: 12 x 8.75
Hat Offset: 1.226
Wheel Stud Circle(s): 5 Holes  on 5.670      
Type: Big Brake Hat - Flared Bell
Mount Type: Fixed Mount
Material: Aluminum
Big Brake Hat - Flared Bell

Big Brake Hat - Flared Bell Drawing Big Brake Hat - Flared Bell Drawing Zoom Image

Big Brake Hat - Flared Bell Description

GT Series Big Brake Flared Bell hats are precision machined from premium aluminum alloys for high strength and attention to minimized weight. Hats in this category feature threaded rotor mount holes for use with standard through-hole mount rotors. Threaded hole hats may also be used with T-Nuts or bobbins designed for use with specially machined slotted hole dynamic mount rotors. When used in conjunction with matched Wilwood rotor hardware kits, GT hats provide solid, reliable performance in the most demanding conditions.Flared Bell Hats are generally used with rotor mount bolt circles of 8.38" and larger. Offsets range from 1.88" to 3.00" for rotor diameters 12.19" and up.
NOTE & CAUTIONS:

Ordering Information for Big Brake Hat - Flared Bell
Item No 170-15649
Info Details
Center Reg Dia 4.53
Whl Stud Cir Dia/Stud Dia 5.670 / 0.500 
I.D. Clear(in) 7.36
Shoe I.D.
Face Thick 0.30
Price $381.09
Purchase
Call (805) 388-1188
Big Brake Hat - Flared Bell
Rotor Bolt Circle: 12 x 8.75
Hat Offset: 1.230
Wheel Stud Circle(s): 5 Holes  on 4.750  ;  5.000   
Type: Big Brake Hat - Flared Bell
Mount Type: Fixed Mount
Material: Aluminum
Big Brake Hat - Flared Bell

Big Brake Hat - Flared Bell Drawing Big Brake Hat - Flared Bell Drawing

Big Brake Hat - Flared Bell Description

GT Series Big Brake Flared Bell hats are precision machined from premium aluminum alloys for high strength and attention to minimized weight. Hats in this category feature threaded rotor mount holes for use with standard through-hole mount rotors. Threaded hole hats may also be used with T-Nuts or bobbins designed for use with specially machined slotted hole dynamic mount rotors. When used in conjunction with matched Wilwood rotor hardware kits, GT hats provide solid, reliable performance in the most demanding conditions.Flared Bell Hats are generally used with rotor mount bolt circles of 8.38" and larger. Offsets range from 1.88" to 3.00" for rotor diameters 12.19" and up.
NOTE & CAUTIONS:
3.06 " diameter register with counterbore for register ring.
Ordering Information for Big Brake Hat - Flared Bell
Item No 170-16544
Info Details
Center Reg Dia 3.06
Whl Stud Cir Dia/Stud Dia 4.750 / 0.520 
I.D. Clear(in) 7.27
Shoe I.D.
Face Thick 0.25
Price $247.42
Purchase
Call (805) 388-1188
Parking Brake Hat - Standard
Rotor Bolt Circle: 12 x 8.75
Hat Offset: 1.250
Wheel Stud Circle(s): 5 Holes  on 4.500  ;  4.750  ;  5.000
Type: Parking Brake Hat - Standard
Mount Type: Fixed Mount
Material: Aluminum
Parking Brake Hat - Standard

Parking Brake Hat - Standard Drawing Parking Brake Hat - Standard Drawing Zoom Image

Parking Brake Hat - Standard Description

These premium grade aluminum hats are used with Wilwood's internal shoe parking brake kits. Each hat is a precision machined, threaded hole design for use in conjunction with through-hole mount rotors. After machining, the hats are electro-coated for corrosion resistance.
NOTE & CAUTIONS:
3.06 " diameter register with counterbore for register ring.
Ordering Information for Parking Brake Hat - Standard
Item No 170-13687
Info Details
Center Reg Dia 3.06
Whl Stud Cir Dia/Stud Dia 4.500 / 0.520 
I.D. Clear(in) 6.85
Shoe I.D. 7.23
Face Thick 0.18
Price $246.79
Purchase
Call (805) 388-1188
Parking Brake Hat - Standard
Rotor Bolt Circle: 12 x 8.75
Hat Offset: 1.270
Wheel Stud Circle(s): 6 Holes  on 4.250      
Type: Parking Brake Hat - Standard
Mount Type: Fixed Mount
Material: Aluminum
Parking Brake Hat - Standard

Parking Brake Hat - Standard Drawing Parking Brake Hat - Standard Drawing Zoom Image

Parking Brake Hat - Standard Description

These premium grade aluminum hats are used with Wilwood's internal shoe parking brake kits. Each hat is a precision machined, threaded hole design for use in conjunction with through-hole mount rotors. After machining, the hats are electro-coated for corrosion resistance.
NOTE & CAUTIONS:

Ordering Information for Parking Brake Hat - Standard
Item No 170-15503
Info Details
Center Reg Dia 3.28
Whl Stud Cir Dia/Stud Dia 4.250 / 0.530 
I.D. Clear(in) 6.50
Shoe I.D. 7.55
Face Thick 0.31
Price $246.79
Purchase
Call (805) 388-1188
Big Brake Hat - Short Offset
Rotor Bolt Circle: 12 x 8.75
Hat Offset: 1.272
Wheel Stud Circle(s): 6 Holes  on 5.500      
Type: Big Brake Hat - Short Offset
Mount Type: Fixed Mount
Material: Aluminum
Big Brake Hat - Short Offset

Big Brake Hat - Short Offset Drawing Big Brake Hat - Short Offset Drawing

Big Brake Hat - Short Offset Description

GT Series Big Brake Short Offset hats are precision machined from premium aluminum alloys for high strength and attention to minimized weight. Hats in this category feature threaded rotor mount holes for use with standard through-hole mount rotors. Threaded hole hats may also be used with T-Nuts or bobbins designed for use with specially machined slotted hole dynamic mount rotors. When used in conjunction with matched Wilwood rotor hardware kits, GT hats provide solid, reliable performance in the most demanding conditions. Short Offset Hats are for narrow space applications with offsets often less than 1.00". They are available for most rotor bolt patterns in a variety of four and five lug wheel patterns.
NOTE & CAUTIONS:

Ordering Information for Big Brake Hat - Short Offset
Item No 170-18172
Info Details
Center Reg Dia 4.00
Whl Stud Cir Dia/Stud Dia 5.500 / 0.640 
I.D. Clear(in) 7.33
Shoe I.D.
Face Thick 0.38
Price $178.68
Purchase
Call (805) 388-1188
Parking Brake Hat - Standard
Rotor Bolt Circle: 12 x 8.75
Hat Offset: 1.320
Wheel Stud Circle(s): 5 Holes  on 4.750      
Type: Parking Brake Hat - Standard
Mount Type: Fixed Mount
Material: Aluminum
Parking Brake Hat - Standard

Parking Brake Hat - Standard Drawing Parking Brake Hat - Standard Drawing Zoom Image

Parking Brake Hat - Standard Description

These premium grade aluminum hats are used with Wilwood's internal shoe parking brake kits. Each hat is a precision machined, threaded hole design for use in conjunction with through-hole mount rotors. After machining, the hats are electro-coated for corrosion resistance.
NOTE & CAUTIONS:

Ordering Information for Parking Brake Hat - Standard
Item No 170-13908
Info Details
Center Reg Dia 2.78
Whl Stud Cir Dia/Stud Dia 4.750 / 0.520 
I.D. Clear(in) 6.47
Shoe I.D. 7.48
Face Thick 0.25
Price $246.79
Purchase
Call (805) 388-1188
Parking Brake Hat - Standard
Rotor Bolt Circle: 12 x 8.75
Hat Offset: 1.320
Wheel Stud Circle(s): 5 Holes  on 4.500      
Type: Parking Brake Hat - Standard
Mount Type: Fixed Mount
Material: Iron
Parking Brake Hat - Standard

Parking Brake Hat - Standard Drawing Parking Brake Hat - Standard Drawing Zoom Image

Parking Brake Hat - Standard Description

These premium grade cast iron hats are used with Wilwood's internal shoe parking brake kits. Each hat is a precision machined, threaded hole design for use in conjunction with through-hole mount rotors. After machining, the hats are electro-coated for corrosion resistance.
NOTE & CAUTIONS:
3.06 " diameter register with counterbore for register ring.
Ordering Information for Parking Brake Hat - Standard
Item No 170-13051
Info Details
Center Reg Dia 3.06
Whl Stud Cir Dia/Stud Dia 4.500 / 0.520 
I.D. Clear(in) 6.77
Shoe I.D. 7.48
Face Thick 0.25
Price $246.79
Purchase
Call (805) 388-1188
Parking Brake Hat - Standard
Rotor Bolt Circle: 12 x 8.75
Hat Offset: 1.340
Wheel Stud Circle(s): 5 Holes  on 4.530  ;  4.750  ;  5.000
Type: Parking Brake Hat - Standard
Mount Type: Fixed Mount
Material: Aluminum
Parking Brake Hat - Standard

Parking Brake Hat - Standard Drawing Parking Brake Hat - Standard Drawing Zoom Image

Parking Brake Hat - Standard Description

These premium grade aluminum hats are used with Wilwood's internal shoe parking brake kits. Each hat is a precision machined, threaded hole design for use in conjunction with through-hole mount rotors. After machining, the hats are electro-coated for corrosion resistance.
NOTE & CAUTIONS:
3.06 " diameter register with counterbore for register ring.
Ordering Information for Parking Brake Hat - Standard
Item No 170-13904
Info Details
Center Reg Dia 3.06
Whl Stud Cir Dia/Stud Dia 4.530 / 0.610 
I.D. Clear(in) 6.85
Shoe I.D. 7.23
Face Thick 0.18
Price $246.79
Purchase
Call (805) 388-1188
Big Brake Hat - Flared Bell
Rotor Bolt Circle: 12 x 8.75
Hat Offset: 1.380
Wheel Stud Circle(s): 5 Holes  on 4.750  ;  5.000   
Type: Big Brake Hat - Flared Bell
Mount Type: Fixed Mount
Material: Aluminum
Big Brake Hat - Flared Bell

Big Brake Hat - Flared Bell Drawing Big Brake Hat - Flared Bell Drawing Zoom Image

Big Brake Hat - Flared Bell Description

GT Series Big Brake Flared Bell hats are precision machined from premium aluminum alloys for high strength and attention to minimized weight. Hats in this category feature threaded rotor mount holes for use with standard through-hole mount rotors. Threaded hole hats may also be used with T-Nuts or bobbins designed for use with specially machined slotted hole dynamic mount rotors. When used in conjunction with matched Wilwood rotor hardware kits, GT hats provide solid, reliable performance in the most demanding conditions.Flared Bell Hats are generally used with rotor mount bolt circles of 8.38" and larger. Offsets range from 1.88" to 3.00" for rotor diameters 12.19" and up.
NOTE & CAUTIONS:
3.06 " diameter register with counterbore for register ring.
Ordering Information for Big Brake Hat - Flared Bell
Item No 170-14209
Info Details
Center Reg Dia 3.06
Whl Stud Cir Dia/Stud Dia 4.750 / 0.520 
I.D. Clear(in) 6.58
Shoe I.D.
Face Thick 0.25
Price $216.70
Purchase
Call (805) 388-1188
Big Brake Hat - Flared Bell
Rotor Bolt Circle: 12 x 8.75
Hat Offset: 1.380
Wheel Stud Circle(s): 5 Holes  on 4.500      
Type: Big Brake Hat - Flared Bell
Mount Type: Fixed Mount
Material: Aluminum
Big Brake Hat - Flared Bell

Big Brake Hat - Flared Bell Drawing Big Brake Hat - Flared Bell Drawing Zoom Image

Big Brake Hat - Flared Bell Description

GT Series Big Brake Flared Bell hats are precision machined from premium aluminum alloys for high strength and attention to minimized weight. Hats in this category feature threaded rotor mount holes for use with standard through-hole mount rotors. Threaded hole hats may also be used with T-Nuts or bobbins designed for use with specially machined slotted hole dynamic mount rotors. When used in conjunction with matched Wilwood rotor hardware kits, GT hats provide solid, reliable performance in the most demanding conditions.Flared Bell Hats are generally used with rotor mount bolt circles of 8.38" and larger. Offsets range from 1.88" to 3.00" for rotor diameters 12.19" and up.
NOTE & CAUTIONS:

Ordering Information for Big Brake Hat - Flared Bell
Item No 170-13926
Info Details
Center Reg Dia 2.80
Whl Stud Cir Dia/Stud Dia 4.500 / 0.630 
I.D. Clear(in) 6.78
Shoe I.D.
Face Thick 0.25
Price $216.70
Purchase
Call (805) 388-1188
Big Brake Dynamic Hat - Flared Bell
Rotor Bolt Circle: 12 x 8.75
Hat Offset: 1.380
Wheel Stud Circle(s): 5 Holes  on 4.500      
Type: Big Brake Dynamic Hat - Flared Bell
Mount Type: Dynamic Mount
Material: Aluminum
Big Brake Dynamic Hat - Flared Bell

Big Brake Dynamic Hat - Flared Bell Drawing Big Brake Dynamic Hat - Flared Bell Drawing Zoom Image

Big Brake Dynamic Hat - Flared Bell Description

GT Series Dynamic Mount Rotor Hats are engineered to withstand the rigors and demands of extreme motorsports competition. Each hat is precision machined from premium grade aluminum offering high strength with low unsprung and rotating weight. Wilwood T-nuts float within the hat and provide true dynamic mounting of a standard through-hole mount rotor. The wide load bearing load surface of the T-nut and the straight through-hole mount rotors provide the most durable and accurate method of isolating potential pad engagement harmonics and the in-service thermal variations that occur between the hat and the rotor.
NOTE & CAUTIONS:

Ordering Information for Big Brake Dynamic Hat - Flared Bell
Item No 170-14293
Info Details
Center Reg Dia 2.80
Whl Stud Cir Dia/Stud Dia 4.500 / 0.630 
I.D. Clear(in) 6.50
Shoe I.D.
Face Thick 0.28
Price $323.89
Purchase
Call (805) 388-1188
Big Brake Hat - Flared Bell
Rotor Bolt Circle: 12 x 8.75
Hat Offset: 1.380
Wheel Stud Circle(s): 5 Holes  on 4.500  ;  5.000  ;  4.750
Type: Big Brake Hat - Flared Bell
Mount Type: Fixed Mount
Material: Aluminum
Big Brake Hat - Flared Bell

Big Brake Hat - Flared Bell Drawing Big Brake Hat - Flared Bell Drawing Zoom Image

Big Brake Hat - Flared Bell Description

GT Series Big Brake Flared Bell hats are precision machined from premium aluminum alloys for high strength and attention to minimized weight. Hats in this category feature threaded rotor mount holes for use with standard through-hole mount rotors. Threaded hole hats may also be used with T-Nuts or bobbins designed for use with specially machined slotted hole dynamic mount rotors. When used in conjunction with matched Wilwood rotor hardware kits, GT hats provide solid, reliable performance in the most demanding conditions.Flared Bell Hats are generally used with rotor mount bolt circles of 8.38" and larger. Offsets range from 1.88" to 3.00" for rotor diameters 12.19" and up.
NOTE & CAUTIONS:
3.06 " diameter register with counterbore for register ring.
Ordering Information for Big Brake Hat - Flared Bell
Item No 170-11965
Info Details
Center Reg Dia 3.06
Whl Stud Cir Dia/Stud Dia 4.500 / 0.520 
I.D. Clear(in) 6.40
Shoe I.D.
Face Thick 0.28
Price $216.70
Purchase
Call (805) 388-1188
Big Brake Hat - Flared Bell
Rotor Bolt Circle: 12 x 8.75
Hat Offset: 1.380
Wheel Stud Circle(s): 6 Holes  on 5.500      
Type: Big Brake Hat - Flared Bell
Mount Type: Fixed Mount
Material: Aluminum
Big Brake Hat - Flared Bell

Big Brake Hat - Flared Bell Drawing Big Brake Hat - Flared Bell Drawing Zoom Image

Big Brake Hat - Flared Bell Description

GT Series Big Brake Flared Bell hats are precision machined from premium aluminum alloys for high strength and attention to minimized weight. Hats in this category feature threaded rotor mount holes for use with standard through-hole mount rotors. Threaded hole hats may also be used with T-Nuts or bobbins designed for use with specially machined slotted hole dynamic mount rotors. When used in conjunction with matched Wilwood rotor hardware kits, GT hats provide solid, reliable performance in the most demanding conditions.Flared Bell Hats are generally used with rotor mount bolt circles of 8.38" and larger. Offsets range from 1.88" to 3.00" for rotor diameters 12.19" and up.
NOTE & CAUTIONS:
3.06 " diameter register with counterbore for register ring.
Ordering Information for Big Brake Hat - Flared Bell
Item No 170-15937
Info Details
Center Reg Dia 3.06
Whl Stud Cir Dia/Stud Dia 5.500 / 0.520 
I.D. Clear(in) 6.58
Shoe I.D.
Face Thick 0.25
Price $235.77
Purchase
Call (805) 388-1188
Big Brake Hat - Short Offset
Rotor Bolt Circle: 12 x 8.75
Hat Offset: 1.380
Wheel Stud Circle(s): 0 Holes  on       
Type: Big Brake Hat - Short Offset
Mount Type: Fixed Mount
Material: Aluminum
Big Brake Hat - Short Offset

Big Brake Hat - Short Offset Drawing Big Brake Hat - Short Offset Drawing Zoom Image

Big Brake Hat - Short Offset Description

GT Series Big Brake Short Offset hats are precision machined from premium aluminum alloys for high strength and attention to minimized weight. Hats in this category feature threaded rotor mount holes for use with standard through-hole mount rotors. Threaded hole hats may also be used with T-Nuts or bobbins designed for use with specially machined slotted hole dynamic mount rotors. When used in conjunction with matched Wilwood rotor hardware kits, GT hats provide solid, reliable performance in the most demanding conditions. Short Offset Hats are for narrow space applications with offsets often less than 1.00". They are available for most rotor bolt patterns in a variety of four and five lug wheel patterns.
NOTE & CAUTIONS:

Ordering Information for Big Brake Hat - Short Offset
Item No 171-14579
Info Details
Center Reg Dia 2.81
Whl Stud Cir Dia/Stud Dia 0.000 / 0.000 
I.D. Clear(in) 6.40
Shoe I.D.
Face Thick 0.25
Price $246.79
Purchase
Call (805) 388-1188
Parking Brake Hat - Standard
Rotor Bolt Circle: 12 x 8.75
Hat Offset: 1.390
Wheel Stud Circle(s): 5 Holes  on 4.500      
Type: Parking Brake Hat - Standard
Mount Type: Fixed Mount
Material: Aluminum
Parking Brake Hat - Standard

Parking Brake Hat - Standard Drawing Parking Brake Hat - Standard Drawing

Parking Brake Hat - Standard Description

These premium grade aluminum hats are used with Wilwood's internal shoe parking brake kits. Each hat is a precision machined, threaded hole design for use in conjunction with through-hole mount rotors. After machining, the hats are electro-coated for corrosion resistance.
NOTE & CAUTIONS:

Ordering Information for Parking Brake Hat - Standard
Item No 170-18079
Info Details
Center Reg Dia 2.69
Whl Stud Cir Dia/Stud Dia 4.500 / 0.500 
I.D. Clear(in) 6.60
Shoe I.D. 6.77
Face Thick 0.18
Price $356.84
Purchase
Call (805) 388-1188
Big Brake Hat - Flared Bell
Rotor Bolt Circle: 12 x 8.75
Hat Offset: 1.470
Wheel Stud Circle(s): 5 Holes  on 5.000  ;  4.750   
Type: Big Brake Hat - Flared Bell
Mount Type: Fixed Mount
Material: Aluminum
Big Brake Hat - Flared Bell

Big Brake Hat - Flared Bell Drawing Big Brake Hat - Flared Bell Drawing

Big Brake Hat - Flared Bell Description

GT Series Big Brake Flared Bell hats are precision machined from premium aluminum alloys for high strength and attention to minimized weight. Hats in this category feature threaded rotor mount holes for use with standard through-hole mount rotors. Threaded hole hats may also be used with T-Nuts or bobbins designed for use with specially machined slotted hole dynamic mount rotors. When used in conjunction with matched Wilwood rotor hardware kits, GT hats provide solid, reliable performance in the most demanding conditions.Flared Bell Hats are generally used with rotor mount bolt circles of 8.38" and larger. Offsets range from 1.88" to 3.00" for rotor diameters 12.19" and up.
NOTE & CAUTIONS:
3.06 " diameter register with counterbore for register ring.
Ordering Information for Big Brake Hat - Flared Bell
Item No 170-17090
Info Details
Center Reg Dia 3.06
Whl Stud Cir Dia/Stud Dia 5.000 / 0.520 
I.D. Clear(in) 6.41
Shoe I.D.
Face Thick 0.25
Price $216.70
Purchase
Call (805) 388-1188
Big Brake Hat - Flared Bell
Rotor Bolt Circle: 12 x 8.75
Hat Offset: 1.500
Wheel Stud Circle(s): 5 Holes  on 4.500  ;  4.750   
Type: Big Brake Hat - Flared Bell
Mount Type: Fixed Mount
Material: Aluminum
Big Brake Hat - Flared Bell

Big Brake Hat - Flared Bell Drawing Big Brake Hat - Flared Bell Drawing Zoom Image

Big Brake Hat - Flared Bell Description

GT Series Big Brake Flared Bell hats are precision machined from premium aluminum alloys for high strength and attention to minimized weight. Hats in this category feature threaded rotor mount holes for use with standard through-hole mount rotors. Threaded hole hats may also be used with T-Nuts or bobbins designed for use with specially machined slotted hole dynamic mount rotors. When used in conjunction with matched Wilwood rotor hardware kits, GT hats provide solid, reliable performance in the most demanding conditions.Flared Bell Hats are generally used with rotor mount bolt circles of 8.38" and larger. Offsets range from 1.88" to 3.00" for rotor diameters 12.19" and up.
NOTE & CAUTIONS:
3.06 " diameter register with counterbore for register ring.
Ordering Information for Big Brake Hat - Flared Bell
Item No 170-11937
Info Details
Center Reg Dia 3.06
Whl Stud Cir Dia/Stud Dia 4.500 / 0.520 
I.D. Clear(in) 6.40
Shoe I.D.
Face Thick 0.25
Price $216.70
Purchase
Call (805) 388-1188
Big Brake Hat - Flared Bell
Rotor Bolt Circle: 12 x 8.75
Hat Offset: 1.500
Wheel Stud Circle(s): 5 Holes  on 4.500  ;  4.750   
Type: Big Brake Hat - Flared Bell
Mount Type: Fixed Mount
Material: Aluminum
Big Brake Hat - Flared Bell

Big Brake Hat - Flared Bell Drawing Big Brake Hat - Flared Bell Drawing Zoom Image

Big Brake Hat - Flared Bell Description

GT Series Big Brake Flared Bell hats are precision machined from premium aluminum alloys for high strength and attention to minimized weight. Hats in this category feature threaded rotor mount holes for use with standard through-hole mount rotors. Threaded hole hats may also be used with T-Nuts or bobbins designed for use with specially machined slotted hole dynamic mount rotors. When used in conjunction with matched Wilwood rotor hardware kits, GT hats provide solid, reliable performance in the most demanding conditions.Flared Bell Hats are generally used with rotor mount bolt circles of 8.38" and larger. Offsets range from 1.88" to 3.00" for rotor diameters 12.19" and up.
NOTE & CAUTIONS:
3.06 " diameter register with counterbore for register ring.
Ordering Information for Big Brake Hat - Flared Bell
Item No 170-12516
Info Details
Center Reg Dia 3.06
Whl Stud Cir Dia/Stud Dia 4.500 / 0.520 
I.D. Clear(in) 6.40
Shoe I.D.
Face Thick 0.25
Price $246.79
Purchase
Call (805) 388-1188
Truck Hat - Standard
Rotor Bolt Circle: 12 x 8.75
Hat Offset: 1.500
Wheel Stud Circle(s): 6 Holes  on 5.500      
Type: Truck Hat - Standard
Mount Type: Fixed Mount
Material: Aluminum
Truck Hat - Standard

Truck Hat - Standard Drawing Truck Hat - Standard Drawing Zoom Image

Truck Hat - Standard Description

Wilwood's Truck hats are precision machined from premium aluminum alloys for high strength and attention to minimized weight. Hats in this category feature threaded rotor mount holes for use with standard through-hole mount rotors. Truck Hats feature strengthening ribs on a flared bell configuration for big rotor brake kits on truck, SUV, and 4WD axles with either 6 or 8 lug configurations.
NOTE & CAUTIONS:

Ordering Information for Truck Hat - Standard
Item No 170-14554
Info Details
Center Reg Dia 4.26
Whl Stud Cir Dia/Stud Dia 5.500 / 0.520 
I.D. Clear(in) 6.40
Shoe I.D.
Face Thick 0.25
Price $216.70
Purchase
Call (805) 388-1188
Parking Brake Hat - Standard
Rotor Bolt Circle: 12 x 8.75
Hat Offset: 1.500
Wheel Stud Circle(s): 5 Holes  on 3.930  ;  4.500   
Type: Parking Brake Hat - Standard
Mount Type: Fixed Mount
Material: Iron
Parking Brake Hat - Standard

Parking Brake Hat - Standard Drawing Parking Brake Hat - Standard Drawing Zoom Image

Parking Brake Hat - Standard Description

These premium grade cast iron hats are used with Wilwood's internal shoe parking brake kits. Each hat is a precision machined, threaded hole design for use in conjunction with through-hole mount rotors. After machining, the hats are electro-coated for corrosion resistance.
NOTE & CAUTIONS:
3.06 " diameter register with counterbore for register ring.
Ordering Information for Parking Brake Hat - Standard
Item No 170-13971
Info Details
Center Reg Dia 3.06
Whl Stud Cir Dia/Stud Dia 3.930 / 0.520 
I.D. Clear(in) 6.90
Shoe I.D. 7.48
Face Thick 0.26
Price $246.79
Purchase
Call (805) 388-1188
Parking Brake Hat - Standard
Rotor Bolt Circle: 12 x 8.75
Hat Offset: 1.500
Wheel Stud Circle(s): 5 Holes  on 3.930      
Type: Parking Brake Hat - Standard
Mount Type: Fixed Mount
Material: Aluminum
Parking Brake Hat - Standard

Parking Brake Hat - Standard Drawing Parking Brake Hat - Standard Drawing Zoom Image

Parking Brake Hat - Standard Description

These premium grade aluminum hats are used with Wilwood's internal shoe parking brake kits. Each hat is a precision machined, threaded hole design for use in conjunction with through-hole mount rotors. After machining, the hats are electro-coated for corrosion resistance.
NOTE & CAUTIONS:
3.06 " diameter register with counterbore for register ring.
Ordering Information for Parking Brake Hat - Standard
Item No 170-13907
Info Details
Center Reg Dia 3.06
Whl Stud Cir Dia/Stud Dia 3.930 / 0.520 
I.D. Clear(in) 6.83
Shoe I.D. 7.48
Face Thick 0.26
Price $246.79
Purchase
Call (805) 388-1188
Parking Brake Hat - Standard
Rotor Bolt Circle: 12 x 8.75
Hat Offset: 1.510
Wheel Stud Circle(s): 5 Holes  on 3.930      
Type: Parking Brake Hat - Standard
Mount Type: Fixed Mount
Material: Iron
Parking Brake Hat - Standard

Parking Brake Hat - Standard Drawing Parking Brake Hat - Standard Drawing Zoom Image

Parking Brake Hat - Standard Description

These premium grade cast iron hats are used with Wilwood's internal shoe parking brake kits. Each hat is a precision machined, threaded hole design for use in conjunction with through-hole mount rotors. After machining, the hats are electro-coated for corrosion resistance.
NOTE & CAUTIONS:
3.06 " diameter register with counterbore for register ring.
Ordering Information for Parking Brake Hat - Standard
Item No 170-12854
Info Details
Center Reg Dia 3.06
Whl Stud Cir Dia/Stud Dia 3.930 / 0.520 
I.D. Clear(in) 5.87
Shoe I.D. 6.69
Face Thick 0.26
Price $258.97
Purchase
Call (805) 388-1188
Parking Brake Hat - Truck
Rotor Bolt Circle: 12 x 8.75
Hat Offset: 1.530
Wheel Stud Circle(s): 6 Holes  on 5.500      
Type: Parking Brake Hat - Truck
Mount Type: Fixed Mount
Material: Aluminum
Parking Brake Hat - Truck

Parking Brake Hat - Truck Drawing Parking Brake Hat - Truck Drawing

Parking Brake Hat - Truck Description

These premium grade cast iron hats make it possible to use bolt-on rotors on vehicles equipped with OEM internal shoe parking brake assemblies. Each hat is a precision machined, threaded hole design for use in conjunction with through-hole mount rotors. After machining, the hats are electro-coated for corrosion resistance. Used for big rotor brake kits on truck, SUV, and 4WD axles with either 6 or 8 lug configurations.
NOTE & CAUTIONS:

Ordering Information for Parking Brake Hat - Truck
Item No 170-18173
Info Details
Center Reg Dia 3.57
Whl Stud Cir Dia/Stud Dia 5.500 / 0.520 
I.D. Clear(in) 6.85
Shoe I.D. 7.24
Face Thick 0.18
Price $171.44
Purchase
Call (805) 388-1188
Parking Brake Hat - Standard
Rotor Bolt Circle: 12 x 8.75
Hat Offset: 1.540
Wheel Stud Circle(s): 0 Holes  on       
Type: Parking Brake Hat - Standard
Mount Type: Fixed Mount
Material: Iron
Parking Brake Hat - Standard

Parking Brake Hat - Standard Drawing Parking Brake Hat - Standard Drawing Zoom Image

Parking Brake Hat - Standard Description

These premium grade cast iron hats are used with Wilwood's internal shoe parking brake kits. Each hat is a precision machined, threaded hole design for use in conjunction with through-hole mount rotors. After machining, the hats are electro-coated for corrosion resistance.
NOTE & CAUTIONS:
3.06 " diameter register with counterbore for register ring.
Ordering Information for Parking Brake Hat - Standard
Item No 171-12138
Info Details
Center Reg Dia 3.06
Whl Stud Cir Dia/Stud Dia 0.000 / 0.000 
I.D. Clear(in) 6.85
Shoe I.D. 7.23
Face Thick 0.18
Price $246.79
Purchase
Call (805) 388-1188
Parking Brake Hat - Standard
Rotor Bolt Circle: 12 x 8.75
Hat Offset: 1.540
Wheel Stud Circle(s): 5 Holes  on 4.500  ;  4.750  ;  5.000
Type: Parking Brake Hat - Standard
Mount Type: Fixed Mount
Material: Iron
Image Coming Soon

Parking Brake Hat - Standard Drawing Parking Brake Hat - Standard Drawing Zoom Image

Parking Brake Hat - Standard Description

These premium grade cast iron hats are used with Wilwood's internal shoe parking brake kits. Each hat is a precision machined, threaded hole design for use in conjunction with through-hole mount rotors. After machining, the hats are electro-coated for corrosion resistance.
NOTE & CAUTIONS:
3.06 " diameter register with counterbore for register ring.
Ordering Information for Parking Brake Hat - Standard
Item No 170-9492
Info Details
Center Reg Dia 3.06
Whl Stud Cir Dia/Stud Dia 4.500 / 0.520 
I.D. Clear(in) 6.85
Shoe I.D. 7.23
Face Thick 0.18
Price $246.79
Purchase
Call (805) 388-1188
Parking Brake Hat - Standard
Rotor Bolt Circle: 12 x 8.75
Hat Offset: 1.540
Wheel Stud Circle(s): 5 Holes  on 4.500  ;  4.750  ;  5.000
Type: Parking Brake Hat - Standard
Mount Type: Fixed Mount
Material: Aluminum
Parking Brake Hat - Standard

Parking Brake Hat - Standard Drawing Parking Brake Hat - Standard Drawing Zoom Image

Parking Brake Hat - Standard Description

These premium grade aluminum hats are used with Wilwood's internal shoe parking brake kits. Each hat is a precision machined, threaded hole design for use in conjunction with through-hole mount rotors. After machining, the hats are electro-coated for corrosion resistance.
NOTE & CAUTIONS:

Ordering Information for Parking Brake Hat - Standard
Item No 170-13909
Info Details
Center Reg Dia 3.12
Whl Stud Cir Dia/Stud Dia 4.500 / 0.520 
I.D. Clear(in) 6.85
Shoe I.D. 7.23
Face Thick 0.18
Price $246.79
Purchase
Call (805) 388-1188
Parking Brake Hat - Standard
Rotor Bolt Circle: 12 x 8.75
Hat Offset: 1.540
Wheel Stud Circle(s): 5 Holes  on 5.500      
Type: Parking Brake Hat - Standard
Mount Type: Fixed Mount
Material: Iron
Parking Brake Hat - Standard

Parking Brake Hat - Standard Drawing Parking Brake Hat - Standard Drawing Zoom Image

Parking Brake Hat - Standard Description

These premium grade cast iron hats are used with Wilwood's internal shoe parking brake kits. Each hat is a precision machined, threaded hole design for use in conjunction with through-hole mount rotors. After machining, the hats are electro-coated for corrosion resistance.
NOTE & CAUTIONS:
3.06 " diameter register with counterbore for register ring.
Ordering Information for Parking Brake Hat - Standard
Item No 170-13326
Info *New* Details
Center Reg Dia 3.06
Whl Stud Cir Dia/Stud Dia 5.500 / 0.640 
I.D. Clear(in) 6.85
Shoe I.D. 7.23
Face Thick 0.18
Price $246.79
Purchase
Call (805) 388-1188
Parking Brake Hat - Standard
Rotor Bolt Circle: 12 x 8.75
Hat Offset: 1.540
Wheel Stud Circle(s): 5 Holes  on 4.500  ;  4.750  ;  5.000
Type: Parking Brake Hat - Standard
Mount Type: Fixed Mount
Material: Aluminum
Parking Brake Hat - Standard

Parking Brake Hat - Standard Drawing Parking Brake Hat - Standard Drawing Zoom Image

Parking Brake Hat - Standard Description

These premium grade aluminum hats are used with Wilwood's internal shoe parking brake kits. Each hat is a precision machined, threaded hole design for use in conjunction with through-hole mount rotors. After machining, the hats are electro-coated for corrosion resistance.
NOTE & CAUTIONS:
3.06 " diameter register with counterbore for register ring.
Ordering Information for Parking Brake Hat - Standard
Item No 170-13539
Info Details
Center Reg Dia 3.06
Whl Stud Cir Dia/Stud Dia 4.500 / 0.520 
I.D. Clear(in) 6.85
Shoe I.D. 7.23
Face Thick 0.18
Price $246.79
Purchase
Call (805) 388-1188
Parking Brake Hat - Truck
Rotor Bolt Circle: 12 x 8.75
Hat Offset: 1.541
Wheel Stud Circle(s): 6 Holes  on 5.500      
Type: Parking Brake Hat - Truck
Mount Type: Fixed Mount
Material: Aluminum
Parking Brake Hat - Truck

Parking Brake Hat - Truck Drawing Parking Brake Hat - Truck Drawing

Parking Brake Hat - Truck Description

These premium grade cast iron hats make it possible to use bolt-on rotors on vehicles equipped with OEM internal shoe parking brake assemblies. Each hat is a precision machined, threaded hole design for use in conjunction with through-hole mount rotors. After machining, the hats are electro-coated for corrosion resistance. Used for big rotor brake kits on truck, SUV, and 4WD axles with either 6 or 8 lug configurations.
NOTE & CAUTIONS:
3.06 " diameter register with counterbore for register ring.
Ordering Information for Parking Brake Hat - Truck
Item No 170-18148
Info Details
Center Reg Dia 3.06
Whl Stud Cir Dia/Stud Dia 5.500 / 0.520 
I.D. Clear(in) 6.85
Shoe I.D. 7.24
Face Thick 0.18
Price $162.44
Purchase
Call (805) 388-1188
Big Brake Dynamic Bobbin Mount Hat - Flared Bell
Rotor Bolt Circle: 12 x 8.75
Hat Offset: 1.550
Wheel Stud Circle(s): 5 Holes  on 4.720      
Type: Big Brake Dynamic Bobbin Mount Hat - Flared Bell
Mount Type: Fixed Mount
Material: Aluminum
Big Brake Dynamic Bobbin Mount Hat - Flared Bell

Big Brake Dynamic Bobbin Mount Hat - Flared Bell Drawing Big Brake Dynamic Bobbin Mount Hat - Flared Bell Drawing Zoom Image

Big Brake Dynamic Bobbin Mount Hat - Flared Bell Description

GT Series Big Brake Flared Bell hats are precision machined from premium aluminum alloys for high strength and attention to minimized weight. Hats in this category feature threaded rotor mount holes for use with standard through-hole mount rotors. Threaded hole hats may also be used with T-Nuts or bobbins designed for use with specially machined slotted hole dynamic mount rotors. When used in conjunction with matched Wilwood rotor hardware kits, GT hats provide solid, reliable performance in the most demanding conditions.Flared Bell Hats are generally used with rotor mount bolt circles of 8.38" and larger. Offsets range from 1.88" to 3.00" for rotor diameters 12.19" and up.
NOTE & CAUTIONS:

Ordering Information for Big Brake Dynamic Bobbin Mount Hat - Flared Bell
Item No 170-13584
Info Details
Center Reg Dia 3.12
Whl Stud Cir Dia/Stud Dia 4.720 / 0.520 
I.D. Clear(in) 6.41
Shoe I.D.
Face Thick 0.25
Price $216.70
Purchase
Call (805) 388-1188
Big Brake Hat - Straight Bell
Rotor Bolt Circle: 12 x 8.75
Hat Offset: 1.598
Wheel Stud Circle(s): 6 Holes  on 5.500      
Type: Big Brake Hat - Straight Bell
Mount Type: Fixed Mount
Material: Aluminum
Big Brake Hat - Straight Bell

Big Brake Hat - Straight Bell Drawing Big Brake Hat - Straight Bell Drawing

Big Brake Hat - Straight Bell Description

GT Series hats are precision machined from premium aluminum alloys for high strength and attention to minimized weight. Hats in this category feature threaded rotor mount holes for use with standard through-hole mount rotors. Threaded hole hats may also be used with T-Nuts or bobbins designed for use with specially machined slotted hole dynamic mount rotors. When used in conjunction with matched Wilwood rotor hardware kits, GT hats provide solid, reliable performance in the most demanding conditions. Straight Bell Hats are most often used with 11.75" to 13.00" diameter rotors with 6.75" or 7.00" rotor mount bolt circle rotors on stock car front hubs and rear axles.
NOTE & CAUTIONS:

Ordering Information for Big Brake Hat - Straight Bell
Item No 170-18174
Info Details
Center Reg Dia 3.57
Whl Stud Cir Dia/Stud Dia 5.500 / 0.520 
I.D. Clear(in) 6.55
Shoe I.D.
Face Thick 0.18
Price $171.38
Purchase
Call (805) 388-1188
Parking Brake Hat - Standard
Rotor Bolt Circle: 12 x 8.75
Hat Offset: 1.600
Wheel Stud Circle(s): 5 Holes  on 4.750      
Type: Parking Brake Hat - Standard
Mount Type: Fixed Mount
Material: Iron
Parking Brake Hat - Standard

Parking Brake Hat - Standard Drawing Parking Brake Hat - Standard Drawing Zoom Image

Parking Brake Hat - Standard Description

These premium grade cast iron hats make it possible to use bolt-on rotors on vehicles equipped with internal shoe parking brake assemblies. Each hat is a precision machined, threaded hole design for use in conjunction with through-hole mount rotors. After machining, the hats are electro-coated for corrosion resistance.
NOTE & CAUTIONS:

Ordering Information for Parking Brake Hat - Standard
Item No 170-10621
Info Details
Center Reg Dia 2.81
Whl Stud Cir Dia/Stud Dia 4.750 / 0.450 
I.D. Clear(in) 6.42
Shoe I.D. 6.54
Face Thick 0.29
Price $246.79
Purchase
Call (805) 388-1188
Big Brake Hat - Flared Bell
Rotor Bolt Circle: 12 x 8.75
Hat Offset: 1.620
Wheel Stud Circle(s): 5 Holes  on 4.500  ;  4.750   
Type: Big Brake Hat - Flared Bell
Mount Type: Fixed Mount
Material: Aluminum
Big Brake Hat - Flared Bell

Big Brake Hat - Flared Bell Drawing Big Brake Hat - Flared Bell Drawing Zoom Image

Big Brake Hat - Flared Bell Description

GT Series Big Brake Flared Bell hats are precision machined from premium aluminum alloys for high strength and attention to minimized weight. Hats in this category feature threaded rotor mount holes for use with standard through-hole mount rotors. Threaded hole hats may also be used with T-Nuts or bobbins designed for use with specially machined slotted hole dynamic mount rotors. When used in conjunction with matched Wilwood rotor hardware kits, GT hats provide solid, reliable performance in the most demanding conditions.Flared Bell Hats are generally used with rotor mount bolt circles of 8.38" and larger. Offsets range from 1.88" to 3.00" for rotor diameters 12.19" and up.
NOTE & CAUTIONS:

Ordering Information for Big Brake Hat - Flared Bell
Item No 170-10620
Info Details
Center Reg Dia 2.81
Whl Stud Cir Dia/Stud Dia 4.500 / 0.520 
I.D. Clear(in) 6.40
Shoe I.D.
Face Thick 0.25
Price $216.70
Purchase
Call (805) 388-1188
Big Brake Hat - Flared Bell
Rotor Bolt Circle: 12 x 8.75
Hat Offset: 1.620
Wheel Stud Circle(s): 5 Holes  on 4.750  ;  5.000   
Type: Big Brake Hat - Flared Bell
Mount Type: Fixed Mount
Material: Aluminum
Big Brake Hat - Flared Bell

Big Brake Hat - Flared Bell Drawing Big Brake Hat - Flared Bell Drawing Zoom Image

Big Brake Hat - Flared Bell Description

GT Series Big Brake Flared Bell hats are precision machined from premium aluminum alloys for high strength and attention to minimized weight. Hats in this category feature threaded rotor mount holes for use with standard through-hole mount rotors. Threaded hole hats may also be used with T-Nuts or bobbins designed for use with specially machined slotted hole dynamic mount rotors. When used in conjunction with matched Wilwood rotor hardware kits, GT hats provide solid, reliable performance in the most demanding conditions.Flared Bell Hats are generally used with rotor mount bolt circles of 8.38" and larger. Offsets range from 1.88" to 3.00" for rotor diameters 12.19" and up.
NOTE & CAUTIONS:
3.06 " diameter register with counterbore for register ring.
Ordering Information for Big Brake Hat - Flared Bell
Item No 170-10753
Info Details
Center Reg Dia 3.06
Whl Stud Cir Dia/Stud Dia 4.750 / 0.520 
I.D. Clear(in) 6.85
Shoe I.D.
Face Thick 0.25
Price $216.70
Purchase
Call (805) 388-1188
Big Brake Hat - Flared Bell
Rotor Bolt Circle: 12 x 8.75
Hat Offset: 1.620
Wheel Stud Circle(s): 5 Holes  on 4.500  ;  4.750   
Type: Big Brake Hat - Flared Bell
Mount Type: Fixed Mount
Material: Aluminum
Big Brake Hat - Flared Bell

Big Brake Hat - Flared Bell Drawing Big Brake Hat - Flared Bell Drawing Zoom Image

Big Brake Hat - Flared Bell Description

GT Series Big Brake Flared Bell hats are precision machined from premium aluminum alloys for high strength and attention to minimized weight. Hats in this category feature threaded rotor mount holes for use with standard through-hole mount rotors. Threaded hole hats may also be used with T-Nuts or bobbins designed for use with specially machined slotted hole dynamic mount rotors. When used in conjunction with matched Wilwood rotor hardware kits, GT hats provide solid, reliable performance in the most demanding conditions.Flared Bell Hats are generally used with rotor mount bolt circles of 8.38" and larger. Offsets range from 1.88" to 3.00" for rotor diameters 12.19" and up.
NOTE & CAUTIONS:
Hat is drilled and countersunk in three places to accommodate hat to hub anchoring screws used with specific Wilwood hat mount hubs. Use 230-7032 (contains 6 qty. 1/4-20 x .50 Flat Head Hex Drive mounting screws)
Ordering Information for Big Brake Hat - Flared Bell
Item No 170-10489
Info Details
Center Reg Dia 3.06
Whl Stud Cir Dia/Stud Dia 4.500 / 0.520 
I.D. Clear(in) 6.40
Shoe I.D.
Face Thick 0.25
Price $216.70
Purchase
Call (805) 388-1188
Big Brake Dynamic Hat - Flared Bell
Rotor Bolt Circle: 12 x 8.75
Hat Offset: 1.620
Wheel Stud Circle(s): 5 Holes  on 4.500  ;  4.750   
Type: Big Brake Dynamic Hat - Flared Bell
Mount Type: Dynamic Mount
Material: Aluminum
Big Brake Dynamic Hat - Flared Bell

Big Brake Dynamic Hat - Flared Bell Drawing Big Brake Dynamic Hat - Flared Bell Drawing Zoom Image

Big Brake Dynamic Hat - Flared Bell Description

GT Series Dynamic Mount Rotor Hats are engineered to withstand the rigors and demands of extreme motorsports competition. Each hat is precision machined from premium grade aluminum offering high strength with low unsprung and rotating weight. Wilwood T-nuts float within the hat and provide true dynamic mounting of a standard through-hole mount rotor. The wide load bearing load surface of the T-nut and the straight through-hole mount rotors provide the most durable and accurate method of isolating potential pad engagement harmonics and the in-service thermal variations that occur between the hat and the rotor.
NOTE & CAUTIONS:
3.06 " diameter register with counterbore for register ring.
Ordering Information for Big Brake Dynamic Hat - Flared Bell
Item No 170-14327
Info Details
Center Reg Dia 3.06
Whl Stud Cir Dia/Stud Dia 4.500 / 0.520 
I.D. Clear(in) 6.79
Shoe I.D.
Face Thick 0.25
Price $266.74
Purchase
Call (805) 388-1188
Big Brake Hat - Flared Bell
Rotor Bolt Circle: 12 x 8.75
Hat Offset: 1.620
Wheel Stud Circle(s): 6 Holes  on 5.500      
Type: Big Brake Hat - Flared Bell
Mount Type: Fixed Mount
Material: Aluminum
Big Brake Hat - Flared Bell

Big Brake Hat - Flared Bell Drawing Big Brake Hat - Flared Bell Drawing Zoom Image

Big Brake Hat - Flared Bell Description

GT Series Big Brake Flared Bell hats are precision machined from premium aluminum alloys for high strength and attention to minimized weight. Hats in this category feature threaded rotor mount holes for use with standard through-hole mount rotors. Threaded hole hats may also be used with T-Nuts or bobbins designed for use with specially machined slotted hole dynamic mount rotors. When used in conjunction with matched Wilwood rotor hardware kits, GT hats provide solid, reliable performance in the most demanding conditions.Flared Bell Hats are generally used with rotor mount bolt circles of 8.38" and larger. Offsets range from 1.88" to 3.00" for rotor diameters 12.19" and up.
NOTE & CAUTIONS:
3.06 " diameter register with counterbore for register ring.
Ordering Information for Big Brake Hat - Flared Bell
Item No 170-16442
Info Details
Center Reg Dia 3.06
Whl Stud Cir Dia/Stud Dia 5.500 / 0.000 
I.D. Clear(in) 6.70
Shoe I.D.
Face Thick
Price $216.70
Purchase
Call (805) 388-1188
Big Brake Hat - Flared Bell
Rotor Bolt Circle: 12 x 8.75
Hat Offset: 1.625
Wheel Stud Circle(s): 5 Holes  on 4.500  ;  4.750  ;  5.000
Type: Big Brake Hat - Flared Bell
Mount Type: Fixed Mount
Material: Aluminum
Big Brake Hat - Flared Bell

Big Brake Hat - Flared Bell Drawing Big Brake Hat - Flared Bell Drawing Zoom Image

Big Brake Hat - Flared Bell Description

GT Series Big Brake Flared Bell hats are precision machined from premium aluminum alloys for high strength and attention to minimized weight. Hats in this category feature threaded rotor mount holes for use with standard through-hole mount rotors. Threaded hole hats may also be used with T-Nuts or bobbins designed for use with specially machined slotted hole dynamic mount rotors. When used in conjunction with matched Wilwood rotor hardware kits, GT hats provide solid, reliable performance in the most demanding conditions.Flared Bell Hats are generally used with rotor mount bolt circles of 8.38" and larger. Offsets range from 1.88" to 3.00" for rotor diameters 12.19" and up.
NOTE & CAUTIONS:
3.06 " diameter register with counterbore for register ring.
Ordering Information for Big Brake Hat - Flared Bell
Item No 170-15859
Info Details
Center Reg Dia 3.06
Whl Stud Cir Dia/Stud Dia 4.500 / 0.520 
I.D. Clear(in) 6.23
Shoe I.D.
Face Thick 0.25
Price $216.70
Purchase
Call (805) 388-1188
Parking Brake Hat - Standard
Rotor Bolt Circle: 12 x 8.75
Hat Offset: 1.660
Wheel Stud Circle(s): 5 Holes  on 5.750      
Type: Parking Brake Hat - Standard
Mount Type: Fixed Mount
Material: Aluminum
Parking Brake Hat - Standard

Parking Brake Hat - Standard Drawing Parking Brake Hat - Standard Drawing Zoom Image

Parking Brake Hat - Standard Description

These premium grade aluminum hats are used with Wilwood's internal shoe parking brake kits. Each hat is a precision machined, threaded hole design for use in conjunction with through-hole mount rotors. After machining, the hats are electro-coated for corrosion resistance.
NOTE & CAUTIONS:

Ordering Information for Parking Brake Hat - Standard
Item No 170-13906
Info Details
Center Reg Dia 5.00
Whl Stud Cir Dia/Stud Dia 5.750 / 0.390 
I.D. Clear(in) 6.85
Shoe I.D. 7.23
Face Thick 0.19
Price $246.79
Purchase
Call (805) 388-1188
Parking Brake Hat - Standard
Rotor Bolt Circle: 12 x 8.75
Hat Offset: 1.700
Wheel Stud Circle(s): 5 Holes  on 4.720      
Type: Parking Brake Hat - Standard
Mount Type: Fixed Mount
Material: Iron
Parking Brake Hat - Standard

Parking Brake Hat - Standard Drawing Parking Brake Hat - Standard Drawing Zoom Image

Parking Brake Hat - Standard Description

These premium grade cast iron hats make it possible to use bolt-on rotors on vehicles equipped with OEM internal shoe parking brake assemblies. Each hat is a precision machined, threaded hole design for use in conjunction with through-hole mount rotors. After machining, the hats are electro-coated for corrosion resistance. Used for big rotor brake kits on Cars Truck, SUV, axles with different lug configurations.
NOTE & CAUTIONS:

Ordering Information for Parking Brake Hat - Standard
Item No 170-13585
Info Details
Center Reg Dia 2.86
Whl Stud Cir Dia/Stud Dia 4.720 / 0.490 
I.D. Clear(in) 6.90
Shoe I.D.
Face Thick 0.29
Price $246.79
Purchase
Call (805) 388-1188
Parking Brake Hat - Standard
Rotor Bolt Circle: 12 x 8.75
Hat Offset: 1.700
Wheel Stud Circle(s): 5 Holes  on 4.750      
Type: Parking Brake Hat - Standard
Mount Type: Fixed Mount
Material: Iron
Parking Brake Hat - Standard

Parking Brake Hat - Standard Drawing Parking Brake Hat - Standard Drawing Zoom Image

Parking Brake Hat - Standard Description

These premium grade cast iron hats make it possible to use bolt-on rotors on vehicles equipped with OEM internal shoe parking brake assemblies. Each hat is a precision machined, threaded hole design for use in conjunction with through-hole mount rotors. After machining, the hats are electro-coated for corrosion resistance. Used for big rotor brake kits on truck, SUV, and 4WD axles with either 6 or 8 lug configurations.
NOTE & CAUTIONS:
3.06 " diameter register with counterbore for register ring.
Ordering Information for Parking Brake Hat - Standard
Item No 170-11938
Info Details
Center Reg Dia 3.06
Whl Stud Cir Dia/Stud Dia 4.750 / 0.520 
I.D. Clear(in) 6.48
Shoe I.D. 6.98
Face Thick 0.25
Price $246.79
Purchase
Call (805) 388-1188
Parking Brake Hat - Standard
Rotor Bolt Circle: 12 x 8.75
Hat Offset: 1.720
Wheel Stud Circle(s): 5 Holes  on 4.250      
Type: Parking Brake Hat - Standard
Mount Type: Fixed Mount
Material: Aluminum
Parking Brake Hat - Standard

Parking Brake Hat - Standard Drawing Parking Brake Hat - Standard Drawing Zoom Image

Parking Brake Hat - Standard Description

These premium grade aluminum hats are used with Wilwood's internal shoe parking brake kits. Each hat is a precision machined, threaded hole design for use in conjunction with through-hole mount rotors. After machining, the hats are electro-coated for corrosion resistance.
NOTE & CAUTIONS:

Ordering Information for Parking Brake Hat - Standard
Item No 170-13905
Info Details
Center Reg Dia 3.53
Whl Stud Cir Dia/Stud Dia 4.250 / 0.390 
I.D. Clear(in) 6.85
Shoe I.D. 7.23
Face Thick 0.18
Price $246.79
Purchase
Call (805) 388-1188
Big Brake Dynamic Bobbin Mount Hat - Flared Bell
Rotor Bolt Circle: 12 x 8.75
Hat Offset: 1.740
Wheel Stud Circle(s): 5 Holes  on 4.750      
Type: Big Brake Dynamic Bobbin Mount Hat - Flared Bell
Mount Type: Dynamic Mount
Material: Aluminum
Big Brake Dynamic Bobbin Mount Hat - Flared Bell

Big Brake Dynamic Bobbin Mount Hat - Flared Bell Drawing Big Brake Dynamic Bobbin Mount Hat - Flared Bell Drawing Zoom Image

Big Brake Dynamic Bobbin Mount Hat - Flared Bell Description

Wilwood's new Dynamic Bobbin Mount Hats incorporate a new rotor mounting system that allows the rotors to move independently of the hats as they expand and contract through heat cycles. All thermally generated stress is removed from the rotor attachment points. The rotors stay flatter and run truer. Brake response and pedal feel remain consistent. Pad knock back and rotor drag are eliminated. The hats are no longer distorted by stresses generated by thermal expansion and shrinkage of the rotors. All problems associated with thermal distortion are eliminated.
NOTE & CAUTIONS:

Ordering Information for Big Brake Dynamic Bobbin Mount Hat - Flared Bell
Item No 170-13136
Info Details
Center Reg Dia 2.78
Whl Stud Cir Dia/Stud Dia 4.750 / 0.520 
I.D. Clear(in) 7.10
Shoe I.D.
Face Thick 0.25
Price $342.96
Purchase
Call (805) 388-1188
Big Brake Hat - Flared Bell
Rotor Bolt Circle: 12 x 8.75
Hat Offset: 1.750
Wheel Stud Circle(s): 5 Holes  on 4.500  ;  4.750   
Type: Big Brake Hat - Flared Bell
Mount Type: Fixed Mount
Material: Aluminum
Big Brake Hat - Flared Bell

Big Brake Hat - Flared Bell Drawing Big Brake Hat - Flared Bell Drawing Zoom Image

Big Brake Hat - Flared Bell Description

GT Series Big Brake Flared Bell hats are precision machined from premium aluminum alloys for high strength and attention to minimized weight. Hats in this category feature threaded rotor mount holes for use with standard through-hole mount rotors. Threaded hole hats may also be used with T-Nuts or bobbins designed for use with specially machined slotted hole dynamic mount rotors. When used in conjunction with matched Wilwood rotor hardware kits, GT hats provide solid, reliable performance in the most demanding conditions.Flared Bell Hats are generally used with rotor mount bolt circles of 8.38" and larger. Offsets range from 1.88" to 3.00" for rotor diameters 12.19" and up.
NOTE & CAUTIONS:
3.06 " diameter register with counterbore for register ring.
Ordering Information for Big Brake Hat - Flared Bell
Item No 170-14268
Info Details
Center Reg Dia 3.06
Whl Stud Cir Dia/Stud Dia 4.500 / 0.560 
I.D. Clear(in) 6.41
Shoe I.D.
Face Thick 0.25
Price $216.70
Purchase
Call (805) 388-1188
Big Brake Dynamic Hat - Flared Bell
Rotor Bolt Circle: 12 x 8.75
Hat Offset: 1.750
Wheel Stud Circle(s): 5 Holes  on 4.500  ;  4.750   
Type: Big Brake Dynamic Hat - Flared Bell
Mount Type: Dynamic Mount
Material: Aluminum
Big Brake Dynamic Hat - Flared Bell

Big Brake Dynamic Hat - Flared Bell Drawing Big Brake Dynamic Hat - Flared Bell Drawing Zoom Image

Big Brake Dynamic Hat - Flared Bell Description

GT Series Dynamic Mount Rotor Hats are engineered to withstand the rigors and demands of extreme motorsports competition. Each hat is precision machined from premium grade aluminum offering high strength with low unsprung and rotating weight. Wilwood T-nuts float within the hat and provide true dynamic mounting of a standard through-hole mount rotor. The wide load bearing load surface of the T-nut and the straight through-hole mount rotors provide the most durable and accurate method of isolating potential pad engagement harmonics and the in-service thermal variations that occur between the hat and the rotor.
NOTE & CAUTIONS:
3.06 " diameter register with counterbore for register ring.
Ordering Information for Big Brake Dynamic Hat - Flared Bell
Item No 170-14328
Info Details
Center Reg Dia 3.06
Whl Stud Cir Dia/Stud Dia 4.500 / 0.520 
I.D. Clear(in) 6.99
Shoe I.D.
Face Thick 0.25
Price $266.74
Purchase
Call (805) 388-1188
Big Brake Hat - Flared Bell
Rotor Bolt Circle: 12 x 8.75
Hat Offset: 1.750
Wheel Stud Circle(s): 5 Holes  on 4.500  ;  4.750   
Type: Big Brake Hat - Flared Bell
Mount Type: Fixed Mount
Material: Aluminum
Big Brake Hat - Flared Bell

Big Brake Hat - Flared Bell Drawing Big Brake Hat - Flared Bell Drawing Zoom Image

Big Brake Hat - Flared Bell Description

GT Series Big Brake Flared Bell hats are precision machined from premium aluminum alloys for high strength and attention to minimized weight. Hats in this category feature threaded rotor mount holes for use with standard through-hole mount rotors. Threaded hole hats may also be used with T-Nuts or bobbins designed for use with specially machined slotted hole dynamic mount rotors. When used in conjunction with matched Wilwood rotor hardware kits, GT hats provide solid, reliable performance in the most demanding conditions.Flared Bell Hats are generally used with rotor mount bolt circles of 8.38" and larger. Offsets range from 1.88" to 3.00" for rotor diameters 12.19" and up.
NOTE & CAUTIONS:
Hat is drilled and countersunk in three places to accommodate hat to hub anchoring screws used with specific Wilwood hat mount hubs. Use 230-7032 (contains 6 qty. 1/4-20 x .50 Flat Head Hex Drive mounting screws)
Ordering Information for Big Brake Hat - Flared Bell
Item No 170-7467
Info Details
Center Reg Dia 3.06
Whl Stud Cir Dia/Stud Dia 4.500 / 0.520 
I.D. Clear(in) 6.40
Shoe I.D.
Face Thick 0.25
Price $216.70
Purchase
Call (805) 388-1188
Big Brake Hat - Short Offset
Rotor Bolt Circle: 12 x 8.75
Hat Offset: 1.750
Wheel Stud Circle(s): 0 Holes  on       
Type: Big Brake Hat - Short Offset
Mount Type: Fixed Mount
Material: Aluminum
Big Brake Hat - Short Offset

Big Brake Hat - Short Offset Drawing Big Brake Hat - Short Offset Drawing Zoom Image

Big Brake Hat - Short Offset Description

GT Series Big Brake Short Offset hats are precision machined from premium aluminum alloys for high strength and attention to minimized weight. Hats in this category feature threaded rotor mount holes for use with standard through-hole mount rotors. Threaded hole hats may also be used with T-Nuts or bobbins designed for use with specially machined slotted hole dynamic mount rotors. When used in conjunction with matched Wilwood rotor hardware kits, GT hats provide solid, reliable performance in the most demanding conditions. Short Offset Hats are for narrow space applications with offsets often less than 1.00". They are available for most rotor bolt patterns in a variety of four and five lug wheel patterns.
NOTE & CAUTIONS:

Ordering Information for Big Brake Hat - Short Offset
Item No 171-14580
Info Details
Center Reg Dia 2.81
Whl Stud Cir Dia/Stud Dia 0.000 / 0.000 
I.D. Clear(in) 6.40
Shoe I.D.
Face Thick 0.25
Price $246.79
Purchase
Call (805) 388-1188
Big Brake Hat - Flared Bell
Rotor Bolt Circle: 12 x 8.75
Hat Offset: 1.880
Wheel Stud Circle(s): 5 Holes  on 4.500  ;  4.750   
Type: Big Brake Hat - Flared Bell
Mount Type: Fixed Mount
Material: Aluminum
Big Brake Hat - Flared Bell

Big Brake Hat - Flared Bell Drawing Big Brake Hat - Flared Bell Drawing Zoom Image

Big Brake Hat - Flared Bell Description

GT Series Big Brake Flared Bell hats are precision machined from premium aluminum alloys for high strength and attention to minimized weight. Hats in this category feature threaded rotor mount holes for use with standard through-hole mount rotors. Threaded hole hats may also be used with T-Nuts or bobbins designed for use with specially machined slotted hole dynamic mount rotors. When used in conjunction with matched Wilwood rotor hardware kits, GT hats provide solid, reliable performance in the most demanding conditions.Flared Bell Hats are generally used with rotor mount bolt circles of 8.38" and larger. Offsets range from 1.88" to 3.00" for rotor diameters 12.19" and up.
NOTE & CAUTIONS:
Hat is drilled and countersunk in three places to accommodate hat to hub anchoring screws used with specific Wilwood hat mount hubs. Use 230-7032 (contains 6 qty. 1/4-20 x .50 Flat Head Hex Drive mounting screws)
Ordering Information for Big Brake Hat - Flared Bell
Item No 170-6994
Info Details
Center Reg Dia 3.06
Whl Stud Cir Dia/Stud Dia 4.500 / 0.520 
I.D. Clear(in) 6.40
Shoe I.D.
Face Thick 0.25
Price $216.70
Purchase
Call (805) 388-1188
Big Brake Hat - Flared Bell
Rotor Bolt Circle: 12 x 8.75
Hat Offset: 1.880
Wheel Stud Circle(s): 5 Holes  on 4.500  ;  5.000   
Type: Big Brake Hat - Flared Bell
Mount Type: Fixed Mount
Material: Aluminum
Big Brake Hat - Flared Bell

Big Brake Hat - Flared Bell Drawing Big Brake Hat - Flared Bell Drawing Zoom Image

Big Brake Hat - Flared Bell Description

GT Series Big Brake Flared Bell hats are precision machined from premium aluminum alloys for high strength and attention to minimized weight. Hats in this category feature threaded rotor mount holes for use with standard through-hole mount rotors. Threaded hole hats may also be used with T-Nuts or bobbins designed for use with specially machined slotted hole dynamic mount rotors. When used in conjunction with matched Wilwood rotor hardware kits, GT hats provide solid, reliable performance in the most demanding conditions.Flared Bell Hats are generally used with rotor mount bolt circles of 8.38" and larger. Offsets range from 1.88" to 3.00" for rotor diameters 12.19" and up.
NOTE & CAUTIONS:
Hat is drilled and countersunk in three places to accommodate hat to hub anchoring screws used with specific Wilwood hat mount hubs. Use 230-7032 (contains 6 qty. 1/4-20 x .50 Flat Head Hex Drive mounting screws)
Ordering Information for Big Brake Hat - Flared Bell
Item No 170-15150
Info Details
Center Reg Dia 3.06
Whl Stud Cir Dia/Stud Dia 4.500 / 0.520 
I.D. Clear(in) 6.40
Shoe I.D.
Face Thick 0.25
Price $216.70
Purchase
Call (805) 388-1188
Parking Brake Hat - Standard
Rotor Bolt Circle: 12 x 8.75
Hat Offset: 1.950
Wheel Stud Circle(s): 5 Holes  on 4.500  ;  4.750  ;  5.000
Type: Parking Brake Hat - Standard
Mount Type: Fixed Mount
Material: Aluminum
Parking Brake Hat - Standard

Parking Brake Hat - Standard Drawing Parking Brake Hat - Standard Drawing Zoom Image

Parking Brake Hat - Standard Description

These premium grade aluminum hats are used with Wilwood's internal shoe parking brake kits. Each hat is a precision machined, threaded hole design for use in conjunction with through-hole mount rotors. After machining, the hats are electro-coated for corrosion resistance.
NOTE & CAUTIONS:
3.06 " diameter register with counterbore for register ring.
Ordering Information for Parking Brake Hat - Standard
Item No 170-13540
Info Details
Center Reg Dia 3.06
Whl Stud Cir Dia/Stud Dia 4.500 / 0.520 
I.D. Clear(in) 6.85
Shoe I.D. 7.23
Face Thick 0.18
Price $246.79
Purchase
Call (805) 388-1188
Parking Brake Hat - Dynamic Bobbin Mount
Rotor Bolt Circle: 12 x 8.75
Hat Offset: 1.950
Wheel Stud Circle(s): 5 Holes  on 4.500  ;  4.750  ;  5.000
Type: Parking Brake Hat - Dynamic Bobbin Mount
Mount Type: Dynamic Mount
Material: Iron
Parking Brake Hat - Dynamic Bobbin Mount

Parking Brake Hat - Dynamic Bobbin Mount Drawing Parking Brake Hat - Dynamic Bobbin Mount Drawing Zoom Image

Parking Brake Hat - Dynamic Bobbin Mount Description

Wilwood's new Dynamic Bobbin Mount Hats incorporate a new rotor mounting system that allows the rotors to move independently of the hats as they expand and contract through heat cycles. All thermally generated stress is removed from the rotor attachment points. The rotors stay flatter and run truer. Brake response and pedal feel remain consistent. Pad knock back and rotor drag are eliminated. The hats are no longer distorted by stresses generated by thermal expansion and shrinkage of the rotors. All problems associated with thermal distortion are eliminated.
NOTE & CAUTIONS:
3.06 " diameter register with counterbore for register ring.
Ordering Information for Parking Brake Hat - Dynamic Bobbin Mount
Item No 170-12625
Info Details
Center Reg Dia 3.06
Whl Stud Cir Dia/Stud Dia 4.500 / 0.520 
I.D. Clear(in) 6.85
Shoe I.D. 7.23
Face Thick 0.18
Price $342.96
Purchase
Call (805) 388-1188
Parking Brake Hat - Standard
Rotor Bolt Circle: 12 x 8.75
Hat Offset: 1.950
Wheel Stud Circle(s): 5 Holes  on 4.500  ;  4.750  ;  5.000
Type: Parking Brake Hat - Standard
Mount Type: Fixed Mount
Material: Iron
Image Coming Soon

Parking Brake Hat - Standard Drawing Parking Brake Hat - Standard Drawing Zoom Image

Parking Brake Hat - Standard Description

These premium grade cast iron hats are used with Wilwood's internal shoe parking brake kits. Each hat is a precision machined, threaded hole design for use in conjunction with through-hole mount rotors. After machining, the hats are electro-coated for corrosion resistance.
NOTE & CAUTIONS:
3.06 " diameter register with counterbore for register ring.
Ordering Information for Parking Brake Hat - Standard
Item No 170-9493
Info Details
Center Reg Dia 3.06
Whl Stud Cir Dia/Stud Dia 4.500 / 0.520 
I.D. Clear(in) 6.85
Shoe I.D. 7.23
Face Thick 0.18
Price $246.79
Purchase
Call (805) 388-1188
Parking Brake Hat - Standard
Rotor Bolt Circle: 12 x 8.75
Hat Offset: 1.950
Wheel Stud Circle(s): 0 Holes  on       
Type: Parking Brake Hat - Standard
Mount Type: Fixed Mount
Material: Iron
Parking Brake Hat - Standard

Parking Brake Hat - Standard Drawing Parking Brake Hat - Standard Drawing Zoom Image

Parking Brake Hat - Standard Description

These premium grade cast iron hats are used with Wilwood's internal shoe parking brake kits. Each hat is a precision machined, threaded hole design for use in conjunction with through-hole mount rotors. After machining, the hats are electro-coated for corrosion resistance.
NOTE & CAUTIONS:
3.06 " diameter register with counterbore for register ring.
Ordering Information for Parking Brake Hat - Standard
Item No 171-12139
Info Details
Center Reg Dia 3.06
Whl Stud Cir Dia/Stud Dia 0.000 / 0.000 
I.D. Clear(in) 6.85
Shoe I.D. 7.23
Face Thick 0.18
Price $246.79
Purchase
Call (805) 388-1188
Parking Brake Hat - Standard
Rotor Bolt Circle: 12 x 8.75
Hat Offset: 1.950
Wheel Stud Circle(s): 5 Holes  on 5.000      
Type: Parking Brake Hat - Standard
Mount Type: Fixed Mount
Material: Aluminum
Parking Brake Hat - Standard

Parking Brake Hat - Standard Drawing Parking Brake Hat - Standard Drawing Zoom Image

Parking Brake Hat - Standard Description

These premium grade aluminum hats are used with Wilwood's internal shoe parking brake kits. Each hat is a precision machined, threaded hole design for use in conjunction with through-hole mount rotors. After machining, the hats are electro-coated for corrosion resistance.
NOTE & CAUTIONS:

Ordering Information for Parking Brake Hat - Standard
Item No 170-17530
Info Details
Center Reg Dia 3.09
Whl Stud Cir Dia/Stud Dia 5.000 / 0.580 
I.D. Clear(in) 6.85
Shoe I.D. 7.23
Face Thick 0.18
Price $279.79
Purchase
Call (805) 388-1188
Big Brake Hat - Short Offset
Rotor Bolt Circle: 12 x 8.75
Hat Offset: 2.000
Wheel Stud Circle(s): 0 Holes  on       
Type: Big Brake Hat - Short Offset
Mount Type: Fixed Mount
Material: Aluminum
Big Brake Hat - Short Offset

Big Brake Hat - Short Offset Drawing Big Brake Hat - Short Offset Drawing Zoom Image

Big Brake Hat - Short Offset Description

GT Series Big Brake Short Offset hats are precision machined from premium aluminum alloys for high strength and attention to minimized weight. Hats in this category feature threaded rotor mount holes for use with standard through-hole mount rotors. Threaded hole hats may also be used with T-Nuts or bobbins designed for use with specially machined slotted hole dynamic mount rotors. When used in conjunction with matched Wilwood rotor hardware kits, GT hats provide solid, reliable performance in the most demanding conditions. Short Offset Hats are for narrow space applications with offsets often less than 1.00". They are available for most rotor bolt patterns in a variety of four and five lug wheel patterns.
NOTE & CAUTIONS:

Ordering Information for Big Brake Hat - Short Offset
Item No 171-14581
Info Details
Center Reg Dia 2.81
Whl Stud Cir Dia/Stud Dia 0.000 / 0.000 
I.D. Clear(in) 6.40
Shoe I.D.
Face Thick 0.25
Price $246.79
Purchase
Call (805) 388-1188
Big Brake Hat - Flared Bell
Rotor Bolt Circle: 12 x 8.75
Hat Offset: 2.000
Wheel Stud Circle(s): 5 Holes  on 4.500  ;  4.750   
Type: Big Brake Hat - Flared Bell
Mount Type: Fixed Mount
Material: Aluminum
Big Brake Hat - Flared Bell

Big Brake Hat - Flared Bell Drawing Big Brake Hat - Flared Bell Drawing Zoom Image

Big Brake Hat - Flared Bell Description

GT Series Big Brake Flared Bell hats are precision machined from premium aluminum alloys for high strength and attention to minimized weight. Hats in this category feature threaded rotor mount holes for use with standard through-hole mount rotors. Threaded hole hats may also be used with T-Nuts or bobbins designed for use with specially machined slotted hole dynamic mount rotors. When used in conjunction with matched Wilwood rotor hardware kits, GT hats provide solid, reliable performance in the most demanding conditions.Flared Bell Hats are generally used with rotor mount bolt circles of 8.38" and larger. Offsets range from 1.88" to 3.00" for rotor diameters 12.19" and up.
NOTE & CAUTIONS:
Hat is drilled and countersunk in three places to accommodate hat to hub anchoring screws used with specific Wilwood hat mount hubs. Use 230-7032 (contains 6 qty. 1/4-20 x .50 Flat Head Hex Drive mounting screws)
Ordering Information for Big Brake Hat - Flared Bell
Item No 170-7038
Info Details
Center Reg Dia 3.06
Whl Stud Cir Dia/Stud Dia 4.500 / 0.520 
I.D. Clear(in) 6.40
Shoe I.D.
Face Thick 0.25
Price $216.70
Purchase
Call (805) 388-1188
Big Brake Hat - Flared Bell
Rotor Bolt Circle: 12 x 8.75
Hat Offset: 2.000
Wheel Stud Circle(s): 5 Holes  on 5.500      
Type: Big Brake Hat - Flared Bell
Mount Type: Fixed Mount
Material: Aluminum
Big Brake Hat - Flared Bell

Big Brake Hat - Flared Bell Drawing Big Brake Hat - Flared Bell Drawing Zoom Image

Big Brake Hat - Flared Bell Description

GT Series Big Brake Flared Bell hats are precision machined from premium aluminum alloys for high strength and attention to minimized weight. Hats in this category feature threaded rotor mount holes for use with standard through-hole mount rotors. Threaded hole hats may also be used with T-Nuts or bobbins designed for use with specially machined slotted hole dynamic mount rotors. When used in conjunction with matched Wilwood rotor hardware kits, GT hats provide solid, reliable performance in the most demanding conditions.Flared Bell Hats are generally used with rotor mount bolt circles of 8.38" and larger. Offsets range from 1.88" to 3.00" for rotor diameters 12.19" and up.
NOTE & CAUTIONS:

Ordering Information for Big Brake Hat - Flared Bell
Item No 170-12680
Info Details
Center Reg Dia 4.28
Whl Stud Cir Dia/Stud Dia 5.500 / 0.640 
I.D. Clear(in) 6.60
Shoe I.D.
Face Thick 0.25
Price $216.70
Purchase
Call (805) 388-1188
Big Brake Hat - Flared Bell
Rotor Bolt Circle: 12 x 8.75
Hat Offset: 2.035
Wheel Stud Circle(s): 6 Holes  on 5.500      
Type: Big Brake Hat - Flared Bell
Mount Type: Fixed Mount
Material: Aluminum
Big Brake Hat - Flared Bell

Big Brake Hat - Flared Bell Drawing Big Brake Hat - Flared Bell Drawing

Big Brake Hat - Flared Bell Description

GT Series Big Brake Flared Bell hats are precision machined from premium aluminum alloys for high strength and attention to minimized weight. Hats in this category feature threaded rotor mount holes for use with standard through-hole mount rotors. Threaded hole hats may also be used with T-Nuts or bobbins designed for use with specially machined slotted hole dynamic mount rotors. When used in conjunction with matched Wilwood rotor hardware kits, GT hats provide solid, reliable performance in the most demanding conditions.Flared Bell Hats are generally used with rotor mount bolt circles of 8.38" and larger. Offsets range from 1.88" to 3.00" for rotor diameters 12.19" and up.
NOTE & CAUTIONS:
3.06 " diameter register with counterbore for register ring.
Ordering Information for Big Brake Hat - Flared Bell
Item No 170-18149
Info Details
Center Reg Dia 3.06
Whl Stud Cir Dia/Stud Dia 5.500 / 0.520 
I.D. Clear(in) 7.09
Shoe I.D.
Face Thick 0.25
Price $194.96
Purchase
Call (805) 388-1188
Big Brake Hat - Flared Bell
Rotor Bolt Circle: 12 x 8.75
Hat Offset: 2.035
Wheel Stud Circle(s): 5 Holes  on 5.000      
Type: Big Brake Hat - Flared Bell
Mount Type: Fixed Mount
Material: Aluminum
Image Coming Soon

Big Brake Hat - Flared Bell Drawing Big Brake Hat - Flared Bell Drawing

Big Brake Hat - Flared Bell Description

GT Series Big Brake Flared Bell hats are precision machined from premium aluminum alloys for high strength and attention to minimized weight. Hats in this category feature threaded rotor mount holes for use with standard through-hole mount rotors. Threaded hole hats may also be used with T-Nuts or bobbins designed for use with specially machined slotted hole dynamic mount rotors. When used in conjunction with matched Wilwood rotor hardware kits, GT hats provide solid, reliable performance in the most demanding conditions.Flared Bell Hats are generally used with rotor mount bolt circles of 8.38" and larger. Offsets range from 1.88" to 3.00" for rotor diameters 12.19" and up.
NOTE & CAUTIONS:

Ordering Information for Big Brake Hat - Flared Bell
Item No 170-18015
Info Details
Center Reg Dia 3.09
Whl Stud Cir Dia/Stud Dia 5.000 / 0.000 
I.D. Clear(in) 6.42
Shoe I.D.
Face Thick 0.25
Price $263.29
Purchase
Call (805) 388-1188
Big Brake Hat - Flared Bell
Rotor Bolt Circle: 12 x 8.75
Hat Offset: 2.035
Wheel Stud Circle(s): 5 Holes  on 4.500  ;  4.750  ;  5.000
Type: Big Brake Hat - Flared Bell
Mount Type: Fixed Mount
Material: Aluminum
Big Brake Hat - Flared Bell

Big Brake Hat - Flared Bell Drawing Big Brake Hat - Flared Bell Drawing Zoom Image

Big Brake Hat - Flared Bell Description

GT Series Big Brake Flared Bell hats are precision machined from premium aluminum alloys for high strength and attention to minimized weight. Hats in this category feature threaded rotor mount holes for use with standard through-hole mount rotors. Threaded hole hats may also be used with T-Nuts or bobbins designed for use with specially machined slotted hole dynamic mount rotors. When used in conjunction with matched Wilwood rotor hardware kits, GT hats provide solid, reliable performance in the most demanding conditions.Flared Bell Hats are generally used with rotor mount bolt circles of 8.38" and larger. Offsets range from 1.88" to 3.00" for rotor diameters 12.19" and up.
NOTE & CAUTIONS:
3.06 " diameter register with counterbore for register ring.
Ordering Information for Big Brake Hat - Flared Bell
Item No 170-15860
Info Details
Center Reg Dia 3.06
Whl Stud Cir Dia/Stud Dia 4.500 / 0.520 
I.D. Clear(in) 6.29
Shoe I.D.
Face Thick 0.25
Price $216.70
Purchase
Call (805) 388-1188
Parking Brake Hat - Standard
Rotor Bolt Circle: 12 x 8.75
Hat Offset: 2.200
Wheel Stud Circle(s): 5 Holes  on 5.000      
Type: Parking Brake Hat - Standard
Mount Type: Fixed Mount
Material: Iron
Parking Brake Hat - Standard

Parking Brake Hat - Standard Drawing Parking Brake Hat - Standard Drawing Zoom Image

Parking Brake Hat - Standard Description

These premium grade cast iron hats make it possible to use bolt-on rotors on vehicles equipped with OEM internal shoe parking brake assemblies. Each hat is a precision machined, threaded hole design for use in conjunction with through-hole mount rotors. After machining, the hats are electro-coated for corrosion resistance. Used for big rotor brake kits on truck, SUV, and 4WD axles with either 6 or 8 lug configurations.
NOTE & CAUTIONS:

Ordering Information for Parking Brake Hat - Standard
Item No 170-13958
Info Details
Center Reg Dia 2.84
Whl Stud Cir Dia/Stud Dia 5.000 / 0.000 
I.D. Clear(in) 7.62
Shoe I.D. 8.12
Face Thick 0.29
Price $285.78
Purchase
Call (805) 388-1188
Truck Hat - Standard
Rotor Bolt Circle: 12 x 9.19
Hat Offset: 0.810
Wheel Stud Circle(s): 6 Holes  on 5.500      
Type: Truck Hat - Standard
Mount Type: Fixed Mount
Material: Aluminum
Truck Hat - Standard

Truck Hat - Standard Drawing Truck Hat - Standard Drawing Zoom Image

Truck Hat - Standard Description

Wilwood's Truck hats are precision machined from premium aluminum alloys for high strength and attention to minimized weight. Hats in this category feature threaded rotor mount holes for use with standard through-hole mount rotors. Truck Hats feature strengthening ribs on a flared bell configuration for big rotor brake kits on truck, SUV, and 4WD axles with either 6 or 8 lug configurations.
NOTE & CAUTIONS:

Ordering Information for Truck Hat - Standard
Item No 170-9891
Info Details
Center Reg Dia 3.09
Whl Stud Cir Dia/Stud Dia 5.500 / 0.630 
I.D. Clear(in) 8.14
Shoe I.D.
Face Thick 0.45
Price $404.77
Purchase
Call (805) 388-1188
Truck Hat - Standard
Rotor Bolt Circle: 12 x 9.19
Hat Offset: 1.240
Wheel Stud Circle(s): 5 Holes  on 5.910      
Type: Truck Hat - Standard
Mount Type: Fixed Mount
Material: Aluminum
Truck Hat - Standard

Truck Hat - Standard Drawing Truck Hat - Standard Drawing Zoom Image

Truck Hat - Standard Description

Wilwood's Truck hats are precision machined from premium aluminum alloys for high strength and attention to minimized weight. Hats in this category feature threaded rotor mount holes for use with standard through-hole mount rotors. Truck Hats feature strengthening ribs on a flared bell configuration for big rotor brake kits on truck, SUV, and 4WD axles with either 6 or 8 lug configurations.
NOTE & CAUTIONS:

Ordering Information for Truck Hat - Standard
Item No 170-15883
Info Details
Center Reg Dia 4.42
Whl Stud Cir Dia/Stud Dia 5.910 / 0.640 
I.D. Clear(in) 7.15
Shoe I.D.
Face Thick 0.28
Price $285.78
Purchase
Call (805) 388-1188
Parking Brake Hat - Truck
Rotor Bolt Circle: 12 x 9.19
Hat Offset: 2.000
Wheel Stud Circle(s): 6 Holes  on 5.320      
Type: Parking Brake Hat - Truck
Mount Type: Fixed Mount
Material: Iron
Parking Brake Hat - Truck

Parking Brake Hat - Truck Drawing Parking Brake Hat - Truck Drawing Zoom Image

Parking Brake Hat - Truck Description

These premium grade cast iron hats make it possible to use bolt-on rotors on vehicles equipped with OEM internal shoe parking brake assemblies. Each hat is a precision machined, threaded hole design for use in conjunction with through-hole mount rotors. After machining, the hats are electro-coated for corrosion resistance. Used for big rotor brake kits on truck, SUV, and 4WD axles with either 6 or 8 lug configurations.
NOTE & CAUTIONS:

Ordering Information for Parking Brake Hat - Truck
Item No 170-15273
Info Details
Center Reg Dia 3.55
Whl Stud Cir Dia/Stud Dia 5.320 / 0.590 
I.D. Clear(in) 7.51
Shoe I.D. 8.11
Face Thick 0.31
Price $285.78
Purchase
Call (805) 388-1188
Truck Hat - Standard
Rotor Bolt Circle: 12 x 9.75
Hat Offset: 1.134
Wheel Stud Circle(s): 8 Holes  on 6.500      
Type: Truck Hat - Standard
Mount Type: Fixed Mount
Material: Aluminum
Truck Hat - Standard

Truck Hat - Standard Drawing Truck Hat - Standard Drawing Zoom Image

Truck Hat - Standard Description

Wilwood's Truck hats are precision machined from premium aluminum alloys for high strength and attention to minimized weight. Truck Hats feature strengthening ribs on a flared bell configuration as well as threaded rotor mount holes for use with standard through-hole mount rotors. 170-15383 has a 12x10.75 Rotor Bolt Circle, 8x6.50 Wheel Bolt Circle, 1.134” Offset, and 4.844 center registration.
NOTE & CAUTIONS:

Ordering Information for Truck Hat - Standard
Item No 170-15383
Info Details
Center Reg Dia 4.84
Whl Stud Cir Dia/Stud Dia 6.500 / 0.640 
I.D. Clear(in) 8.57
Shoe I.D.
Face Thick 0.45
Price $246.79
Purchase
Call (805) 388-1188
Truck Hat - Standard
Rotor Bolt Circle: 12 x 9.75
Hat Offset: 1.340
Wheel Stud Circle(s): 8 Holes  on 6.692      
Type: Truck Hat - Standard
Mount Type: Fixed Mount
Material: Aluminum
Truck Hat - Standard

Truck Hat - Standard Drawing Truck Hat - Standard Drawing Zoom Image

Truck Hat - Standard Description

Wilwood's Truck hats are precision machined from premium aluminum alloys for high strength and attention to minimized weight. Hats in this category feature threaded rotor mount holes for use with standard through-hole mount rotors. Truck Hats feature strengthening ribs on a flared bell configuration for big rotor brake kits on truck, SUV, and 4WD axles with either 6 or 8 lug configurations.
NOTE & CAUTIONS:

Ordering Information for Truck Hat - Standard
Item No 170-14560
Info Details
Center Reg Dia 5.09
Whl Stud Cir Dia/Stud Dia 6.692 / 0.640 
I.D. Clear(in) 8.61
Shoe I.D.
Face Thick 0.40
Price $246.79
Purchase
Call (805) 388-1188
Truck Hat - Standard
Rotor Bolt Circle: 12 x 9.75
Hat Offset: 1.670
Wheel Stud Circle(s): 8 Holes  on 6.500      
Type: Truck Hat - Standard
Mount Type: Fixed Mount
Material: Aluminum
Truck Hat - Standard

Truck Hat - Standard Drawing Truck Hat - Standard Drawing Zoom Image

Truck Hat - Standard Description

Wilwood's Truck hats are precision machined from premium aluminum alloys for high strength and attention to minimized weight. Hats in this category feature threaded rotor mount holes for use with standard through-hole mount rotors. Truck Hats feature strengthening ribs on a flared bell configuration for big rotor brake kits on truck, SUV, and 4WD axles with 5 x 4.72 lug configurations.
NOTE & CAUTIONS:

Ordering Information for Truck Hat - Standard
Item No 170-14027
Info Details
Center Reg Dia 4.65
Whl Stud Cir Dia/Stud Dia 6.500 / 0.630 
I.D. Clear(in) 8.53
Shoe I.D.
Face Thick 0.45
Price $246.79
Purchase
Call (805) 388-1188
Truck Hat - Standard
Rotor Bolt Circle: 12 x 9.75
Hat Offset: 1.920
Wheel Stud Circle(s): 8 Holes  on 7.090      
Type: Truck Hat - Standard
Mount Type: Fixed Mount
Material: Aluminum
Truck Hat - Standard

Truck Hat - Standard Drawing Truck Hat - Standard Drawing Zoom Image

Truck Hat - Standard Description

Wilwood's Truck hats are precision machined from premium aluminum alloys for high strength and attention to minimized weight. Hats in this category feature threaded rotor mount holes for use with standard through-hole mount rotors. Truck Hats feature strengthening ribs on a flared bell configuration for big rotor brake kits on truck, SUV, and 4WD axles with 5 x 4.72 lug configurations.
NOTE & CAUTIONS:

Ordering Information for Truck Hat - Standard
Item No 170-13871
Info Details
Center Reg Dia 5.01
Whl Stud Cir Dia/Stud Dia 7.090 / 0.640 
I.D. Clear(in) 8.57
Shoe I.D.
Face Thick 0.40
Price $323.89
Purchase
Call (805) 388-1188
Truck Hat - Standard
Rotor Bolt Circle: 12 x 9.75
Hat Offset: 1.920
Wheel Stud Circle(s): 8 Holes  on 6.692      
Type: Truck Hat - Standard
Mount Type: Fixed Mount
Material: Aluminum
Truck Hat - Standard

Truck Hat - Standard Drawing Truck Hat - Standard Drawing Zoom Image

Truck Hat - Standard Description

Wilwood's Truck hats are precision machined from premium aluminum alloys for high strength and attention to minimized weight. Hats in this category feature threaded rotor mount holes for use with standard through-hole mount rotors. Truck Hats feature strengthening ribs on a flared bell configuration for big rotor brake kits on truck, SUV, and 4WD axles with either 6 or 8 lug configurations.
NOTE & CAUTIONS:

Ordering Information for Truck Hat - Standard
Item No 170-15063
Info Details
Center Reg Dia 5.09
Whl Stud Cir Dia/Stud Dia 6.692 / 0.640 
I.D. Clear(in) 8.66
Shoe I.D.
Face Thick 0.40
Price $246.79
Purchase
Call (805) 388-1188
Big Brake Dynamic Lug Drive - Short Offset
Rotor Bolt Circle: 12lug-7.77
Hat Offset: 0.290
Wheel Stud Circle(s): 5 Holes  on 4.500  ;  4.750   
Type: Big Brake Dynamic Lug Drive - Short Offset
Mount Type: Dynamic Lug Mount
Material: Aluminum
Big Brake Dynamic Lug Drive - Short Offset

Big Brake Dynamic Lug Drive - Short Offset Drawing Big Brake Dynamic Lug Drive - Short Offset Drawing Zoom Image

Big Brake Dynamic Lug Drive - Short Offset Description

Wilwood's new Big Brake Dynamic Lug Drive hats incorporate a new rotor mounting system that eliminates the rotor bolts and allows the rotors to move independently of the hats as they expand and contract through heat cycles. All thermally generated stress is removed from the rotor attachment points. The rotors stay flatter and run truer. Brake response and pedal feel remain consistent. Pad knock back and rotor drag are eliminated. The hats are no longer distorted by stresses generated by thermal expansion and shrinkage of the rotors. All problems associated with thermal distortion, including bolt hole alignment issues when trying to re-install new rotors on a previously used hat, are eliminated.
NOTE & CAUTIONS:
300-14912 Dynamic Lug Mount Clip & Snap Ring kit are required for rotor mounting.
Ordering Information for Big Brake Dynamic Lug Drive - Short Offset
Item No 170-14991
Info Details
Center Reg Dia 2.78
Whl Stud Cir Dia/Stud Dia 4.500 / 0.520 
I.D. Clear(in) 6.70
Shoe I.D.
Face Thick 0.30
Price $304.84
Purchase
Call (805) 388-1188
Big Brake Dynamic Lug Drive - Short Offset
Rotor Bolt Circle: 12lug-7.77
Hat Offset: 0.518
Wheel Stud Circle(s): 5 Holes  on 4.750      
Type: Big Brake Dynamic Lug Drive - Short Offset
Mount Type: Dynamic Lug Mount
Material: Aluminum
Big Brake Dynamic Lug Drive - Short Offset

Big Brake Dynamic Lug Drive - Short Offset Drawing Big Brake Dynamic Lug Drive - Short Offset Drawing Zoom Image

Big Brake Dynamic Lug Drive - Short Offset Description

Wilwood's new Big Brake Dynamic Lug Drive hats incorporate a new rotor mounting system that eliminates the rotor bolts and allows the rotors to move independently of the hats as they expand and contract through heat cycles. All thermally generated stress is removed from the rotor attachment points. The rotors stay flatter and run truer. Brake response and pedal feel remain consistent. Pad knock back and rotor drag are eliminated. The hats are no longer distorted by stresses generated by thermal expansion and shrinkage of the rotors. All problems associated with thermal distortion, including bolt hole alignment issues when trying to re-install new rotors on a previously used hat, are eliminated.
NOTE & CAUTIONS:
300-14912 Dynamic Lug Mount Clip & Snap Ring kit are required for rotor mounting.
Ordering Information for Big Brake Dynamic Lug Drive - Short Offset
Item No 170-15717
Info Details
Center Reg Dia 2.78
Whl Stud Cir Dia/Stud Dia 4.750 / 0.520 
I.D. Clear(in) 6.65
Shoe I.D.
Face Thick 0.33
Price $247.66
Purchase
Call (805) 388-1188
Big Brake Dynamic Lug Drive - Short Offset
Rotor Bolt Circle: 12lug-7.77
Hat Offset: 0.760
Wheel Stud Circle(s): 5 Holes  on 4.500      
Type: Big Brake Dynamic Lug Drive - Short Offset
Mount Type: Dynamic Lug Mount
Material: Aluminum
Big Brake Dynamic Lug Drive - Short Offset

Big Brake Dynamic Lug Drive - Short Offset Drawing Big Brake Dynamic Lug Drive - Short Offset Drawing

Big Brake Dynamic Lug Drive - Short Offset Description

Wilwood's new Big Brake Dynamic Lug Drive hats incorporate a new rotor mounting system that eliminates the rotor bolts and allows the rotors to move independently of the hats as they expand and contract through heat cycles. All thermally generated stress is removed from the rotor attachment points. The rotors stay flatter and run truer. Brake response and pedal feel remain consistent. Pad knock back and rotor drag are eliminated. The hats are no longer distorted by stresses generated by thermal expansion and shrinkage of the rotors. All problems associated with thermal distortion, including bolt hole alignment issues when trying to re-install new rotors on a previously used hat, are eliminated.
NOTE & CAUTIONS:
300-14912 Dynamic Lug Mount Clip & Snap Ring kit are required for rotor mounting.
Ordering Information for Big Brake Dynamic Lug Drive - Short Offset
Item No 170-16536
Info Details
Center Reg Dia 2.80
Whl Stud Cir Dia/Stud Dia 4.500 / 0.520 
I.D. Clear(in) 6.65
Shoe I.D.
Face Thick 0.25
Price $228.61
Purchase
Call (805) 388-1188
Big Brake Dynamic Lug Drive - Flared Bell
Rotor Bolt Circle: 12lug-7.77
Hat Offset: 0.920
Wheel Stud Circle(s): 5 Holes  on 4.720      
Type: Big Brake Dynamic Lug Drive - Flared Bell
Mount Type: Dynamic Lug Mount
Material: Aluminum
Big Brake Dynamic Lug Drive - Flared Bell

Big Brake Dynamic Lug Drive - Flared Bell Drawing Big Brake Dynamic Lug Drive - Flared Bell Drawing Zoom Image

Big Brake Dynamic Lug Drive - Flared Bell Description

Big Brake Dynamic Lug Mount Flared Bell hats are precision machined from premium aluminum alloys for high strength and attention to minimized weight. Hats in this category feature dynamic lug mount rotor slots and a corresponding snap ring groove for use with lug mount rotors.
NOTE & CAUTIONS:
300-14912 Dynamic Lug Mount Clip & Snap Ring kit are required for rotor mounting.
Ordering Information for Big Brake Dynamic Lug Drive - Flared Bell
Item No 170-15420
Info Details
Center Reg Dia 2.66
Whl Stud Cir Dia/Stud Dia 4.720 / 0.640 
I.D. Clear(in) 6.41
Shoe I.D.
Face Thick 0.30
Price $304.84
Purchase
Call (805) 388-1188
Big Brake Dynamic Lug Drive - Flared Bell
Rotor Bolt Circle: 12lug-7.77
Hat Offset: 1.220
Wheel Stud Circle(s): 5 Holes  on 4.500      
Type: Big Brake Dynamic Lug Drive - Flared Bell
Mount Type: Dynamic Lug Mount
Material: Aluminum
Big Brake Dynamic Lug Drive - Flared Bell

Big Brake Dynamic Lug Drive - Flared Bell Drawing Big Brake Dynamic Lug Drive - Flared Bell Drawing

Big Brake Dynamic Lug Drive - Flared Bell Description

Wilwood's new Big Brake Dynamic Lug Drive hats incorporate a new rotor mounting system that eliminates the rotor bolts and allows the rotors to move independently of the hats as they expand and contract through heat cycles. All thermally generated stress is removed from the rotor attachment points. The rotors stay flatter and run truer. Brake response and pedal feel remain consistent. Pad knock back and rotor drag are eliminated. The hats are no longer distorted by stresses generated by thermal expansion and shrinkage of the rotors. All problems associated with thermal distortion, including bolt hole alignment issues when trying to re-install new rotors on a previously used hat, are eliminated.
NOTE & CAUTIONS:
300-12561 Dynamic Lug Mount Clip & Snap Ring kit are required for rotor mounting.
Ordering Information for Big Brake Dynamic Lug Drive - Flared Bell
Item No 170-18071
Info Details
Center Reg Dia 2.68
Whl Stud Cir Dia/Stud Dia 4.500 / 0.520 
I.D. Clear(in) 6.16
Shoe I.D.
Face Thick 0.35
Price $238.50
Purchase
Call (805) 388-1188
Big Brake Dynamic Lug Drive - Short Offset
Rotor Bolt Circle: 12lug-7.77
Hat Offset: 1.330
Wheel Stud Circle(s): 6 Holes  on 5.500      
Type: Big Brake Dynamic Lug Drive - Short Offset
Mount Type: Dynamic Lug Mount
Material: Aluminum
Big Brake Dynamic Lug Drive - Short Offset

Big Brake Dynamic Lug Drive - Short Offset Drawing Big Brake Dynamic Lug Drive - Short Offset Drawing

Big Brake Dynamic Lug Drive - Short Offset Description

Wilwood's new Big Brake Dynamic Lug Drive hats incorporate a new rotor mounting system that eliminates the rotor bolts and allows the rotors to move independently of the hats as they expand and contract through heat cycles. All thermally generated stress is removed from the rotor attachment points. The rotors stay flatter and run truer. Brake response and pedal feel remain consistent. Pad knock back and rotor drag are eliminated. The hats are no longer distorted by stresses generated by thermal expansion and shrinkage of the rotors. All problems associated with thermal distortion, including bolt hole alignment issues when trying to re-install new rotors on a previously used hat, are eliminated.
NOTE & CAUTIONS:
300-14889-2 Dynamic Lug Mount Snap Ring Kit are required for rotor mounting.
Ordering Information for Big Brake Dynamic Lug Drive - Short Offset
Item No 170-18213
Info Details
Center Reg Dia 3.15
Whl Stud Cir Dia/Stud Dia 5.500 / 0.590 
I.D. Clear(in) 6.91
Shoe I.D.
Face Thick 0.35
Price $238.95
Purchase
Call (805) 388-1188
Big Brake Dynamic Lug Drive - Flared Bell
Rotor Bolt Circle: 12lug-7.77
Hat Offset: 1.370
Wheel Stud Circle(s): 5 Holes  on 4.500      
Type: Big Brake Dynamic Lug Drive - Flared Bell
Mount Type: Dynamic Lug Mount
Material: Aluminum
Big Brake Dynamic Lug Drive - Flared Bell

Big Brake Dynamic Lug Drive - Flared Bell Drawing Big Brake Dynamic Lug Drive - Flared Bell Drawing Zoom Image

Big Brake Dynamic Lug Drive - Flared Bell Description

Wilwood's new Big Brake Dynamic Lug Drive hats incorporate a new rotor mounting system that eliminates the rotor bolts and allows the rotors to move independently of the hats as they expand and contract through heat cycles. All thermally generated stress is removed from the rotor attachment points. The rotors stay flatter and run truer. Brake response and pedal feel remain consistent. Pad knock back and rotor drag are eliminated. The hats are no longer distorted by stresses generated by thermal expansion and shrinkage of the rotors. All problems associated with thermal distortion, including bolt hole alignment issues when trying to re-install new rotors on a previously used hat, are eliminated.
NOTE & CAUTIONS:
300-14912 Dynamic Lug Mount Clip & Snap Ring kit are required for rotor mounting.
Ordering Information for Big Brake Dynamic Lug Drive - Flared Bell
Item No 170-14910
Info Details
Center Reg Dia 2.80
Whl Stud Cir Dia/Stud Dia 4.500 / 0.630 
I.D. Clear(in) 6.16
Shoe I.D.
Face Thick 0.28
Price $304.84
Purchase
Call (805) 388-1188
Big Brake Dynamic Lug Drive - Flared Bell
Rotor Bolt Circle: 12lug-7.77
Hat Offset: 1.420
Wheel Stud Circle(s): 5 Holes  on 4.500  ;  4.750   
Type: Big Brake Dynamic Lug Drive - Flared Bell
Mount Type: Dynamic Lug Mount
Material: Aluminum
Big Brake Dynamic Lug Drive - Flared Bell

Big Brake Dynamic Lug Drive - Flared Bell Drawing Big Brake Dynamic Lug Drive - Flared Bell Drawing Zoom Image

Big Brake Dynamic Lug Drive - Flared Bell Description

Wilwood's new Big Brake Dynamic Lug Drive hats incorporate a new rotor mounting system that eliminates the rotor bolts and allows the rotors to move independently of the hats as they expand and contract through heat cycles. All thermally generated stress is removed from the rotor attachment points. The rotors stay flatter and run truer. Brake response and pedal feel remain consistent. Pad knock back and rotor drag are eliminated. The hats are no longer distorted by stresses generated by thermal expansion and shrinkage of the rotors. All problems associated with thermal distortion, including bolt hole alignment issues when trying to re-install new rotors on a previously used hat, are eliminated.
NOTE & CAUTIONS:
300-14912 Dynamic Lug Mount Clip & Snap Ring kit are required for rotor mounting.
Ordering Information for Big Brake Dynamic Lug Drive - Flared Bell
Item No 170-16102
Info Details
Center Reg Dia 3.06
Whl Stud Cir Dia/Stud Dia 4.500 / 0.520 
I.D. Clear(in) 6.91
Shoe I.D.
Face Thick 0.25
Price $228.61
Purchase
Call (805) 388-1188
GT Dynamic Lug Mount Hat - Straight Bell
Rotor Bolt Circle: 12lug-7.77
Hat Offset: 2.900
Wheel Stud Circle(s): 5 Holes  on 5.000      
Type: GT Dynamic Lug Mount Hat - Straight Bell
Mount Type: Dynamic Lug Mount
Material: Aluminum
GT Dynamic Lug Mount Hat - Straight Bell

GT Dynamic Lug Mount Hat - Straight Bell Drawing GT Dynamic Lug Mount Hat - Straight Bell Drawing Zoom Image

GT Dynamic Lug Mount Hat - Straight Bell Description

Wilwood's new GT Dynamic Lug Drive hats incorporate a new rotor mounting system that eliminates the rotor bolts and allows the rotors to move independently of the hats as they expand and contract through heat cycles. All thermally generated stress is removed from the rotor attachment points. The rotors stay flatter and run truer. Brake response and pedal feel remain consistent. Pad knock back and rotor drag are eliminated. The hats are no longer distorted by stresses generated by thermal expansion and shrinkage of the rotors. All problems associated with thermal distortion, including bolt hole alignment issues when trying to re-install new rotors on a previously used hat, are eliminated.
NOTE & CAUTIONS:
300-14912 Dynamic Lug Mount Clip & Snap Ring kit are required for rotor mounting.
Ordering Information for GT Dynamic Lug Mount Hat - Straight Bell
Item No 170-15518
Info Details
Center Reg Dia 4.07
Whl Stud Cir Dia/Stud Dia 5.000 / 0.640 
I.D. Clear(in) 7.01
Shoe I.D.
Face Thick 0.29
Price $342.96
Purchase
Call (805) 388-1188
Big Brake Dynamic Lug Drive - Short Offset
Rotor Bolt Circle: 12lug-8.80
Hat Offset: 0.268
Wheel Stud Circle(s): 5 Holes  on 4.720      
Type: Big Brake Dynamic Lug Drive - Short Offset
Mount Type: Dynamic Lug Mount
Material: Aluminum
Big Brake Dynamic Lug Drive - Short Offset

Big Brake Dynamic Lug Drive - Short Offset Drawing Big Brake Dynamic Lug Drive - Short Offset Drawing

Big Brake Dynamic Lug Drive - Short Offset Description

Wilwood's new Big Brake Dynamic Lug Drive hats incorporate a new rotor mounting system that eliminates the rotor bolts and allows the rotors to move independently of the hats as they expand and contract through heat cycles. All thermally generated stress is removed from the rotor attachment points. The rotors stay flatter and run truer. Brake response and pedal feel remain consistent. Pad knock back and rotor drag are eliminated. The hats are no longer distorted by stresses generated by thermal expansion and shrinkage of the rotors. All problems associated with thermal distortion, including bolt hole alignment issues when trying to re-install new rotors on a previously used hat, are eliminated.
NOTE & CAUTIONS:
300-14913 Dynamic Lug Mount Clip & Snap Ring kit are required for rotor mounting.
Ordering Information for Big Brake Dynamic Lug Drive - Short Offset
Item No 170-17010
Info Details
Center Reg Dia 2.66
Whl Stud Cir Dia/Stud Dia 4.720 / 0.625 
I.D. Clear(in) 7.82
Shoe I.D.
Face Thick 0.30
Price $343.02
Purchase
Call (805) 388-1188
Big Brake Dynamic Lug Drive - Short Offset
Rotor Bolt Circle: 12lug-8.80
Hat Offset: 0.280
Wheel Stud Circle(s): 5 Holes  on 4.750      
Type: Big Brake Dynamic Lug Drive - Short Offset
Mount Type: Dynamic Lug Mount
Material: Aluminum
Big Brake Dynamic Lug Drive - Short Offset

Big Brake Dynamic Lug Drive - Short Offset Drawing Big Brake Dynamic Lug Drive - Short Offset Drawing Zoom Image

Big Brake Dynamic Lug Drive - Short Offset Description

Wilwood's new Big Brake Dynamic Lug Drive hats incorporate a new rotor mounting system that eliminates the rotor bolts and allows the rotors to move independently of the hats as they expand and contract through heat cycles. All thermally generated stress is removed from the rotor attachment points. The rotors stay flatter and run truer. Brake response and pedal feel remain consistent. Pad knock back and rotor drag are eliminated. The hats are no longer distorted by stresses generated by thermal expansion and shrinkage of the rotors. All problems associated with thermal distortion, including bolt hole alignment issues when trying to re-install new rotors on a previously used hat, are eliminated.
NOTE & CAUTIONS:
300-14913 Dynamic Lug Mount Clip & Snap Ring kit are required for rotor mounting.
Ordering Information for Big Brake Dynamic Lug Drive - Short Offset
Item No 170-16199
Info Details
Center Reg Dia 2.78
Whl Stud Cir Dia/Stud Dia 4.750 / 0.520 
I.D. Clear(in) 7.94
Shoe I.D.
Face Thick 0.30
Price $262.89
Purchase
Call (805) 388-1188
Big Brake Dynamic Lug Drive - Short Offset
Rotor Bolt Circle: 12Lug-8.80
Hat Offset: 0.290
Wheel Stud Circle(s): 5 Holes  on 4.500  ;  4.750   
Type: Big Brake Dynamic Lug Drive - Short Offset
Mount Type: Dynamic Lug Mount
Material: Aluminum
Big Brake Dynamic Lug Drive - Short Offset

Big Brake Dynamic Lug Drive - Short Offset Drawing Big Brake Dynamic Lug Drive - Short Offset Drawing Zoom Image

Big Brake Dynamic Lug Drive - Short Offset Description

Wilwood's new Big Brake Dynamic Lug Drive hats incorporate a new rotor mounting system that eliminates the rotor bolts and allows the rotors to move independently of the hats as they expand and contract through heat cycles. All thermally generated stress is removed from the rotor attachment points. The rotors stay flatter and run truer. Brake response and pedal feel remain consistent. Pad knock back and rotor drag are eliminated. The hats are no longer distorted by stresses generated by thermal expansion and shrinkage of the rotors. All problems associated with thermal distortion, including bolt hole alignment issues when trying to re-install new rotors on a previously used hat, are eliminated.
NOTE & CAUTIONS:
300-14913 Dynamic Lug Mount Clip & Snap Ring kit are required for rotor mounting.
Ordering Information for Big Brake Dynamic Lug Drive - Short Offset
Item No 170-14992
Info Details
Center Reg Dia 2.78
Whl Stud Cir Dia/Stud Dia 4.500 / 0.520 
I.D. Clear(in) 6.70
Shoe I.D.
Face Thick 0.30
Price $304.84
Purchase
Call (805) 388-1188
Big Brake Dynamic Lug Drive - Short Offset
Rotor Bolt Circle: 12lug-8.80
Hat Offset: 0.330
Wheel Stud Circle(s): 5 Holes  on 4.500      
Type: Big Brake Dynamic Lug Drive - Short Offset
Mount Type: Dynamic Lug Mount
Material: Aluminum
Image Coming Soon

Big Brake Dynamic Lug Drive - Short Offset Drawing Big Brake Dynamic Lug Drive - Short Offset Drawing

Big Brake Dynamic Lug Drive - Short Offset Description

Wilwood's new Big Brake Dynamic Lug Drive hats incorporate a new rotor mounting system that eliminates the rotor bolts and allows the rotors to move independently of the hats as they expand and contract through heat cycles. All thermally generated stress is removed from the rotor attachment points. The rotors stay flatter and run truer. Brake response and pedal feel remain consistent. Pad knock back and rotor drag are eliminated. The hats are no longer distorted by stresses generated by thermal expansion and shrinkage of the rotors. All problems associated with thermal distortion, including bolt hole alignment issues when trying to re-install new rotors on a previously used hat, are eliminated.
NOTE & CAUTIONS:
300-14913 Dynamic Lug Mount Clip & Snap Ring kit are required for rotor mounting.
Ordering Information for Big Brake Dynamic Lug Drive - Short Offset
Item No 170-17030
Info Details
Center Reg Dia 2.72
Whl Stud Cir Dia/Stud Dia 4.500 / 0.500 
I.D. Clear(in) 7.82
Shoe I.D.
Face Thick 0.31
Price $343.02
Purchase
Call (805) 388-1188
Big Brake Dynamic Lug Drive - Short Offset
Rotor Bolt Circle: 12lug-8.80
Hat Offset: 0.400
Wheel Stud Circle(s): 5 Holes  on 4.500      
Type: Big Brake Dynamic Lug Drive - Short Offset
Mount Type: Dynamic Lug Mount
Material: Aluminum
Big Brake Dynamic Lug Drive - Short Offset

Big Brake Dynamic Lug Drive - Short Offset Drawing Big Brake Dynamic Lug Drive - Short Offset Drawing

Big Brake Dynamic Lug Drive - Short Offset Description

Wilwood's new Big Brake Dynamic Lug Drive hats incorporate a new rotor mounting system that eliminates the rotor bolts and allows the rotors to move independently of the hats as they expand and contract through heat cycles. All thermally generated stress is removed from the rotor attachment points. The rotors stay flatter and run truer. Brake response and pedal feel remain consistent. Pad knock back and rotor drag are eliminated. The hats are no longer distorted by stresses generated by thermal expansion and shrinkage of the rotors. All problems associated with thermal distortion, including bolt hole alignment issues when trying to re-install new rotors on a previously used hat, are eliminated.
NOTE & CAUTIONS:
300-14913 Dynamic Lug Mount Clip & Snap Ring kit are required for rotor mounting.
Ordering Information for Big Brake Dynamic Lug Drive - Short Offset
Item No 170-16858
Info Details
Center Reg Dia 2.80
Whl Stud Cir Dia/Stud Dia 4.500 / 0.578 
I.D. Clear(in) 8.20
Shoe I.D.
Face Thick 0.27
Price $228.61
Purchase
Call (805) 388-1188
Big Brake Dynamic Lug Drive - Short Offset
Rotor Bolt Circle: 12lug-8.80
Hat Offset: 0.425
Wheel Stud Circle(s): 5 Holes  on 4.720      
Type: Big Brake Dynamic Lug Drive - Short Offset
Mount Type: Dynamic Lug Mount
Material: Aluminum
Big Brake Dynamic Lug Drive - Short Offset

Big Brake Dynamic Lug Drive - Short Offset Drawing Big Brake Dynamic Lug Drive - Short Offset Drawing

Big Brake Dynamic Lug Drive - Short Offset Description

Wilwood's new Big Brake Dynamic Lug Drive hats incorporate a new rotor mounting system that eliminates the rotor bolts and allows the rotors to move independently of the hats as they expand and contract through heat cycles. All thermally generated stress is removed from the rotor attachment points. The rotors stay flatter and run truer. Brake response and pedal feel remain consistent. Pad knock back and rotor drag are eliminated. The hats are no longer distorted by stresses generated by thermal expansion and shrinkage of the rotors. All problems associated with thermal distortion, including bolt hole alignment issues when trying to re-install new rotors on a previously used hat, are eliminated.
NOTE & CAUTIONS:
300-14913 Dynamic Lug Mount Clip & Snap Ring kit are required for rotor mounting.
Ordering Information for Big Brake Dynamic Lug Drive - Short Offset
Item No 170-17005
Info Details
Center Reg Dia 2.66
Whl Stud Cir Dia/Stud Dia 4.720 / 0.625 
I.D. Clear(in) 7.82
Shoe I.D.
Face Thick 0.32
Price $284.82
Purchase
Call (805) 388-1188
Big Brake Dynamic Lug Drive - Short Offset
Rotor Bolt Circle: 12lug-8.80
Hat Offset: 0.490
Wheel Stud Circle(s): 5 Holes  on 4.500      
Type: Big Brake Dynamic Lug Drive - Short Offset
Mount Type: Dynamic Lug Mount
Material: Aluminum
Big Brake Dynamic Lug Drive - Short Offset

Big Brake Dynamic Lug Drive - Short Offset Drawing Big Brake Dynamic Lug Drive - Short Offset Drawing Zoom Image

Big Brake Dynamic Lug Drive - Short Offset Description

Wilwood's new Big Brake Dynamic Lug Drive hats incorporate a new rotor mounting system that eliminates the rotor bolts and allows the rotors to move independently of the hats as they expand and contract through heat cycles. All thermally generated stress is removed from the rotor attachment points. The rotors stay flatter and run truer. Brake response and pedal feel remain consistent. Pad knock back and rotor drag are eliminated. The hats are no longer distorted by stresses generated by thermal expansion and shrinkage of the rotors. All problems associated with thermal distortion, including bolt hole alignment issues when trying to re-install new rotors on a previously used hat, are eliminated.
NOTE & CAUTIONS:
300-14913 Dynamic Lug Mount Clip & Snap Ring kit are required for rotor mounting.
Ordering Information for Big Brake Dynamic Lug Drive - Short Offset
Item No 170-15977
Info Details
Center Reg Dia 2.72
Whl Stud Cir Dia/Stud Dia 4.500 / 0.500 
I.D. Clear(in) 8.20
Shoe I.D.
Face Thick 0.31
Price $343.02
Purchase
Call (805) 388-1188
Big Brake Dynamic Lug Drive - Short Offset
Rotor Bolt Circle: 12lug-8.80
Hat Offset: 0.518
Wheel Stud Circle(s): 5 Holes  on 4.750      
Type: Big Brake Dynamic Lug Drive - Short Offset
Mount Type: Dynamic Lug Mount
Material: Aluminum
Big Brake Dynamic Lug Drive - Short Offset

Big Brake Dynamic Lug Drive - Short Offset Drawing Big Brake Dynamic Lug Drive - Short Offset Drawing Zoom Image

Big Brake Dynamic Lug Drive - Short Offset Description

Wilwood's new Big Brake Dynamic Lug Drive hats incorporate a new rotor mounting system that eliminates the rotor bolts and allows the rotors to move independently of the hats as they expand and contract through heat cycles. All thermally generated stress is removed from the rotor attachment points. The rotors stay flatter and run truer. Brake response and pedal feel remain consistent. Pad knock back and rotor drag are eliminated. The hats are no longer distorted by stresses generated by thermal expansion and shrinkage of the rotors. All problems associated with thermal distortion, including bolt hole alignment issues when trying to re-install new rotors on a previously used hat, are eliminated.
NOTE & CAUTIONS:
300-14913 Dynamic Lug Mount Clip & Snap Ring kit are required for rotor mounting.
Ordering Information for Big Brake Dynamic Lug Drive - Short Offset
Item No 170-15738
Info Details
Center Reg Dia 2.78
Whl Stud Cir Dia/Stud Dia 4.750 / 0.520 
I.D. Clear(in) 7.68
Shoe I.D.
Face Thick 0.34
Price $247.66
Purchase
Call (805) 388-1188
Big Brake Dynamic Lug Drive - Short Offset
Rotor Bolt Circle: 12lug-8.80
Hat Offset: 0.550
Wheel Stud Circle(s): 5 Holes  on 4.750      
Type: Big Brake Dynamic Lug Drive - Short Offset
Mount Type: Dynamic Lug Mount
Material: Aluminum
Big Brake Dynamic Lug Drive - Short Offset

Big Brake Dynamic Lug Drive - Short Offset Drawing Big Brake Dynamic Lug Drive - Short Offset Drawing Zoom Image

Big Brake Dynamic Lug Drive - Short Offset Description

Wilwood's new Big Brake Dynamic Lug Drive hats incorporate a new rotor mounting system that eliminates the rotor bolts and allows the rotors to move independently of the hats as they expand and contract through heat cycles. All thermally generated stress is removed from the rotor attachment points. The rotors stay flatter and run truer. Brake response and pedal feel remain consistent. Pad knock back and rotor drag are eliminated. The hats are no longer distorted by stresses generated by thermal expansion and shrinkage of the rotors. All problems associated with thermal distortion, including bolt hole alignment issues when trying to re-install new rotors on a previously used hat, are eliminated.
NOTE & CAUTIONS:
300-14913 Dynamic Lug Mount Clip & Snap Ring kit are required for rotor mounting.
Ordering Information for Big Brake Dynamic Lug Drive - Short Offset
Item No 170-15999
Info Details
Center Reg Dia 3.12
Whl Stud Cir Dia/Stud Dia 4.750 / 0.610 
I.D. Clear(in) 7.63
Shoe I.D.
Face Thick 0.29
Price $171.43
Purchase
Call (805) 388-1188
Big Brake Dynamic Lug Drive - Short Offset
Rotor Bolt Circle: 12lug-8.80
Hat Offset: 0.692
Wheel Stud Circle(s): 5 Holes  on 4.750      
Type: Big Brake Dynamic Lug Drive - Short Offset
Mount Type: Dynamic Lug Mount
Material: Aluminum
Big Brake Dynamic Lug Drive - Short Offset

Big Brake Dynamic Lug Drive - Short Offset Drawing Big Brake Dynamic Lug Drive - Short Offset Drawing Zoom Image

Big Brake Dynamic Lug Drive - Short Offset Description

Wilwood's new Big Brake Dynamic Lug Drive hats incorporate a new rotor mounting system that eliminates the rotor bolts and allows the rotors to move independently of the hats as they expand and contract through heat cycles. All thermally generated stress is removed from the rotor attachment points. The rotors stay flatter and run truer. Brake response and pedal feel remain consistent. Pad knock back and rotor drag are eliminated. The hats are no longer distorted by stresses generated by thermal expansion and shrinkage of the rotors. All problems associated with thermal distortion, including bolt hole alignment issues when trying to re-install new rotors on a previously used hat, are eliminated.
NOTE & CAUTIONS:
300-14913 Dynamic Lug Mount Clip & Snap Ring kit are required for rotor mounting.
Ordering Information for Big Brake Dynamic Lug Drive - Short Offset
Item No 170-16203
Info Details
Center Reg Dia 2.78
Whl Stud Cir Dia/Stud Dia 4.750 / 0.520 
I.D. Clear(in) 7.54
Shoe I.D.
Face Thick 0.30
Price $228.61
Purchase
Call (805) 388-1188
Big Brake Dynamic Lug Drive - Short Offset
Rotor Bolt Circle: 12lug-8.80
Hat Offset: 0.868
Wheel Stud Circle(s): 5 Holes  on 4.750  ;  5.000   
Type: Big Brake Dynamic Lug Drive - Short Offset
Mount Type: Dynamic Lug Mount
Material: Aluminum
Big Brake Dynamic Lug Drive - Short Offset

Big Brake Dynamic Lug Drive - Short Offset Drawing Big Brake Dynamic Lug Drive - Short Offset Drawing

Big Brake Dynamic Lug Drive - Short Offset Description

Wilwood's new Big Brake Dynamic Lug Drive hats incorporate a new rotor mounting system that eliminates the rotor bolts and allows the rotors to move independently of the hats as they expand and contract through heat cycles. All thermally generated stress is removed from the rotor attachment points. The rotors stay flatter and run truer. Brake response and pedal feel remain consistent. Pad knock back and rotor drag are eliminated. The hats are no longer distorted by stresses generated by thermal expansion and shrinkage of the rotors. All problems associated with thermal distortion, including bolt hole alignment issues when trying to re-install new rotors on a previously used hat, are eliminated.
NOTE & CAUTIONS:
300-14913 Dynamic Lug Mount Clip & Snap Ring kit are required for rotor mounting.
Ordering Information for Big Brake Dynamic Lug Drive - Short Offset
Item No 170-17020
Info Details
Center Reg Dia 2.78
Whl Stud Cir Dia/Stud Dia 4.750 / 0.520 
I.D. Clear(in) 7.44
Shoe I.D.
Face Thick 0.30
Price $247.66
Purchase
Call (805) 388-1188
Big Brake Dynamic Lug Drive - Flared Bell
Rotor Bolt Circle: 12lug-8.80
Hat Offset: 0.920
Wheel Stud Circle(s): 5 Holes  on 4.720      
Type: Big Brake Dynamic Lug Drive - Flared Bell
Mount Type: Dynamic Lug Mount
Material: Aluminum
Big Brake Dynamic Lug Drive - Flared Bell

Big Brake Dynamic Lug Drive - Flared Bell Drawing Big Brake Dynamic Lug Drive - Flared Bell Drawing Zoom Image

Big Brake Dynamic Lug Drive - Flared Bell Description

Big Brake Dynamic Lug Mount Flared Bell hats are precision machined from premium aluminum alloys for high strength and attention to minimized weight. Hats in this category feature dynamic lug mount rotor slots and a corresponding snap ring groove for use with lug mount rotors.
NOTE & CAUTIONS:
300-14913 Dynamic Lug Mount Clip & Snap Ring kit are required for rotor mounting.
Ordering Information for Big Brake Dynamic Lug Drive - Flared Bell
Item No 170-15426
Info Details
Center Reg Dia 2.66
Whl Stud Cir Dia/Stud Dia 4.720 / 0.640 
I.D. Clear(in) 7.44
Shoe I.D.
Face Thick 0.30
Price $304.84
Purchase
Call (805) 388-1188
Big Brake Dynamic Lug Drive - Flared Bell
Rotor Bolt Circle: 12lug-8.80
Hat Offset: 1.080
Wheel Stud Circle(s): 5 Holes  on 4.750      
Type: Big Brake Dynamic Lug Drive - Flared Bell
Mount Type: Dynamic Lug Mount
Material: Aluminum
Big Brake Dynamic Lug Drive - Flared Bell

Big Brake Dynamic Lug Drive - Flared Bell Drawing Big Brake Dynamic Lug Drive - Flared Bell Drawing Zoom Image

Big Brake Dynamic Lug Drive - Flared Bell Description

Wilwood's new Big Brake Dynamic Lug Drive hats incorporate a new rotor mounting system that eliminates the rotor bolts and allows the rotors to move independently of the hats as they expand and contract through heat cycles. All thermally generated stress is removed from the rotor attachment points. The rotors stay flatter and run truer. Brake response and pedal feel remain consistent. Pad knock back and rotor drag are eliminated. The hats are no longer distorted by stresses generated by thermal expansion and shrinkage of the rotors. All problems associated with thermal distortion, including bolt hole alignment issues when trying to re-install new rotors on a previously used hat, are eliminated.
NOTE & CAUTIONS:
300-14913 Dynamic Lug Mount Clip & Snap Ring kit are required for rotor mounting.
Ordering Information for Big Brake Dynamic Lug Drive - Flared Bell
Item No 170-16011
Info Details
Center Reg Dia 2.96
Whl Stud Cir Dia/Stud Dia 4.750 / 0.610 
I.D. Clear(in) 7.42
Shoe I.D.
Face Thick 0.34
Price $228.61
Purchase
Call (805) 388-1188
Big Brake Dynamic Lug Drive - Flared Bell
Rotor Bolt Circle: 12Lug-8.80
Hat Offset: 1.370
Wheel Stud Circle(s): 5 Holes  on 4.500      
Type: Big Brake Dynamic Lug Drive - Flared Bell
Mount Type: Dynamic Lug Mount
Material: Aluminum
Big Brake Dynamic Lug Drive - Flared Bell

Big Brake Dynamic Lug Drive - Flared Bell Drawing Big Brake Dynamic Lug Drive - Flared Bell Drawing Zoom Image

Big Brake Dynamic Lug Drive - Flared Bell Description

Wilwood's new Big Brake Dynamic Lug Drive hats incorporate a new rotor mounting system that eliminates the rotor bolts and allows the rotors to move independently of the hats as they expand and contract through heat cycles. All thermally generated stress is removed from the rotor attachment points. The rotors stay flatter and run truer. Brake response and pedal feel remain consistent. Pad knock back and rotor drag are eliminated. The hats are no longer distorted by stresses generated by thermal expansion and shrinkage of the rotors. All problems associated with thermal distortion, including bolt hole alignment issues when trying to re-install new rotors on a previously used hat, are eliminated.
NOTE & CAUTIONS:
300-14913 Dynamic Lug Mount Clip & Snap Ring kit are required for rotor mounting.
Ordering Information for Big Brake Dynamic Lug Drive - Flared Bell
Item No 170-14911
Info Details
Center Reg Dia 2.80
Whl Stud Cir Dia/Stud Dia 4.500 / 0.630 
I.D. Clear(in) 6.26
Shoe I.D.
Face Thick 0.28
Price $304.84
Purchase
Call (805) 388-1188
Big Brake Dynamic Lug Drive - Flared Bell
Rotor Bolt Circle: 12lug-8.80
Hat Offset: 1.590
Wheel Stud Circle(s): 5 Holes  on 4.500  ;  4.750   
Type: Big Brake Dynamic Lug Drive - Flared Bell
Mount Type: Dynamic Lug Mount
Material: Aluminum
Big Brake Dynamic Lug Drive - Flared Bell

Big Brake Dynamic Lug Drive - Flared Bell Drawing Big Brake Dynamic Lug Drive - Flared Bell Drawing Zoom Image

Big Brake Dynamic Lug Drive - Flared Bell Description

Wilwood's new Big Brake Dynamic Lug Drive hats incorporate a new rotor mounting system that eliminates the rotor bolts and allows the rotors to move independently of the hats as they expand and contract through heat cycles. All thermally generated stress is removed from the rotor attachment points. The rotors stay flatter and run truer. Brake response and pedal feel remain consistent. Pad knock back and rotor drag are eliminated. The hats are no longer distorted by stresses generated by thermal expansion and shrinkage of the rotors. All problems associated with thermal distortion, including bolt hole alignment issues when trying to re-install new rotors on a previously used hat, are eliminated.
NOTE & CAUTIONS:
300-14913 Dynamic Lug Mount Clip & Snap Ring kit are required for rotor mounting.
Ordering Information for Big Brake Dynamic Lug Drive - Flared Bell
Item No 170-16107
Info Details
Center Reg Dia 3.06
Whl Stud Cir Dia/Stud Dia 4.500 / 0.520 
I.D. Clear(in) 6.28
Shoe I.D.
Face Thick 0.25
Price $247.66
Purchase
Call (805) 388-1188
Drag Hat - Spindle Mount
Rotor Bolt Circle: 5 x 5.00
Hat Offset: 0.750
Wheel Stud Circle(s): 5 Holes  on 4.750      
Type: Drag Hat - Spindle Mount
Mount Type: Fixed Mount
Material: Aluminum
Drag Hat - Spindle Mount

Drag Hat - Spindle Mount Drawing Drag Hat - Spindle Mount Drawing Zoom Image

Drag Hat - Spindle Mount Description

Wilwood's Spindle Mount Rotor Hats are manufactured from premium grade aluminum alloys offering high strength, low weight, and show quality appeal. This hat is designed for direct mount to spindle mount wheel applications and has an outside (wheel) mounting face to rotor face mounting stated offset.
NOTE & CAUTIONS:
Spindle mount hat, offset ststed is from outside face to outside face.
Ordering Information for Drag Hat - Spindle Mount
Item No 170-16562
Info Details
Center Reg Dia 3.27
Whl Stud Cir Dia/Stud Dia 4.750 / 0.390 
I.D. Clear(in)
Shoe I.D.
Face Thick 0.22
Price $140.95
Purchase
Call (805) 388-1188
Drag Hat - Spindle Mount
Rotor Bolt Circle: 5 x 5.00
Hat Offset: 0.900
Wheel Stud Circle(s): 5 Holes  on 4.750      
Type: Drag Hat - Spindle Mount
Mount Type: Fixed Mount
Material: Aluminum
Drag Hat - Spindle Mount

Drag Hat - Spindle Mount Drawing Drag Hat - Spindle Mount Drawing Zoom Image

Drag Hat - Spindle Mount Description

Wilwood's Spindle Mount Rotor Hats are manufactured from premium grade aluminum alloys offering high strength, low weight, and show quality appeal. This hat is designed for direct mount to spindle mount wheel applications and has an outside (wheel) mounting face to rotor face mounting stated offset.
NOTE & CAUTIONS:
Spindle mount hat, offset ststed is from outside face to outside face.
Ordering Information for Drag Hat - Spindle Mount
Item No 170-16563
Info Details
Center Reg Dia 3.27
Whl Stud Cir Dia/Stud Dia 4.750 / 0.390 
I.D. Clear(in)
Shoe I.D.
Face Thick 0.22
Price $148.42
Purchase
Call (805) 388-1188
Drag Hat - Spindle Mount
Rotor Bolt Circle: 5 x 5.00
Hat Offset: 1.000
Wheel Stud Circle(s): 5 Holes  on 4.750      
Type: Drag Hat - Spindle Mount
Mount Type: Fixed Mount
Material: Aluminum
Drag Hat - Spindle Mount

Drag Hat - Spindle Mount Drawing Drag Hat - Spindle Mount Drawing Zoom Image

Drag Hat - Spindle Mount Description

Wilwood's Spindle Mount Rotor Hats are manufactured from premium grade aluminum alloys offering high strength, low weight, and show quality appeal. This hat is designed for direct mount to spindle mount wheel applications and has an outside (wheel) mounting face to rotor face mounting stated offset.
NOTE & CAUTIONS:

Ordering Information for Drag Hat - Spindle Mount
Item No 170-0995
Info Details
Center Reg Dia 3.57
Whl Stud Cir Dia/Stud Dia 4.750 / 0.390 
I.D. Clear(in)
Shoe I.D.
Face Thick 0.22
Price $140.95
Purchase
Call (805) 388-1188
Big Brake Hat - Short Offset
Rotor Bolt Circle: 6 x 6.25
Hat Offset: 0.640
Wheel Stud Circle(s): 4 Holes  on 3.860      
Type: Big Brake Hat - Short Offset
Mount Type: Fixed Mount
Material: Aluminum
Big Brake Hat - Short Offset

Big Brake Hat - Short Offset Drawing Big Brake Hat - Short Offset Drawing Zoom Image

Big Brake Hat - Short Offset Description

GT Series Big Brake Short Offset hats are precision machined from premium aluminum alloys for high strength and attention to minimized weight. Hats in this category feature threaded rotor mount holes for use with standard through-hole mount rotors. Threaded hole hats may also be used with T-Nuts or bobbins designed for use with specially machined slotted hole dynamic mount rotors. When used in conjunction with matched Wilwood rotor hardware kits, GT hats provide solid, reliable performance in the most demanding conditions. Short Offset Hats are for narrow space applications with offsets often less than 1.00". They are available for most rotor bolt patterns in a variety of four and five lug wheel patterns.
NOTE & CAUTIONS:
3.06 " diameter register with counterbore for register ring.
Ordering Information for Big Brake Hat - Short Offset
Item No 170-12770
Info Details
Center Reg Dia 3.06
Whl Stud Cir Dia/Stud Dia 3.860 / 0.000 
I.D. Clear(in) 5.20
Shoe I.D.
Face Thick 0.25
Price $171.43
Purchase
Call (805) 388-1188
Drag Hat - Shallow Offset
Rotor Bolt Circle: 6 x 6.25
Hat Offset: 0.660
Wheel Stud Circle(s): 4 Holes  on 3.930      
Type: Drag Hat - Shallow Offset
Mount Type: Fixed Mount
Material: Aluminum
Drag Hat - Shallow Offset

Drag Hat - Shallow Offset Drawing Drag Hat - Shallow Offset Drawing Zoom Image

Drag Hat - Shallow Offset Description

GT Series Shallow Offset Drag hats are precision machined from premium aluminum alloys for high strength and attention to minimized weight. Hats in this category feature threaded rotor mount holes for use with standard through-hole mount rotors. Threaded hole hats may also be used with T-Nuts or bobbins designed for use with specially machined slotted hole dynamic mount rotors. When used in conjunction with matched Wilwood rotor hardware kits, GT hats provide solid, reliable performance in the most demanding conditions. Shallow Offset Drag Hats are for narrow space applications with offsets often less than 1.00". They are available for most rotor bolt patterns in a variety of four and five lug wheel patterns.
NOTE & CAUTIONS:

Ordering Information for Drag Hat - Shallow Offset
Item No 170-8643
Info Details
Center Reg Dia 2.53
Whl Stud Cir Dia/Stud Dia 3.930 / 0.500 
I.D. Clear(in) 5.10
Shoe I.D.
Face Thick 0.32
Price $133.32
Purchase
Call (805) 388-1188
Big Brake Hat - Short Offset
Rotor Bolt Circle: 6 x 6.25
Hat Offset: 0.725
Wheel Stud Circle(s): 4 Holes  on 4.000      
Type: Big Brake Hat - Short Offset
Mount Type: Fixed Mount
Material: Aluminum
Big Brake Hat - Short Offset

Big Brake Hat - Short Offset Drawing Big Brake Hat - Short Offset Drawing Zoom Image

Big Brake Hat - Short Offset Description

This Big Brake Short Offset hat is designed for a front mounting design to be used as a (backside) hub mount, opposite of our traditional over the hub mounting. Designed specifically for the Triumph TR6 with a 4 x 4.00 bolt circle and an 6 x 6.25 rotor bolt circle. Big Brake Short Offset hats are precision machined from premium aluminum alloys for high strength and attention to minimized weight. Hats in this category feature threaded rotor mount holes for use with standard through-hole mount rotors.
NOTE & CAUTIONS:
Intended front side mount offset is 0.725", traditional back side mount offset is 0.475"
Ordering Information for Big Brake Hat - Short Offset
Item No 170-15920
Info Details
Center Reg Dia 3.13
Whl Stud Cir Dia/Stud Dia 4.000 / 0.390 
I.D. Clear(in) 5.20
Shoe I.D.
Face Thick 0.25
Price $125.50
Purchase
Call (805) 388-1188
Big Brake Dynamic Hat - Short Offset
Rotor Bolt Circle: 6 x 6.25
Hat Offset: 0.750
Wheel Stud Circle(s): 4 Holes  on 3.930      
Type: Big Brake Dynamic Hat - Short Offset
Mount Type: Dynamic Mount
Material: Aluminum
Big Brake Dynamic Hat - Short Offset

Big Brake Dynamic Hat - Short Offset Drawing Big Brake Dynamic Hat - Short Offset Drawing

Big Brake Dynamic Hat - Short Offset Description

Big Brake Dynamic Short Offset hats are precision machined from premium aluminum alloys for high strength and attention to minimized weight. Hats in this category feature dynamic mount t-nut mount holes for use with standard through-hole mount rotors. When used in conjunction with matched Wilwood rotor hardware kits, Big Brake Dynamic hats provide solid, reliable performance in the most demanding conditions. Short Offset Hats are for narrow space applications with offsets often less than 1.00". They are available for most rotor bolt patterns in a variety of four and five lug wheel patterns.
NOTE & CAUTIONS:

Ordering Information for Big Brake Dynamic Hat - Short Offset
Item No 170-17131
Info Details
Center Reg Dia 3.06
Whl Stud Cir Dia/Stud Dia 3.930 / 0.500 
I.D. Clear(in) 5.30
Shoe I.D.
Face Thick 0.32
Price $246.79
Purchase
Call (805) 388-1188
Big Brake Hat - Short Offset
Rotor Bolt Circle: 6 x 6.25
Hat Offset: 0.750
Wheel Stud Circle(s): 5 Holes  on 3.350      
Type: Big Brake Hat - Short Offset
Mount Type: Fixed Mount
Material: Aluminum
Big Brake Hat - Short Offset

Big Brake Hat - Short Offset Drawing Big Brake Hat - Short Offset Drawing Zoom Image

Big Brake Hat - Short Offset Description

GT Series Big Brake Short Offset hats are precision machined from premium aluminum alloys for high strength and attention to minimized weight. Hats in this category feature threaded rotor mount holes for use with standard through-hole mount rotors. Threaded hole hats may also be used with T-Nuts or bobbins designed for use with specially machined slotted hole dynamic mount rotors. When used in conjunction with matched Wilwood rotor hardware kits, GT hats provide solid, reliable performance in the most demanding conditions. Short Offset Hats are for narrow space applications with offsets often less than 1.00". They are available for most rotor bolt patterns in a variety of four and five lug wheel patterns.
NOTE & CAUTIONS:

Ordering Information for Big Brake Hat - Short Offset
Item No 170-12538
Info Details
Center Reg Dia 2.75
Whl Stud Cir Dia/Stud Dia 3.350 / 0.391 
I.D. Clear(in) 5.20
Shoe I.D.
Face Thick 0.32
Price $180.96
Purchase
Call (805) 388-1188
Big Brake Hat - Short Offset
Rotor Bolt Circle: 6 x 6.25
Hat Offset: 0.750
Wheel Stud Circle(s): 4 Holes  on 3.930      
Type: Big Brake Hat - Short Offset
Mount Type: Fixed Mount
Material: Aluminum
Big Brake Hat - Short Offset

Big Brake Hat - Short Offset Drawing Big Brake Hat - Short Offset Drawing Zoom Image

Big Brake Hat - Short Offset Description

GT Series Big Brake Short Offset hats are precision machined from premium aluminum alloys for high strength and attention to minimized weight. Hats in this category feature threaded rotor mount holes for use with standard through-hole mount rotors. Threaded hole hats may also be used with T-Nuts or bobbins designed for use with specially machined slotted hole dynamic mount rotors. When used in conjunction with matched Wilwood rotor hardware kits, GT hats provide solid, reliable performance in the most demanding conditions. Short Offset Hats are for narrow space applications with offsets often less than 1.00". They are available for most rotor bolt patterns in a variety of four and five lug wheel patterns.
NOTE & CAUTIONS:
3.06 " diameter register with counterbore for register ring.
Ordering Information for Big Brake Hat - Short Offset
Item No 170-11682
Info Details
Center Reg Dia 3.06
Whl Stud Cir Dia/Stud Dia 3.930 / 0.500 
I.D. Clear(in) 5.20
Shoe I.D.
Face Thick 0.32
Price $171.43
Purchase
Call (805) 388-1188
Big Brake Hat - Short Offset
Rotor Bolt Circle: 6 x 6.25
Hat Offset: 0.770
Wheel Stud Circle(s): 0 Holes  on       
Type: Big Brake Hat - Short Offset
Mount Type: Fixed Mount
Material: Aluminum
Big Brake Hat - Short Offset

Big Brake Hat - Short Offset Drawing Big Brake Hat - Short Offset Drawing Zoom Image

Big Brake Hat - Short Offset Description

GT Series Big Brake Short Offset hats are precision machined from premium aluminum alloys for high strength and attention to minimized weight. Hats in this category feature threaded rotor mount holes for use with standard through-hole mount rotors. Threaded hole hats may also be used with T-Nuts or bobbins designed for use with specially machined slotted hole dynamic mount rotors. When used in conjunction with matched Wilwood rotor hardware kits, GT hats provide solid, reliable performance in the most demanding conditions. Short Offset Hats are for narrow space applications with offsets often less than 1.00". They are available for most rotor bolt patterns in a variety of four and five lug wheel patterns.
NOTE & CAUTIONS:

Ordering Information for Big Brake Hat - Short Offset
Item No 171-8975
Info Details
Center Reg Dia 2.17
Whl Stud Cir Dia/Stud Dia 0.000 / 0.000 
I.D. Clear(in) 5.10
Shoe I.D.
Face Thick 0.32
Price $137.14
Purchase
Call (805) 388-1188
Big Brake Hat - Short Offset
Rotor Bolt Circle: 6 x 6.25
Hat Offset: 0.900
Wheel Stud Circle(s): 5 Holes  on 4.380      
Type: Big Brake Hat - Short Offset
Mount Type: Fixed Mount
Material: Aluminum
Image Coming Soon

Big Brake Hat - Short Offset Drawing Big Brake Hat - Short Offset Drawing Zoom Image

Big Brake Hat - Short Offset Description

GT Series Big Brake Short Offset hats are precision machined from premium aluminum alloys for high strength and attention to minimized weight. Hats in this category feature threaded rotor mount holes for use with standard through-hole mount rotors. Threaded hole hats may also be used with T-Nuts or bobbins designed for use with specially machined slotted hole dynamic mount rotors. When used in conjunction with matched Wilwood rotor hardware kits, GT hats provide solid, reliable performance in the most demanding conditions. Short Offset Hats are for narrow space applications with offsets often less than 1.00". They are available for most rotor bolt patterns in a variety of four and five lug wheel patterns.
NOTE & CAUTIONS:

Ordering Information for Big Brake Hat - Short Offset
Item No 170-15398
Info Details
Center Reg Dia 3.27
Whl Stud Cir Dia/Stud Dia 4.380 / 0.450 
I.D. Clear(in) 5.56
Shoe I.D.
Face Thick 0.30
Price $246.79
Purchase
Call (805) 388-1188
Drag Hat - Shallow Offset
Rotor Bolt Circle: 6 x 6.25
Hat Offset: 1.380
Wheel Stud Circle(s): 5 Holes  on 4.500      
Type: Drag Hat - Shallow Offset
Mount Type: Fixed Mount
Material: Aluminum
Drag Hat - Shallow Offset

Drag Hat - Shallow Offset Drawing Drag Hat - Shallow Offset Drawing Zoom Image

Drag Hat - Shallow Offset Description

GT Series Shallow Offset Drag hats are precision machined from premium aluminum alloys for high strength and attention to minimized weight. Hats in this category feature threaded rotor mount holes for use with standard through-hole mount rotors. Threaded hole hats may also be used with T-Nuts or bobbins designed for use with specially machined slotted hole dynamic mount rotors. When used in conjunction with matched Wilwood rotor hardware kits, GT hats provide solid, reliable performance in the most demanding conditions. Shallow Offset Drag Hats are for narrow space applications with offsets often less than 1.00". They are available for most rotor bolt patterns in a variety of four and five lug wheel patterns.
NOTE & CAUTIONS:
3.06 " diameter register with counterbore for register ring.
Ordering Information for Drag Hat - Shallow Offset
Item No 170-14095
Info Details
Center Reg Dia 3.06
Whl Stud Cir Dia/Stud Dia 4.500 / 0.000 
I.D. Clear(in) 5.49
Shoe I.D.
Face Thick 0.25
Price $133.32
Purchase
Call (805) 388-1188
Big Brake Hat - Short Offset
Rotor Bolt Circle: 8 x 7.00
Hat Offset: 0.272
Wheel Stud Circle(s): 5 Holes  on 4.961      
Type: Big Brake Hat - Short Offset
Mount Type: Fixed Mount
Material: Aluminum
Big Brake Hat - Short Offset

Big Brake Hat - Short Offset Drawing Big Brake Hat - Short Offset Drawing

Big Brake Hat - Short Offset Description

Wilwood's new Big Brake Dynamic Lug Drive hats incorporate a new rotor mounting system that eliminates the rotor bolts and allows the rotors to move independently of the hats as they expand and contract through heat cycles. All thermally generated stress is removed from the rotor attachment points. The rotors stay flatter and run truer. Brake response and pedal feel remain consistent. Pad knock back and rotor drag are eliminated. The hats are no longer distorted by stresses generated by thermal expansion and shrinkage of the rotors. All problems associated with thermal distortion, including bolt hole alignment issues when trying to re-install new rotors on a previously used hat, are eliminated.
NOTE & CAUTIONS:

Ordering Information for Big Brake Hat - Short Offset
Item No 170-16936
Info Details
Center Reg Dia 4.22
Whl Stud Cir Dia/Stud Dia 4.961 / 0.000 
I.D. Clear(in) 6.14
Shoe I.D.
Face Thick 0.27
Price $140.95
Purchase
Call (805) 388-1188
Big Brake Hat - Short Offset
Rotor Bolt Circle: 8 x 7.00
Hat Offset: 0.280
Wheel Stud Circle(s): 5 Holes  on 4.410      
Type: Big Brake Hat - Short Offset
Mount Type: Fixed Mount
Material: Aluminum
Big Brake Hat - Short Offset

Big Brake Hat - Short Offset Drawing Big Brake Hat - Short Offset Drawing Zoom Image

Big Brake Hat - Short Offset Description

GT Series Big Brake Short Offset hats are precision machined from premium aluminum alloys for high strength and attention to minimized weight. Hats in this category feature threaded rotor mount holes for use with standard through-hole mount rotors. Threaded hole hats may also be used with T-Nuts or bobbins designed for use with specially machined slotted hole dynamic mount rotors. When used in conjunction with matched Wilwood rotor hardware kits, GT hats provide solid, reliable performance in the most demanding conditions. Short Offset Hats are for narrow space applications with offsets often less than 1.00". They are available for most rotor bolt patterns in a variety of four and five lug wheel patterns.
NOTE & CAUTIONS:

Ordering Information for Big Brake Hat - Short Offset
Item No 170-15220
Info Details
Center Reg Dia 2.64
Whl Stud Cir Dia/Stud Dia 4.410 / 0.000 
I.D. Clear(in) 6.06
Shoe I.D.
Face Thick 0.27
Price $148.42
Purchase
Call (805) 388-1188
Big Brake Hat - Short Offset
Rotor Bolt Circle: 8 x 7.00
Hat Offset: 0.340
Wheel Stud Circle(s): 5 Holes  on 4.410      
Type: Big Brake Hat - Short Offset
Mount Type: Fixed Mount
Material: Aluminum
Big Brake Hat - Short Offset

Big Brake Hat - Short Offset Drawing Big Brake Hat - Short Offset Drawing Zoom Image

Big Brake Hat - Short Offset Description

GT Series Big Brake Short Offset hats are precision machined from premium aluminum alloys for high strength and attention to minimized weight. Hats in this category feature threaded rotor mount holes for use with standard through-hole mount rotors. Threaded hole hats may also be used with T-Nuts or bobbins designed for use with specially machined slotted hole dynamic mount rotors. When used in conjunction with matched Wilwood rotor hardware kits, GT hats provide solid, reliable performance in the most demanding conditions. Short Offset Hats are for narrow space applications with offsets often less than 1.00". They are available for most rotor bolt patterns in a variety of four and five lug wheel patterns.
NOTE & CAUTIONS:

Ordering Information for Big Brake Hat - Short Offset
Item No 170-14592
Info Details
Center Reg Dia 2.68
Whl Stud Cir Dia/Stud Dia 4.410 / 0.590 
I.D. Clear(in) 6.08
Shoe I.D.
Face Thick 0.31
Price $140.95
Purchase
Call (805) 388-1188
Big Brake Hat - Short Offset
Rotor Bolt Circle: 8 x 7.00
Hat Offset: 0.410
Wheel Stud Circle(s): 5 Holes  on 3.930      
Type: Big Brake Hat - Short Offset
Mount Type: Fixed Mount
Material: Aluminum
Big Brake Hat - Short Offset

Big Brake Hat - Short Offset Drawing Big Brake Hat - Short Offset Drawing Zoom Image

Big Brake Hat - Short Offset Description

GT Series Big Brake Short Offset hats are precision machined from premium aluminum alloys for high strength and attention to minimized weight. Hats in this category feature threaded rotor mount holes for use with standard through-hole mount rotors. Threaded hole hats may also be used with T-Nuts or bobbins designed for use with specially machined slotted hole dynamic mount rotors. When used in conjunction with matched Wilwood rotor hardware kits, GT hats provide solid, reliable performance in the most demanding conditions. Short Offset Hats are for narrow space applications with offsets often less than 1.00". They are available for most rotor bolt patterns in a variety of four and five lug wheel patterns.
NOTE & CAUTIONS:

Ordering Information for Big Brake Hat - Short Offset
Item No 170-8269
Info Details
Center Reg Dia 2.57
Whl Stud Cir Dia/Stud Dia 3.930 / 0.580 
I.D. Clear(in) 5.90
Shoe I.D.
Face Thick 0.25
Price $171.43
Purchase
Call (805) 388-1188
Big Brake Hat - Short Offset
Rotor Bolt Circle: 8 x 7.00
Hat Offset: 0.450
Wheel Stud Circle(s): 4 Holes  on 3.930      
Type: Big Brake Hat - Short Offset
Mount Type: Fixed Mount
Material: Aluminum
Big Brake Hat - Short Offset

Big Brake Hat - Short Offset Drawing Big Brake Hat - Short Offset Drawing Zoom Image

Big Brake Hat - Short Offset Description

GT Series Big Brake Short Offset hats are precision machined from premium aluminum alloys for high strength and attention to minimized weight. Hats in this category feature threaded rotor mount holes for use with standard through-hole mount rotors. Threaded hole hats may also be used with T-Nuts or bobbins designed for use with specially machined slotted hole dynamic mount rotors. When used in conjunction with matched Wilwood rotor hardware kits, GT hats provide solid, reliable performance in the most demanding conditions. Short Offset Hats are for narrow space applications with offsets often less than 1.00". They are available for most rotor bolt patterns in a variety of four and five lug wheel patterns.
NOTE & CAUTIONS:

Ordering Information for Big Brake Hat - Short Offset
Item No 170-6288
Info Details
Center Reg Dia 2.53
Whl Stud Cir Dia/Stud Dia 3.930 / 0.500 
I.D. Clear(in) 5.90
Shoe I.D.
Face Thick 0.25
Price $171.43
Purchase
Call (805) 388-1188
Big Brake Hat - Short Offset
Rotor Bolt Circle: 8 x 7.00
Hat Offset: 0.450
Wheel Stud Circle(s): 4 Holes  on 3.930      
Type: Big Brake Hat - Short Offset
Mount Type: Fixed Mount
Material: Aluminum
Big Brake Hat - Short Offset

Big Brake Hat - Short Offset Drawing Big Brake Hat - Short Offset Drawing Zoom Image

Big Brake Hat - Short Offset Description

GT Series Big Brake Short Offset hats are precision machined from premium aluminum alloys for high strength and attention to minimized weight. Hats in this category feature threaded rotor mount holes for use with standard through-hole mount rotors. Threaded hole hats may also be used with T-Nuts or bobbins designed for use with specially machined slotted hole dynamic mount rotors. When used in conjunction with matched Wilwood rotor hardware kits, GT hats provide solid, reliable performance in the most demanding conditions. Short Offset Hats are for narrow space applications with offsets often less than 1.00". They are available for most rotor bolt patterns in a variety of four and five lug wheel patterns.
NOTE & CAUTIONS:

Ordering Information for Big Brake Hat - Short Offset
Item No 170-10868
Info Details
Center Reg Dia 2.53
Whl Stud Cir Dia/Stud Dia 3.930 / 0.640 
I.D. Clear(in) 5.90
Shoe I.D.
Face Thick 0.25
Price $171.43
Purchase
Call (805) 388-1188
Big Brake Hat - Short Offset
Rotor Bolt Circle: 8 x 7.00
Hat Offset: 0.500
Wheel Stud Circle(s): 5 Holes  on 3.930      
Type: Big Brake Hat - Short Offset
Mount Type: Fixed Mount
Material: Aluminum
Big Brake Hat - Short Offset

Big Brake Hat - Short Offset Drawing Big Brake Hat - Short Offset Drawing Zoom Image

Big Brake Hat - Short Offset Description

GT Series Big Brake Short Offset hats are precision machined from premium aluminum alloys for high strength and attention to minimized weight. Hats in this category feature threaded rotor mount holes for use with standard through-hole mount rotors. Threaded hole hats may also be used with T-Nuts or bobbins designed for use with specially machined slotted hole dynamic mount rotors. When used in conjunction with matched Wilwood rotor hardware kits, GT hats provide solid, reliable performance in the most demanding conditions. Short Offset Hats are for narrow space applications with offsets often less than 1.00". They are available for most rotor bolt patterns in a variety of four and five lug wheel patterns.
NOTE & CAUTIONS:

Ordering Information for Big Brake Hat - Short Offset
Item No 170-6378
Info Details
Center Reg Dia 2.40
Whl Stud Cir Dia/Stud Dia 3.930 / 0.550 
I.D. Clear(in) 5.90
Shoe I.D.
Face Thick 0.25
Price $171.43
Purchase
Call (805) 388-1188
Big Brake Hat - Short Offset
Rotor Bolt Circle: 8 x 7.00
Hat Offset: 0.600
Wheel Stud Circle(s): 5 Holes  on 4.750      
Type: Big Brake Hat - Short Offset
Mount Type: Fixed Mount
Material: Aluminum
Big Brake Hat - Short Offset

Big Brake Hat - Short Offset Drawing Big Brake Hat - Short Offset Drawing

Big Brake Hat - Short Offset Description

GT Series Big Brake Short Offset hats are precision machined from premium aluminum alloys for high strength and attention to minimized weight. Hats in this category feature threaded rotor mount holes for use with standard through-hole mount rotors. Threaded hole hats may also be used with T-Nuts or bobbins designed for use with specially machined slotted hole dynamic mount rotors. When used in conjunction with matched Wilwood rotor hardware kits, GT hats provide solid, reliable performance in the most demanding conditions. Short Offset Hats are for narrow space applications with offsets often less than 1.00". They are available for most rotor bolt patterns in a variety of four and five lug wheel patterns.
NOTE & CAUTIONS:

Ordering Information for Big Brake Hat - Short Offset
Item No 170-16532
Info Details
Center Reg Dia 2.78
Whl Stud Cir Dia/Stud Dia 4.750 / 0.520 
I.D. Clear(in) 5.90
Shoe I.D.
Face Thick 0.28
Price $171.43
Purchase
Call (805) 388-1188
Drag Hat - Shallow Offset
Rotor Bolt Circle: 8 x 7.00
Hat Offset: 0.600
Wheel Stud Circle(s): 4 Holes  on 4.250      
Type: Drag Hat - Shallow Offset
Mount Type: Fixed Mount
Material: Aluminum
Drag Hat - Shallow Offset

Drag Hat - Shallow Offset Drawing Drag Hat - Shallow Offset Drawing Zoom Image

Drag Hat - Shallow Offset Description

GT Series Shallow Offset Drag hats are precision machined from premium aluminum alloys for high strength and attention to minimized weight. Hats in this category feature threaded rotor mount holes for use with standard through-hole mount rotors. Threaded hole hats may also be used with T-Nuts or bobbins designed for use with specially machined slotted hole dynamic mount rotors. When used in conjunction with matched Wilwood rotor hardware kits, GT hats provide solid, reliable performance in the most demanding conditions. Shallow Offset Drag Hats are for narrow space applications with offsets often less than 1.00". They are available for most rotor bolt patterns in a variety of four and five lug wheel patterns.
NOTE & CAUTIONS:
3.06 " diameter register with counterbore for register ring.
Ordering Information for Drag Hat - Shallow Offset
Item No 170-11902
Info Details
Center Reg Dia 3.06
Whl Stud Cir Dia/Stud Dia 4.250 / 0.520 
I.D. Clear(in) 5.90
Shoe I.D.
Face Thick 0.24
Price $180.96
Purchase
Call (805) 388-1188
Big Brake Hat - Short Offset
Rotor Bolt Circle: 8 x 7.00
Hat Offset: 0.610
Wheel Stud Circle(s): 4 Holes  on 3.860      
Type: Big Brake Hat - Short Offset
Mount Type: Fixed Mount
Material: Aluminum
Big Brake Hat - Short Offset

Big Brake Hat - Short Offset Drawing Big Brake Hat - Short Offset Drawing Zoom Image

Big Brake Hat - Short Offset Description

GT Series Big Brake Short Offset hats are precision machined from premium aluminum alloys for high strength and attention to minimized weight. Hats in this category feature threaded rotor mount holes for use with standard through-hole mount rotors. Threaded hole hats may also be used with T-Nuts or bobbins designed for use with specially machined slotted hole dynamic mount rotors. When used in conjunction with matched Wilwood rotor hardware kits, GT hats provide solid, reliable performance in the most demanding conditions. Short Offset Hats are for narrow space applications with offsets often less than 1.00". They are available for most rotor bolt patterns in a variety of four and five lug wheel patterns.
NOTE & CAUTIONS:
3.06 " diameter register with counterbore for register ring.
Ordering Information for Big Brake Hat - Short Offset
Item No 170-12771
Info Details
Center Reg Dia 3.06
Whl Stud Cir Dia/Stud Dia 3.860 / 0.000 
I.D. Clear(in) 5.90
Shoe I.D.
Face Thick 0.25
Price $171.43
Purchase
Call (805) 388-1188
Drag Hat - Shallow Offset
Rotor Bolt Circle: 8 x 7.00
Hat Offset: 0.650
Wheel Stud Circle(s): 5 Holes  on 4.500      
Type: Drag Hat - Shallow Offset
Mount Type: Fixed Mount
Material: Aluminum
Drag Hat - Shallow Offset

Drag Hat - Shallow Offset Drawing Drag Hat - Shallow Offset Drawing Zoom Image

Drag Hat - Shallow Offset Description

GT Series Shallow Offset Drag hats are precision machined from premium aluminum alloys for high strength and attention to minimized weight. Hats in this category feature threaded rotor mount holes for use with standard through-hole mount rotors. Threaded hole hats may also be used with T-Nuts or bobbins designed for use with specially machined slotted hole dynamic mount rotors. When used in conjunction with matched Wilwood rotor hardware kits, GT hats provide solid, reliable performance in the most demanding conditions. Shallow Offset Drag Hats are for narrow space applications with offsets often less than 1.00". They are available for most rotor bolt patterns in a variety of four and five lug wheel patterns.
NOTE & CAUTIONS:

Ordering Information for Drag Hat - Shallow Offset
Item No 170-10690
Info Details
Center Reg Dia 2.80
Whl Stud Cir Dia/Stud Dia 4.500 / 0.580 
I.D. Clear(in) 6.40
Shoe I.D.
Face Thick 0.25
Price $180.96
Purchase
Call (805) 388-1188
Big Brake Hat - Short Offset
Rotor Bolt Circle: 8 x 7.00
Hat Offset: 0.725
Wheel Stud Circle(s): 0 Holes  on       
Type: Big Brake Hat - Short Offset
Mount Type: Fixed Mount
Material: Aluminum
Big Brake Hat - Short Offset

Big Brake Hat - Short Offset Drawing Big Brake Hat - Short Offset Drawing Zoom Image

Big Brake Hat - Short Offset Description

GT Series Big Brake Short Offset hats are precision machined from premium aluminum alloys for high strength and attention to minimized weight. Hats in this category feature threaded rotor mount holes for use with standard through-hole mount rotors. Threaded hole hats may also be used with T-Nuts or bobbins designed for use with specially machined slotted hole dynamic mount rotors. When used in conjunction with matched Wilwood rotor hardware kits, GT hats provide solid, reliable performance in the most demanding conditions. Short Offset Hats are for narrow space applications with offsets often less than 1.00". They are available for most rotor bolt patterns in a variety of four and five lug wheel patterns.
NOTE & CAUTIONS:

Ordering Information for Big Brake Hat - Short Offset
Item No 171-7671
Info Details
Center Reg Dia 2.40
Whl Stud Cir Dia/Stud Dia 0.000 / 0.000 
I.D. Clear(in) 5.90
Shoe I.D.
Face Thick 0.25
Price $180.96
Purchase
Call (805) 388-1188
Big Brake Hat - Short Offset
Rotor Bolt Circle: 8 x 7.00
Hat Offset: 0.730
Wheel Stud Circle(s): 5 Holes  on 4.500      
Type: Big Brake Hat - Short Offset
Mount Type: Fixed Mount
Material: Aluminum
Big Brake Hat - Short Offset

Big Brake Hat - Short Offset Drawing Big Brake Hat - Short Offset Drawing Zoom Image

Big Brake Hat - Short Offset Description

GT Series Big Brake Short Offset hats are precision machined from premium aluminum alloys for high strength and attention to minimized weight. Hats in this category feature threaded rotor mount holes for use with standard through-hole mount rotors. Threaded hole hats may also be used with T-Nuts or bobbins designed for use with specially machined slotted hole dynamic mount rotors. When used in conjunction with matched Wilwood rotor hardware kits, GT hats provide solid, reliable performance in the most demanding conditions. Short Offset Hats are for narrow space applications with offsets often less than 1.00". They are available for most rotor bolt patterns in a variety of four and five lug wheel patterns.
NOTE & CAUTIONS:

Ordering Information for Big Brake Hat - Short Offset
Item No 170-6947
Info Details
Center Reg Dia 2.53
Whl Stud Cir Dia/Stud Dia 4.500 / 0.500 
I.D. Clear(in) 5.90
Shoe I.D.
Face Thick 0.25
Price $171.43
Purchase
Call (805) 388-1188
Big Brake Hat - Short Offset
Rotor Bolt Circle: 8 x 7.00
Hat Offset: 0.730
Wheel Stud Circle(s): 4 Holes  on 4.500      
Type: Big Brake Hat - Short Offset
Mount Type: Fixed Mount
Material: Aluminum
Big Brake Hat - Short Offset

Big Brake Hat - Short Offset Drawing Big Brake Hat - Short Offset Drawing Zoom Image

Big Brake Hat - Short Offset Description

GT Series Big Brake Short Offset hats are precision machined from premium aluminum alloys for high strength and attention to minimized weight. Hats in this category feature threaded rotor mount holes for use with standard through-hole mount rotors. Threaded hole hats may also be used with T-Nuts or bobbins designed for use with specially machined slotted hole dynamic mount rotors. When used in conjunction with matched Wilwood rotor hardware kits, GT hats provide solid, reliable performance in the most demanding conditions. Short Offset Hats are for narrow space applications with offsets often less than 1.00". They are available for most rotor bolt patterns in a variety of four and five lug wheel patterns.
NOTE & CAUTIONS:

Ordering Information for Big Brake Hat - Short Offset
Item No 170-6996
Info Details
Center Reg Dia 2.72
Whl Stud Cir Dia/Stud Dia 4.500 / 0.500 
I.D. Clear(in) 5.90
Shoe I.D.
Face Thick 0.25
Price $216.70
Purchase
Call (805) 388-1188
Big Brake Hat - Short Offset
Rotor Bolt Circle: 8 x 7.00
Hat Offset: 0.750
Wheel Stud Circle(s): 4 Holes  on 3.930      
Type: Big Brake Hat - Short Offset
Mount Type: Fixed Mount
Material: Aluminum
Big Brake Hat - Short Offset

Big Brake Hat - Short Offset Drawing Big Brake Hat - Short Offset Drawing Zoom Image

Big Brake Hat - Short Offset Description

GT Series Big Brake Short Offset hats are precision machined from premium aluminum alloys for high strength and attention to minimized weight. Hats in this category feature threaded rotor mount holes for use with standard through-hole mount rotors. Threaded hole hats may also be used with T-Nuts or bobbins designed for use with specially machined slotted hole dynamic mount rotors. When used in conjunction with matched Wilwood rotor hardware kits, GT hats provide solid, reliable performance in the most demanding conditions. Short Offset Hats are for narrow space applications with offsets often less than 1.00". They are available for most rotor bolt patterns in a variety of four and five lug wheel patterns.
NOTE & CAUTIONS:
3.06 " diameter register with counterbore for register ring.
Ordering Information for Big Brake Hat - Short Offset
Item No 170-10200
Info Details
Center Reg Dia 3.06
Whl Stud Cir Dia/Stud Dia 3.930 / 0.500 
I.D. Clear(in) 5.90
Shoe I.D.
Face Thick 0.32
Price $171.43
Purchase
Call (805) 388-1188
Drag Hat - Shallow Offset
Rotor Bolt Circle: 8 x 7.00
Hat Offset: 0.790
Wheel Stud Circle(s): 5 Holes  on 4.500      
Type: Drag Hat - Shallow Offset
Mount Type: Fixed Mount
Material: Aluminum
Drag Hat - Shallow Offset

Drag Hat - Shallow Offset Drawing Drag Hat - Shallow Offset Drawing Zoom Image

Drag Hat - Shallow Offset Description

GT Series Shallow Offset Drag hats are precision machined from premium aluminum alloys for high strength and attention to minimized weight. Hats in this category feature threaded rotor mount holes for use with standard through-hole mount rotors. Threaded hole hats may also be used with T-Nuts or bobbins designed for use with specially machined slotted hole dynamic mount rotors. When used in conjunction with matched Wilwood rotor hardware kits, GT hats provide solid, reliable performance in the most demanding conditions. Shallow Offset Drag Hats are for narrow space applications with offsets often less than 1.00". They are available for most rotor bolt patterns in a variety of four and five lug wheel patterns.
NOTE & CAUTIONS:

Ordering Information for Drag Hat - Shallow Offset
Item No 170-10040
Info Details
Center Reg Dia 2.80
Whl Stud Cir Dia/Stud Dia 4.500 / 0.580 
I.D. Clear(in) 5.90
Shoe I.D.
Face Thick 0.25
Price $180.96
Purchase
Call (805) 388-1188
Drag Hat - Shallow Offset
Rotor Bolt Circle: 8 x 7.00
Hat Offset: 0.810
Wheel Stud Circle(s): 5 Holes  on 5.500      
Type: Drag Hat - Shallow Offset
Mount Type: Fixed Mount
Material: Aluminum
Drag Hat - Shallow Offset

Drag Hat - Shallow Offset Drawing Drag Hat - Shallow Offset Drawing Zoom Image

Drag Hat - Shallow Offset Description

GT Series Shallow Offset Drag hats are precision machined from premium aluminum alloys for high strength and attention to minimized weight. Hats in this category feature threaded rotor mount holes for use with standard through-hole mount rotors. Threaded hole hats may also be used with T-Nuts or bobbins designed for use with specially machined slotted hole dynamic mount rotors. When used in conjunction with matched Wilwood rotor hardware kits, GT hats provide solid, reliable performance in the most demanding conditions. Shallow Offset Drag Hats are for narrow space applications with offsets often less than 1.00". They are available for most rotor bolt patterns in a variety of four and five lug wheel patterns.
NOTE & CAUTIONS:

Ordering Information for Drag Hat - Shallow Offset
Item No 170-12612
Info Details
Center Reg Dia 3.76
Whl Stud Cir Dia/Stud Dia 5.500 / 0.670 
I.D. Clear(in) 6.16
Shoe I.D.
Face Thick 0.38
Price $216.70
Purchase
Call (805) 388-1188
Big Brake Hat - Short Offset
Rotor Bolt Circle: 8 x 7.00
Hat Offset: 0.830
Wheel Stud Circle(s): 4 Holes  on 3.930      
Type: Big Brake Hat - Short Offset
Mount Type: Fixed Mount
Material: Aluminum
Big Brake Hat - Short Offset

Big Brake Hat - Short Offset Drawing Big Brake Hat - Short Offset Drawing Zoom Image

Big Brake Hat - Short Offset Description

GT Series Big Brake Short Offset hats are precision machined from premium aluminum alloys for high strength and attention to minimized weight. Hats in this category feature threaded rotor mount holes for use with standard through-hole mount rotors. Threaded hole hats may also be used with T-Nuts or bobbins designed for use with specially machined slotted hole dynamic mount rotors. When used in conjunction with matched Wilwood rotor hardware kits, GT hats provide solid, reliable performance in the most demanding conditions. Short Offset Hats are for narrow space applications with offsets often less than 1.00". They are available for most rotor bolt patterns in a variety of four and five lug wheel patterns.
NOTE & CAUTIONS:

Ordering Information for Big Brake Hat - Short Offset
Item No 170-10650
Info Details
Center Reg Dia 2.53
Whl Stud Cir Dia/Stud Dia 3.930 / 0.640 
I.D. Clear(in) 5.90
Shoe I.D.
Face Thick 0.26
Price $171.43
Purchase
Call (805) 388-1188
Big Brake Hat - Short Offset
Rotor Bolt Circle: 8 x 7.00
Hat Offset: 0.880
Wheel Stud Circle(s): 5 Holes  on 4.750      
Type: Big Brake Hat - Short Offset
Mount Type: Fixed Mount
Material: Aluminum
Big Brake Hat - Short Offset

Big Brake Hat - Short Offset Drawing Big Brake Hat - Short Offset Drawing Zoom Image

Big Brake Hat - Short Offset Description

GT Series Big Brake Short Offset hats are precision machined from premium aluminum alloys for high strength and attention to minimized weight. Hats in this category feature threaded rotor mount holes for use with standard through-hole mount rotors. Threaded hole hats may also be used with T-Nuts or bobbins designed for use with specially machined slotted hole dynamic mount rotors. When used in conjunction with matched Wilwood rotor hardware kits, GT hats provide solid, reliable performance in the most demanding conditions. Short Offset Hats are for narrow space applications with offsets often less than 1.00". They are available for most rotor bolt patterns in a variety of four and five lug wheel patterns.
NOTE & CAUTIONS:

Ordering Information for Big Brake Hat - Short Offset
Item No 170-8493
Info Details
Center Reg Dia 2.78
Whl Stud Cir Dia/Stud Dia 4.750 / 0.520 
I.D. Clear(in) 6.00
Shoe I.D.
Face Thick 0.30
Price $171.43
Purchase
Call (805) 388-1188
Big Brake Dynamic Hat - Flared Bell
Rotor Bolt Circle: 8 x 7.00
Hat Offset: 0.900
Wheel Stud Circle(s): 4 Holes  on 3.930      
Type: Big Brake Dynamic Hat - Flared Bell
Mount Type: Dynamic Mount
Material: Aluminum
Big Brake Dynamic Hat - Flared Bell

Big Brake Dynamic Hat - Flared Bell Drawing Big Brake Dynamic Hat - Flared Bell Drawing Zoom Image

Big Brake Dynamic Hat - Flared Bell Description

Big Brake Dynamic Flared Bell hats are precision machined from premium aluminum alloys for high strength and attention to minimized weight. Hats in this category feature dynamic mount t-nut mount holes for use with standard through-hole mount rotors. When used in conjunction with matched Wilwood rotor hardware kits, Big Brake Dynamic hats provide solid, reliable performance in the most demanding conditions. Short Offset Hats are for narrow space applications and maximize clearance. They are available for most rotor bolt patterns in a variety of four and five lug wheel patterns.
NOTE & CAUTIONS:

Ordering Information for Big Brake Dynamic Hat - Flared Bell
Item No 170-14943
Info Details
Center Reg Dia 2.53
Whl Stud Cir Dia/Stud Dia 3.930 / 0.640 
I.D. Clear(in) 6.26
Shoe I.D.
Face Thick 0.28
Price $216.70
Purchase
Call (805) 388-1188
Big Brake Hat - Short Offset
Rotor Bolt Circle: 8 x 7.00
Hat Offset: 0.935
Wheel Stud Circle(s): 5 Holes  on 4.750      
Type: Big Brake Hat - Short Offset
Mount Type: Fixed Mount
Material: Aluminum
Image Coming Soon

Big Brake Hat - Short Offset Drawing Big Brake Hat - Short Offset Drawing

Big Brake Hat - Short Offset Description

GT Series Big Brake Short Offset hats are precision machined from premium aluminum alloys for high strength and attention to minimized weight. Hats in this category feature threaded rotor mount holes for use with standard through-hole mount rotors. Threaded hole hats may also be used with T-Nuts or bobbins designed for use with specially machined slotted hole dynamic mount rotors. When used in conjunction with matched Wilwood rotor hardware kits, GT hats provide solid, reliable performance in the most demanding conditions. Short Offset Hats are for narrow space applications with offsets often less than 1.00". They are available for most rotor bolt patterns in a variety of four and five lug wheel patterns.
NOTE & CAUTIONS:

Ordering Information for Big Brake Hat - Short Offset
Item No 170-16314
Info Details
Center Reg Dia 2.78
Whl Stud Cir Dia/Stud Dia 4.750 / 0.520 
I.D. Clear(in) 6.16
Shoe I.D.
Face Thick 0.25
Price $171.43
Purchase
Call (805) 388-1188
Big Brake Hat - Short Offset
Rotor Bolt Circle: 8 x 7.00
Hat Offset: 0.940
Wheel Stud Circle(s): 5 Holes  on 4.500  ;  4.500   
Type: Big Brake Hat - Short Offset
Mount Type: Fixed Mount
Material: Aluminum
Big Brake Hat - Short Offset

Big Brake Hat - Short Offset Drawing Big Brake Hat - Short Offset Drawing Zoom Image

Big Brake Hat - Short Offset Description

GT Series Big Brake Short Offset hats are precision machined from premium aluminum alloys for high strength and attention to minimized weight. Hats in this category feature threaded rotor mount holes for use with standard through-hole mount rotors. Threaded hole hats may also be used with T-Nuts or bobbins designed for use with specially machined slotted hole dynamic mount rotors. When used in conjunction with matched Wilwood rotor hardware kits, GT hats provide solid, reliable performance in the most demanding conditions. Short Offset Hats are for narrow space applications with offsets often less than 1.00". They are available for most rotor bolt patterns in a variety of four and five lug wheel patterns.
NOTE & CAUTIONS:

Ordering Information for Big Brake Hat - Short Offset
Item No 170-8320
Info Details
Center Reg Dia 2.67
Whl Stud Cir Dia/Stud Dia 4.500 / 0.480 
I.D. Clear(in) 5.90
Shoe I.D.
Face Thick 0.24
Price $171.43
Purchase
Call (805) 388-1188
Big Brake Hat - Short Offset
Rotor Bolt Circle: 8 x 7.00
Hat Offset: 1.010
Wheel Stud Circle(s): 5 Holes  on 4.380      
Type: Big Brake Hat - Short Offset
Mount Type: Fixed Mount
Material: Aluminum
Big Brake Hat - Short Offset

Big Brake Hat - Short Offset Drawing Big Brake Hat - Short Offset Drawing Zoom Image

Big Brake Hat - Short Offset Description

GT Series Big Brake Short Offset hats are precision machined from premium aluminum alloys for high strength and attention to minimized weight. Hats in this category feature threaded rotor mount holes for use with standard through-hole mount rotors. Threaded hole hats may also be used with T-Nuts or bobbins designed for use with specially machined slotted hole dynamic mount rotors. When used in conjunction with matched Wilwood rotor hardware kits, GT hats provide solid, reliable performance in the most demanding conditions. Short Offset Hats are for narrow space applications with offsets often less than 1.00". They are available for most rotor bolt patterns in a variety of four and five lug wheel patterns.
NOTE & CAUTIONS:

Ordering Information for Big Brake Hat - Short Offset
Item No 170-8386
Info Details
Center Reg Dia 3.25
Whl Stud Cir Dia/Stud Dia 4.380 / 0.450 
I.D. Clear(in) 5.88
Shoe I.D.
Face Thick 0.25
Price $171.43
Purchase
Call (805) 388-1188
Big Brake Hat - Short Offset
Rotor Bolt Circle: 8 x 7.00
Hat Offset: 1.050
Wheel Stud Circle(s): 5 Holes  on 4.500      
Type: Big Brake Hat - Short Offset
Mount Type: Fixed Mount
Material: Aluminum
Big Brake Hat - Short Offset

Big Brake Hat - Short Offset Drawing Big Brake Hat - Short Offset Drawing Zoom Image

Big Brake Hat - Short Offset Description

GT Series Big Brake Short Offset hats are precision machined from premium aluminum alloys for high strength and attention to minimized weight. Hats in this category feature threaded rotor mount holes for use with standard through-hole mount rotors. Threaded hole hats may also be used with T-Nuts or bobbins designed for use with specially machined slotted hole dynamic mount rotors. When used in conjunction with matched Wilwood rotor hardware kits, GT hats provide solid, reliable performance in the most demanding conditions. Short Offset Hats are for narrow space applications with offsets often less than 1.00". They are available for most rotor bolt patterns in a variety of four and five lug wheel patterns.
NOTE & CAUTIONS:

Ordering Information for Big Brake Hat - Short Offset
Item No 170-8589
Info Details
Center Reg Dia 2.78
Whl Stud Cir Dia/Stud Dia 4.500 / 0.580 
I.D. Clear(in) 6.02
Shoe I.D.
Face Thick 0.28
Price $180.96
Purchase
Call (805) 388-1188
Big Brake Hat - Short Offset
Rotor Bolt Circle: 8 x 7.00
Hat Offset: 1.100
Wheel Stud Circle(s): 5 Holes  on 3.930  ;  5.500   
Type: Big Brake Hat - Short Offset
Mount Type: Fixed Mount
Material: Aluminum
Big Brake Hat - Short Offset

Big Brake Hat - Short Offset Drawing Big Brake Hat - Short Offset Drawing Zoom Image

Big Brake Hat - Short Offset Description

GT Series Big Brake Short Offset hats are precision machined from premium aluminum alloys for high strength and attention to minimized weight. Hats in this category feature threaded rotor mount holes for use with standard through-hole mount rotors. Threaded hole hats may also be used with T-Nuts or bobbins designed for use with specially machined slotted hole dynamic mount rotors. When used in conjunction with matched Wilwood rotor hardware kits, GT hats provide solid, reliable performance in the most demanding conditions. Short Offset Hats are for narrow space applications with offsets often less than 1.00". They are available for most rotor bolt patterns in a variety of four and five lug wheel patterns.
NOTE & CAUTIONS:

Ordering Information for Big Brake Hat - Short Offset
Item No 170-9206
Info Details
Center Reg Dia 2.29
Whl Stud Cir Dia/Stud Dia 3.930 / 0.520 
I.D. Clear(in) 5.45
Shoe I.D.
Face Thick 0.27
Price $171.43
Purchase
Call (805) 388-1188
Big Brake Hat - Short Offset
Rotor Bolt Circle: 8 x 7.00
Hat Offset: 1.100
Wheel Stud Circle(s): 5 Holes  on 4.720      
Type: Big Brake Hat - Short Offset
Mount Type: Fixed Mount
Material: Aluminum
Big Brake Hat - Short Offset

Big Brake Hat - Short Offset Drawing Big Brake Hat - Short Offset Drawing Zoom Image

Big Brake Hat - Short Offset Description

GT Series Big Brake Short Offset hats are precision machined from premium aluminum alloys for high strength and attention to minimized weight. Hats in this category feature threaded rotor mount holes for use with standard through-hole mount rotors. Threaded hole hats may also be used with T-Nuts or bobbins designed for use with specially machined slotted hole dynamic mount rotors. When used in conjunction with matched Wilwood rotor hardware kits, GT hats provide solid, reliable performance in the most demanding conditions. Short Offset Hats are for narrow space applications with offsets often less than 1.00". They are available for most rotor bolt patterns in a variety of four and five lug wheel patterns.
NOTE & CAUTIONS:

Ordering Information for Big Brake Hat - Short Offset
Item No 170-14648
Info Details
Center Reg Dia 3.42
Whl Stud Cir Dia/Stud Dia 4.720 / 0.550 
I.D. Clear(in) 6.16
Shoe I.D.
Face Thick 0.25
Price $140.95
Purchase
Call (805) 388-1188
Big Brake Hat - Short Offset
Rotor Bolt Circle: 8 x 7.00
Hat Offset: 1.120
Wheel Stud Circle(s): 5 Holes  on 4.720      
Type: Big Brake Hat - Short Offset
Mount Type: Fixed Mount
Material: Aluminum
Image Coming Soon

Big Brake Hat - Short Offset Drawing Big Brake Hat - Short Offset Drawing

Big Brake Hat - Short Offset Description

GT Series Big Brake Short Offset hats are precision machined from premium aluminum alloys for high strength and attention to minimized weight. Hats in this category feature threaded rotor mount holes for use with standard through-hole mount rotors. Threaded hole hats may also be used with T-Nuts or bobbins designed for use with specially machined slotted hole dynamic mount rotors. When used in conjunction with matched Wilwood rotor hardware kits, GT hats provide solid, reliable performance in the most demanding conditions. Short Offset Hats are for narrow space applications with offsets often less than 1.00". They are available for most rotor bolt patterns in a variety of four and five lug wheel patterns.
NOTE & CAUTIONS:

Ordering Information for Big Brake Hat - Short Offset
Item No 170-16333
Info Details
Center Reg Dia 2.65
Whl Stud Cir Dia/Stud Dia 4.720 / 0.625 
I.D. Clear(in) 6.16
Shoe I.D.
Face Thick 0.25
Price $171.43
Purchase
Call (805) 388-1188
Big Brake Hat - Short Offset
Rotor Bolt Circle: 8 x 7.00
Hat Offset: 1.160
Wheel Stud Circle(s): 4 Holes  on 3.930      
Type: Big Brake Hat - Short Offset
Mount Type: Fixed Mount
Material: Aluminum
Big Brake Hat - Short Offset

Big Brake Hat - Short Offset Drawing Big Brake Hat - Short Offset Drawing Zoom Image

Big Brake Hat - Short Offset Description

GT Series Big Brake Short Offset hats are precision machined from premium aluminum alloys for high strength and attention to minimized weight. Hats in this category feature threaded rotor mount holes for use with standard through-hole mount rotors. Threaded hole hats may also be used with T-Nuts or bobbins designed for use with specially machined slotted hole dynamic mount rotors. When used in conjunction with matched Wilwood rotor hardware kits, GT hats provide solid, reliable performance in the most demanding conditions. Short Offset Hats are for narrow space applications with offsets often less than 1.00". They are available for most rotor bolt patterns in a variety of four and five lug wheel patterns.
NOTE & CAUTIONS:

Ordering Information for Big Brake Hat - Short Offset
Item No 170-8405
Info Details
Center Reg Dia 2.53
Whl Stud Cir Dia/Stud Dia 3.930 / 0.500 
I.D. Clear(in) 5.90
Shoe I.D.
Face Thick 0.25
Price $216.70
Purchase
Call (805) 388-1188
Drag Hat - Shallow Offset
Rotor Bolt Circle: 8 x 7.00
Hat Offset: 1.160
Wheel Stud Circle(s): 5 Holes  on 4.500  ;  4.750   
Type: Drag Hat - Shallow Offset
Mount Type: Fixed Mount
Material: Aluminum
Drag Hat - Shallow Offset

Drag Hat - Shallow Offset Drawing Drag Hat - Shallow Offset Drawing Zoom Image

Drag Hat - Shallow Offset Description

GT Series Shallow Offset Drag hats are precision machined from premium aluminum alloys for high strength and attention to minimized weight. Hats in this category feature threaded rotor mount holes for use with standard through-hole mount rotors. Threaded hole hats may also be used with T-Nuts or bobbins designed for use with specially machined slotted hole dynamic mount rotors. When used in conjunction with matched Wilwood rotor hardware kits, GT hats provide solid, reliable performance in the most demanding conditions. Shallow Offset Drag Hats are for narrow space applications with offsets often less than 1.00". They are available for most rotor bolt patterns in a variety of four and five lug wheel patterns.
NOTE & CAUTIONS:
3.06 " diameter register with counterbore for register ring.
Ordering Information for Drag Hat - Shallow Offset
Item No 170-10543
Info Details
Center Reg Dia 3.06
Whl Stud Cir Dia/Stud Dia 4.500 / 0.580 
I.D. Clear(in) 5.90
Shoe I.D.
Face Thick 0.25
Price $180.96
Purchase
Call (805) 388-1188
Drag Hat - Shallow Offset
Rotor Bolt Circle: 8 x 7.00
Hat Offset: 1.160
Wheel Stud Circle(s): 5 Holes  on 4.500      
Type: Drag Hat - Shallow Offset
Mount Type: Fixed Mount
Material: Aluminum
Drag Hat - Shallow Offset

Drag Hat - Shallow Offset Drawing Drag Hat - Shallow Offset Drawing Zoom Image

Drag Hat - Shallow Offset Description

GT Series Shallow Offset Drag hats are precision machined from premium aluminum alloys for high strength and attention to minimized weight. Hats in this category feature threaded rotor mount holes for use with standard through-hole mount rotors. Threaded hole hats may also be used with T-Nuts or bobbins designed for use with specially machined slotted hole dynamic mount rotors. When used in conjunction with matched Wilwood rotor hardware kits, GT hats provide solid, reliable performance in the most demanding conditions. Shallow Offset Drag Hats are for narrow space applications with offsets often less than 1.00". They are available for most rotor bolt patterns in a variety of four and five lug wheel patterns.
NOTE & CAUTIONS:
3.06 " diameter register with counterbore for register ring.
Ordering Information for Drag Hat - Shallow Offset
Item No 170-11802
Info Details
Center Reg Dia 3.06
Whl Stud Cir Dia/Stud Dia 4.500 / 0.500 
I.D. Clear(in) 5.90
Shoe I.D.
Face Thick 0.25
Price $216.70
Purchase
Call (805) 388-1188
Drag Hat - Shallow Offset
Rotor Bolt Circle: 8 x 7.00
Hat Offset: 1.180
Wheel Stud Circle(s): 4 Holes  on 4.250      
Type: Drag Hat - Shallow Offset
Mount Type: Fixed Mount
Material: Aluminum
Drag Hat - Shallow Offset

Drag Hat - Shallow Offset Drawing Drag Hat - Shallow Offset Drawing Zoom Image

Drag Hat - Shallow Offset Description

GT Series Shallow Offset Drag hats are precision machined from premium aluminum alloys for high strength and attention to minimized weight. Hats in this category feature threaded rotor mount holes for use with standard through-hole mount rotors. Threaded hole hats may also be used with T-Nuts or bobbins designed for use with specially machined slotted hole dynamic mount rotors. When used in conjunction with matched Wilwood rotor hardware kits, GT hats provide solid, reliable performance in the most demanding conditions. Shallow Offset Drag Hats are for narrow space applications with offsets often less than 1.00". They are available for most rotor bolt patterns in a variety of four and five lug wheel patterns.
NOTE & CAUTIONS:
3.06 " diameter register with counterbore for register ring.
Ordering Information for Drag Hat - Shallow Offset
Item No 170-11903
Info Details
Center Reg Dia 3.06
Whl Stud Cir Dia/Stud Dia 4.250 / 0.520 
I.D. Clear(in) 5.90
Shoe I.D.
Face Thick 0.25
Price $180.96
Purchase
Call (805) 388-1188
Drag Hat - Standard
Rotor Bolt Circle: 8 x 7.00
Hat Offset: 1.220
Wheel Stud Circle(s): 0 Holes  on       
Type: Drag Hat - Standard
Mount Type: Fixed Mount
Material: Aluminum
Drag Hat - Standard

Drag Hat - Standard Drawing Drag Hat - Standard Drawing Zoom Image

Drag Hat - Standard Description

Wilwood's HD Series Fixed Mount Rotor Hats have a long standing reputation for fit, performance, and durability. HD Series hats are manufactured from premium grade aluminum alloys offering high strength, low weight, and show quality appeal. HD hats have not only been a mainstay in many of Wilwood's racing disc brake conversion kits, but they can cover a range of applications from an OE four lug axle shaft to a Grand-National stock car racing hub. HD hats feature a straight bell construction with a flanged rotor mount ring, Threaded-hole mounts for use with through hole rotors. When used with matching Wilwood rotor hardware, these hats provide solid mounting for a wide range of custom and competition disc brake applications.These features combine to provide maximum radial clearance between the caliper body and the hat. This can be a critical factor when trying to squeeze a large caliper inside a small wheel. Many hats offer multi-lug wheel patterns for added versatility. Some hats can be ordered blank for custom axle building and other unique applications.
NOTE & CAUTIONS:
Rotor Bolt Kit 230-0233D includes a short profile Hex Head Bolt for use with soild rotors, 230-2589 Bolt kit can be used in applications where additional clearance is available between bolt head and mount hardware.
Ordering Information for Drag Hat - Standard
Item No 171-8976
Info Details
Center Reg Dia 2.17
Whl Stud Cir Dia/Stud Dia 0.000 / 0.000 
I.D. Clear(in) 6.40
Shoe I.D.
Face Thick 0.26
Price $171.43
Purchase
Call (805) 388-1188
Drag Hat - Shallow Offset
Rotor Bolt Circle: 8 x 7.00
Hat Offset: 1.230
Wheel Stud Circle(s): 5 Holes  on 4.500      
Type: Drag Hat - Shallow Offset
Mount Type: Fixed Mount
Material: Aluminum
Drag Hat - Shallow Offset

Drag Hat - Shallow Offset Drawing Drag Hat - Shallow Offset Drawing Zoom Image

Drag Hat - Shallow Offset Description

GT Series Shallow Offset Drag hats are precision machined from premium aluminum alloys for high strength and attention to minimized weight. Hats in this category feature threaded rotor mount holes for use with standard through-hole mount rotors. Threaded hole hats may also be used with T-Nuts or bobbins designed for use with specially machined slotted hole dynamic mount rotors. When used in conjunction with matched Wilwood rotor hardware kits, GT hats provide solid, reliable performance in the most demanding conditions. Shallow Offset Drag Hats are for narrow space applications with offsets often less than 1.00". They are available for most rotor bolt patterns in a variety of four and five lug wheel patterns.
NOTE & CAUTIONS:

Ordering Information for Drag Hat - Shallow Offset
Item No 170-10041
Info Details
Center Reg Dia 2.80
Whl Stud Cir Dia/Stud Dia 4.500 / 0.580 
I.D. Clear(in) 5.90
Shoe I.D.
Face Thick 0.25
Price $180.96
Purchase
Call (805) 388-1188
Big Brake Hat - Short Offset
Rotor Bolt Circle: 8 x 7.00
Hat Offset: 1.380
Wheel Stud Circle(s): 5 Holes  on 4.750  ;  5.000   
Type: Big Brake Hat - Short Offset
Mount Type: Fixed Mount
Material: Aluminum
Big Brake Hat - Short Offset

Big Brake Hat - Short Offset Drawing Big Brake Hat - Short Offset Drawing

Big Brake Hat - Short Offset Description

GT Series Big Brake Short Offset hats are precision machined from premium aluminum alloys for high strength and attention to minimized weight. Hats in this category feature threaded rotor mount holes for use with standard through-hole mount rotors. Threaded hole hats may also be used with T-Nuts or bobbins designed for use with specially machined slotted hole dynamic mount rotors. When used in conjunction with matched Wilwood rotor hardware kits, GT hats provide solid, reliable performance in the most demanding conditions. Short Offset Hats are for narrow space applications with offsets often less than 1.00". They are available for most rotor bolt patterns in a variety of four and five lug wheel patterns.
NOTE & CAUTIONS:
3.06 " diameter register with counterbore for register ring.
Ordering Information for Big Brake Hat - Short Offset
Item No 170-16541
Info Details
Center Reg Dia 3.06
Whl Stud Cir Dia/Stud Dia 4.750 / 0.520 
I.D. Clear(in) 6.27
Shoe I.D.
Face Thick 0.25
Price $171.43
Purchase
Call (805) 388-1188
Drag Hat - Standard
Rotor Bolt Circle: 8 x 7.00
Hat Offset: 1.410
Wheel Stud Circle(s): 0 Holes  on       
Type: Drag Hat - Standard
Mount Type: Fixed Mount
Material: Aluminum
Drag Hat - Standard

Drag Hat - Standard Drawing Drag Hat - Standard Drawing Zoom Image

Drag Hat - Standard Description

Wilwood's HD Series Fixed Mount Rotor Hats have a long standing reputation for fit, performance, and durability. HD Series hats are manufactured from premium grade aluminum alloys offering high strength, low weight, and show quality appeal. HD hats have not only been a mainstay in many of Wilwood's racing disc brake conversion kits, but they can cover a range of applications from an OE four lug axle shaft to a Grand-National stock car racing hub. HD hats feature a straight bell construction with a flanged rotor mount ring, Threaded-hole mounts for use with through hole rotors. When used with matching Wilwood rotor hardware, these hats provide solid mounting for a wide range of custom and competition disc brake applications.These features combine to provide maximum radial clearance between the caliper body and the hat. This can be a critical factor when trying to squeeze a large caliper inside a small wheel. Many hats offer multi-lug wheel patterns for added versatility. Some hats can be ordered blank for custom axle building and other unique applications.
NOTE & CAUTIONS:
Rotor Bolt Kit 230-0233D includes a short profile Hex Head Bolt for use with soild rotors, 230-2589 Bolt kit can be used in applications where additional clearance is available between bolt head and mount hardware.
Ordering Information for Drag Hat - Standard
Item No 171-2234
Info Details
Center Reg Dia 2.78
Whl Stud Cir Dia/Stud Dia 0.000 / 0.000 
I.D. Clear(in) 6.14
Shoe I.D.
Face Thick 0.50
Price $137.14
Purchase
Call (805) 388-1188
Drag Hat - Standard
Rotor Bolt Circle: 8 x 7.00
Hat Offset: 1.410
Wheel Stud Circle(s): 5 Holes  on 4.500  ;  4.750  ;  5.000
Type: Drag Hat - Standard
Mount Type: Fixed Mount
Material: Aluminum
Drag Hat - Standard

Drag Hat - Standard Drawing Drag Hat - Standard Drawing Zoom Image

Drag Hat - Standard Description

Wilwood's HD Series Fixed Mount Rotor Hats have a long standing reputation for fit, performance, and durability. HD Series hats are manufactured from premium grade aluminum alloys offering high strength, low weight, and show quality appeal. HD hats have not only been a mainstay in many of Wilwood's racing disc brake conversion kits, but they can cover a range of applications from an OE four lug axle shaft to a Grand-National stock car racing hub. HD hats feature a straight bell construction with a flanged rotor mount ring, Threaded-hole mounts for use with through hole rotors. When used with matching Wilwood rotor hardware, these hats provide solid mounting for a wide range of custom and competition disc brake applications.These features combine to provide maximum radial clearance between the caliper body and the hat. This can be a critical factor when trying to squeeze a large caliper inside a small wheel. Many hats offer multi-lug wheel patterns for added versatility. Some hats can be ordered blank for custom axle building and other unique applications.
NOTE & CAUTIONS:
3.06 " diameter register with counterbore for register ring.
Ordering Information for Drag Hat - Standard
Item No 170-0764
Info Details
Center Reg Dia 3.06
Whl Stud Cir Dia/Stud Dia 4.500 / 0.520 
I.D. Clear(in) 6.14
Shoe I.D.
Face Thick 0.50
Price $119.98
Purchase
Call (805) 388-1188
Big Brake Hat - Short Offset
Rotor Bolt Circle: 8 x 7.00
Hat Offset: 1.422
Wheel Stud Circle(s): 6 Holes  on 5.500      
Type: Big Brake Hat - Short Offset
Mount Type: Fixed Mount
Material: Aluminum
Big Brake Hat - Short Offset

Big Brake Hat - Short Offset Drawing Big Brake Hat - Short Offset Drawing

Big Brake Hat - Short Offset Description

GT Series Big Brake Short Offset hats are precision machined from premium aluminum alloys for high strength and attention to minimized weight. Hats in this category feature threaded rotor mount holes for use with standard through-hole mount rotors. Threaded hole hats may also be used with T-Nuts or bobbins designed for use with specially machined slotted hole dynamic mount rotors. When used in conjunction with matched Wilwood rotor hardware kits, GT hats provide solid, reliable performance in the most demanding conditions. Short Offset Hats are for narrow space applications with offsets often less than 1.00". They are available for most rotor bolt patterns in a variety of four and five lug wheel patterns.
NOTE & CAUTIONS:

Ordering Information for Big Brake Hat - Short Offset
Item No 170-18171
Info Details
Center Reg Dia 4.00
Whl Stud Cir Dia/Stud Dia 5.500 / 0.640 
I.D. Clear(in) 5.90
Shoe I.D.
Face Thick 0.38
Price $89.93
Purchase
Call (805) 388-1188
Big Brake Hat - Short Offset
Rotor Bolt Circle: 8 x 7.00
Hat Offset: 1.430
Wheel Stud Circle(s): 5 Holes  on 4.500  ;  4.750   
Type: Big Brake Hat - Short Offset
Mount Type: Fixed Mount
Material: Aluminum
Big Brake Hat - Short Offset

Big Brake Hat - Short Offset Drawing Big Brake Hat - Short Offset Drawing Zoom Image

Big Brake Hat - Short Offset Description

GT Series Big Brake Short Offset hats are precision machined from premium aluminum alloys for high strength and attention to minimized weight. Hats in this category feature threaded rotor mount holes for use with standard through-hole mount rotors. Threaded hole hats may also be used with T-Nuts or bobbins designed for use with specially machined slotted hole dynamic mount rotors. When used in conjunction with matched Wilwood rotor hardware kits, GT hats provide solid, reliable performance in the most demanding conditions. Short Offset Hats are for narrow space applications with offsets often less than 1.00". They are available for most rotor bolt patterns in a variety of four and five lug wheel patterns.
NOTE & CAUTIONS:
Hat is drilled and countersunk in three places to accommodate hat to hub anchoring screws used with specific Wilwood hat mount hubs. Use 230-7032 (contains 6 qty. 1/4-20 x .50 Flat Head Hex Drive mounting screws)
Ordering Information for Big Brake Hat - Short Offset
Item No 170-7632
Info Details
Center Reg Dia 3.00
Whl Stud Cir Dia/Stud Dia 4.500 / 0.520 
I.D. Clear(in) 6.04
Shoe I.D.
Face Thick 0.25
Price $171.43
Purchase
Call (805) 388-1188
Big Brake Hat - Short Offset
Rotor Bolt Circle: 8 x 7.00
Hat Offset: 1.450
Wheel Stud Circle(s): 5 Holes  on 5.500      
Type: Big Brake Hat - Short Offset
Mount Type: Fixed Mount
Material: Aluminum
Big Brake Hat - Short Offset

Big Brake Hat - Short Offset Drawing Big Brake Hat - Short Offset Drawing Zoom Image

Big Brake Hat - Short Offset Description

GT Series Big Brake Short Offset hats are precision machined from premium aluminum alloys for high strength and attention to minimized weight. Hats in this category feature threaded rotor mount holes for use with standard through-hole mount rotors. Threaded hole hats may also be used with T-Nuts or bobbins designed for use with specially machined slotted hole dynamic mount rotors. When used in conjunction with matched Wilwood rotor hardware kits, GT hats provide solid, reliable performance in the most demanding conditions. Short Offset Hats are for narrow space applications with offsets often less than 1.00". They are available for most rotor bolt patterns in a variety of four and five lug wheel patterns.
NOTE & CAUTIONS:

Ordering Information for Big Brake Hat - Short Offset
Item No 170-13313
Info Details
Center Reg Dia 4.67
Whl Stud Cir Dia/Stud Dia 5.500 / 0.640 
I.D. Clear(in) 5.90
Shoe I.D.
Face Thick 0.30
Price $171.43
Purchase
Call (805) 388-1188
Drag Hat - Shallow Offset
Rotor Bolt Circle: 8 x 7.00
Hat Offset: 1.530
Wheel Stud Circle(s): 5 Holes  on 5.000  ;  4.750   
Type: Drag Hat - Shallow Offset
Mount Type: Fixed Mount
Material: Aluminum
Drag Hat - Shallow Offset

Drag Hat - Shallow Offset Drawing Drag Hat - Shallow Offset Drawing Zoom Image

Drag Hat - Shallow Offset Description

Wilwood's HD Series Fixed Mount Rotor Hats have a long standing reputation for fit, performance, and durability. HD Series hats are manufactured from premium grade aluminum alloys offering high strength, low weight, and show quality appeal. HD hats have not only been a mainstay in many of Wilwood's racing disc brake conversion kits, but they can cover a range of applications from an OE four lug axle shaft to a Grand-National stock car racing hub. HD hats feature a straight bell construction with a flanged rotor mount ring, Threaded-hole mounts for use with through hole rotors. When used with matching Wilwood rotor hardware, these hats provide solid mounting for a wide range of custom and competition disc brake applications.These features combine to provide maximum radial clearance between the caliper body and the hat. This can be a critical factor when trying to squeeze a large caliper inside a small wheel. Many hats offer multi-lug wheel patterns for added versatility. Some hats can be ordered blank for custom axle building and other unique applications.
NOTE & CAUTIONS:
3.06 " diameter register with counterbore for register ring.
Ordering Information for Drag Hat - Shallow Offset
Item No 170-14206
Info Details
Center Reg Dia 3.06
Whl Stud Cir Dia/Stud Dia 5.000 / 0.520 
I.D. Clear(in) 6.22
Shoe I.D.
Face Thick 0.25
Price $140.95
Purchase
Call (805) 388-1188
Drag Hat - Standard
Rotor Bolt Circle: 8 x 7.00
Hat Offset: 1.590
Wheel Stud Circle(s): 5 Holes  on 4.500  ;  4.750  ;  5.000
Type: Drag Hat - Standard
Mount Type: Fixed Mount
Material: Aluminum
Drag Hat - Standard

Drag Hat - Standard Drawing Drag Hat - Standard Drawing Zoom Image

Drag Hat - Standard Description

Wilwood's HD Series Fixed Mount Rotor Hats have a long standing reputation for fit, performance, and durability. HD Series hats are manufactured from premium grade aluminum alloys offering high strength, low weight, and show quality appeal. HD hats have not only been a mainstay in many of Wilwood's racing disc brake conversion kits, but they can cover a range of applications from an OE four lug axle shaft to a Grand-National stock car racing hub. HD hats feature a straight bell construction with a flanged rotor mount ring, Threaded-hole mounts for use with through hole rotors. When used with matching Wilwood rotor hardware, these hats provide solid mounting for a wide range of custom and competition disc brake applications.These features combine to provide maximum radial clearance between the caliper body and the hat. This can be a critical factor when trying to squeeze a large caliper inside a small wheel. Many hats offer multi-lug wheel patterns for added versatility. Some hats can be ordered blank for custom axle building and other unique applications.
NOTE & CAUTIONS:
3.06 " diameter register with counterbore for register ring.
Ordering Information for Drag Hat - Standard
Item No 170-0317
Info Details
Center Reg Dia 3.06
Whl Stud Cir Dia/Stud Dia 4.500 / 0.520 
I.D. Clear(in) 6.14
Shoe I.D.
Face Thick 0.25
Price $119.98
Purchase
Call (805) 388-1188
Drag Hat - Shallow Offset
Rotor Bolt Circle: 8 x 7.00
Hat Offset: 1.590
Wheel Stud Circle(s): 5 Holes  on 4.750      
Type: Drag Hat - Shallow Offset
Mount Type: Fixed Mount
Material: Aluminum
Drag Hat - Shallow Offset

Drag Hat - Shallow Offset Drawing Drag Hat - Shallow Offset Drawing Zoom Image

Drag Hat - Shallow Offset Description

GT Series Shallow Offset Drag hats are precision machined from premium aluminum alloys for high strength and attention to minimized weight. Hats in this category feature threaded rotor mount holes for use with standard through-hole mount rotors. Threaded hole hats may also be used with T-Nuts or bobbins designed for use with specially machined slotted hole dynamic mount rotors. When used in conjunction with matched Wilwood rotor hardware kits, GT hats provide solid, reliable performance in the most demanding conditions. Shallow Offset Drag Hats are for narrow space applications with offsets often less than 1.00". They are available for most rotor bolt patterns in a variety of four and five lug wheel patterns.
NOTE & CAUTIONS:

Ordering Information for Drag Hat - Shallow Offset
Item No 170-10782
Info Details
Center Reg Dia 2.78
Whl Stud Cir Dia/Stud Dia 4.750 / 0.520 
I.D. Clear(in) 6.04
Shoe I.D.
Face Thick 0.25
Price $180.96
Purchase
Call (805) 388-1188
Drag Hat - Standard
Rotor Bolt Circle: 8 x 7.00
Hat Offset: 1.590
Wheel Stud Circle(s): 0 Holes  on       
Type: Drag Hat - Standard
Mount Type: Fixed Mount
Material: Aluminum
Drag Hat - Standard

Drag Hat - Standard Drawing Drag Hat - Standard Drawing Zoom Image

Drag Hat - Standard Description

Wilwood's HD Series Fixed Mount Rotor Hats have a long standing reputation for fit, performance, and durability. HD Series hats are manufactured from premium grade aluminum alloys offering high strength, low weight, and show quality appeal. HD hats have not only been a mainstay in many of Wilwood's racing disc brake conversion kits, but they can cover a range of applications from an OE four lug axle shaft to a Grand-National stock car racing hub. HD hats feature a straight bell construction with a flanged rotor mount ring, Threaded-hole mounts for use with through hole rotors. When used with matching Wilwood rotor hardware, these hats provide solid mounting for a wide range of custom and competition disc brake applications.These features combine to provide maximum radial clearance between the caliper body and the hat. This can be a critical factor when trying to squeeze a large caliper inside a small wheel. Many hats offer multi-lug wheel patterns for added versatility. Some hats can be ordered blank for custom axle building and other unique applications.
NOTE & CAUTIONS:
3.06 " diameter register with counterbore for register ring.
Ordering Information for Drag Hat - Standard
Item No 171-3755
Info Details
Center Reg Dia 3.06
Whl Stud Cir Dia/Stud Dia 0.000 / 0.000 
I.D. Clear(in) 6.14
Shoe I.D.
Face Thick 0.25
Price $137.14
Purchase
Call (805) 388-1188
Drag Hat - Standard
Rotor Bolt Circle: 8 x 7.00
Hat Offset: 1.680
Wheel Stud Circle(s): 5 Holes  on 4.500      
Type: Drag Hat - Standard
Mount Type: Fixed Mount
Material: Aluminum
Drag Hat - Standard

Drag Hat - Standard Drawing Drag Hat - Standard Drawing Zoom Image

Drag Hat - Standard Description

Wilwood's HD Series Fixed Mount Rotor Hats have a long standing reputation for fit, performance, and durability. HD Series hats are manufactured from premium grade aluminum alloys offering high strength, low weight, and show quality appeal. HD hats have not only been a mainstay in many of Wilwood's racing disc brake conversion kits, but they can cover a range of applications from an OE four lug axle shaft to a Grand-National stock car racing hub. HD hats feature a straight bell construction with a flanged rotor mount ring, Threaded-hole mounts for use with through hole rotors. When used with matching Wilwood rotor hardware, these hats provide solid mounting for a wide range of custom and competition disc brake applications.These features combine to provide maximum radial clearance between the caliper body and the hat. This can be a critical factor when trying to squeeze a large caliper inside a small wheel. Many hats offer multi-lug wheel patterns for added versatility. Some hats can be ordered blank for custom axle building and other unique applications.
NOTE & CAUTIONS:
3.06 " diameter register with counterbore for register ring.
Ordering Information for Drag Hat - Standard
Item No 170-12575
Info Details
Center Reg Dia 3.06
Whl Stud Cir Dia/Stud Dia 4.500 / 0.630 
I.D. Clear(in) 6.14
Shoe I.D.
Face Thick 0.45
Price $171.43
Purchase
Call (805) 388-1188
Drag Hat - Standard
Rotor Bolt Circle: 8 x 7.00
Hat Offset: 1.710
Wheel Stud Circle(s): 5 Holes  on 4.500  ;  4.750  ;  5.000
Type: Drag Hat - Standard
Mount Type: Fixed Mount
Material: Aluminum
Drag Hat - Standard

Drag Hat - Standard Drawing Drag Hat - Standard Drawing Zoom Image

Drag Hat - Standard Description

Wilwood's HD Series Fixed Mount Rotor Hats have a long standing reputation for fit, performance, and durability. HD Series hats are manufactured from premium grade aluminum alloys offering high strength, low weight, and show quality appeal. HD hats have not only been a mainstay in many of Wilwood's racing disc brake conversion kits, but they can cover a range of applications from an OE four lug axle shaft to a Grand-National stock car racing hub. HD hats feature a straight bell construction with a flanged rotor mount ring, Threaded-hole mounts for use with through hole rotors. When used with matching Wilwood rotor hardware, these hats provide solid mounting for a wide range of custom and competition disc brake applications.These features combine to provide maximum radial clearance between the caliper body and the hat. This can be a critical factor when trying to squeeze a large caliper inside a small wheel. Many hats offer multi-lug wheel patterns for added versatility. Some hats can be ordered blank for custom axle building and other unique applications.
NOTE & CAUTIONS:
3.06 " diameter register with counterbore for register ring.
Ordering Information for Drag Hat - Standard
Item No 170-0259
Info Details
Center Reg Dia 3.06
Whl Stud Cir Dia/Stud Dia 4.500 / 0.520 
I.D. Clear(in) 6.14
Shoe I.D.
Face Thick 0.25
Price $119.98
Purchase
Call (805) 388-1188
Drag Hat - Standard
Rotor Bolt Circle: 8 x 7.00
Hat Offset: 1.710
Wheel Stud Circle(s): 0 Holes  on       
Type: Drag Hat - Standard
Mount Type: Fixed Mount
Material: Aluminum
Drag Hat - Standard

Drag Hat - Standard Drawing Drag Hat - Standard Drawing Zoom Image

Drag Hat - Standard Description

Wilwood's HD Series Fixed Mount Rotor Hats have a long standing reputation for fit, performance, and durability. HD Series hats are manufactured from premium grade aluminum alloys offering high strength, low weight, and show quality appeal. HD hats have not only been a mainstay in many of Wilwood's racing disc brake conversion kits, but they can cover a range of applications from an OE four lug axle shaft to a Grand-National stock car racing hub. HD hats feature a straight bell construction with a flanged rotor mount ring, Threaded-hole mounts for use with through hole rotors. When used with matching Wilwood rotor hardware, these hats provide solid mounting for a wide range of custom and competition disc brake applications.These features combine to provide maximum radial clearance between the caliper body and the hat. This can be a critical factor when trying to squeeze a large caliper inside a small wheel. Many hats offer multi-lug wheel patterns for added versatility. Some hats can be ordered blank for custom axle building and other unique applications.
NOTE & CAUTIONS:
3.06 " diameter register with counterbore for register ring.
Ordering Information for Drag Hat - Standard
Item No 171-3754
Info Details
Center Reg Dia 3.06
Whl Stud Cir Dia/Stud Dia 0.000 / 0.000 
I.D. Clear(in) 6.14
Shoe I.D.
Face Thick 0.25
Price $137.14
Purchase
Call (805) 388-1188
Drag Hat - Standard
Rotor Bolt Circle: 8 x 7.00
Hat Offset: 1.770
Wheel Stud Circle(s): 5 Holes  on 4.500  ;  4.750  ;  5.000
Type: Drag Hat - Standard
Mount Type: Fixed Mount
Material: Aluminum
Drag Hat - Standard

Drag Hat - Standard Drawing Drag Hat - Standard Drawing Zoom Image

Drag Hat - Standard Description

Wilwood's HD Series Fixed Mount Rotor Hats have a long standing reputation for fit, performance, and durability. HD Series hats are manufactured from premium grade aluminum alloys offering high strength, low weight, and show quality appeal. HD hats have not only been a mainstay in many of Wilwood's racing disc brake conversion kits, but they can cover a range of applications from an OE four lug axle shaft to a Grand-National stock car racing hub. HD hats feature a straight bell construction with a flanged rotor mount ring, Threaded-hole mounts for use with through hole rotors. When used with matching Wilwood rotor hardware, these hats provide solid mounting for a wide range of custom and competition disc brake applications.These features combine to provide maximum radial clearance between the caliper body and the hat. This can be a critical factor when trying to squeeze a large caliper inside a small wheel. Many hats offer multi-lug wheel patterns for added versatility. Some hats can be ordered blank for custom axle building and other unique applications.
NOTE & CAUTIONS:
3.06 " diameter register with counterbore for register ring.
Ordering Information for Drag Hat - Standard
Item No 170-0357
Info Details
Center Reg Dia 3.06
Whl Stud Cir Dia/Stud Dia 4.500 / 0.520 
I.D. Clear(in) 6.14
Shoe I.D.
Face Thick 0.25
Price $125.71
Purchase
Call (805) 388-1188
Drag Hat - Standard
Rotor Bolt Circle: 8 x 7.00
Hat Offset: 1.960
Wheel Stud Circle(s): 5 Holes  on 4.500  ;  4.750  ;  5.000
Type: Drag Hat - Standard
Mount Type: Fixed Mount
Material: Aluminum
Drag Hat - Standard

Drag Hat - Standard Drawing Drag Hat - Standard Drawing Zoom Image

Drag Hat - Standard Description

Wilwood's HD Series Fixed Mount Rotor Hats have a long standing reputation for fit, performance, and durability. HD Series hats are manufactured from premium grade aluminum alloys offering high strength, low weight, and show quality appeal. HD hats have not only been a mainstay in many of Wilwood's racing disc brake conversion kits, but they can cover a range of applications from an OE four lug axle shaft to a Grand-National stock car racing hub. HD hats feature a straight bell construction with a flanged rotor mount ring, Threaded-hole mounts for use with through hole rotors. When used with matching Wilwood rotor hardware, these hats provide solid mounting for a wide range of custom and competition disc brake applications.These features combine to provide maximum radial clearance between the caliper body and the hat. This can be a critical factor when trying to squeeze a large caliper inside a small wheel. Many hats offer multi-lug wheel patterns for added versatility. Some hats can be ordered blank for custom axle building and other unique applications.
NOTE & CAUTIONS:
3.06 " diameter register with counterbore for register ring.
Ordering Information for Drag Hat - Standard
Item No 170-0208
Info Details
Center Reg Dia 3.06
Whl Stud Cir Dia/Stud Dia 4.500 / 0.520 
I.D. Clear(in) 6.14
Shoe I.D.
Face Thick 0.25
Price $119.98
Purchase
Call (805) 388-1188
Drag Hat - Standard
Rotor Bolt Circle: 8 x 7.00
Hat Offset: 1.960
Wheel Stud Circle(s): 5 Holes  on 4.750      
Type: Drag Hat - Standard
Mount Type: Fixed Mount
Material: Aluminum
Drag Hat - Standard

Drag Hat - Standard Drawing Drag Hat - Standard Drawing Zoom Image

Drag Hat - Standard Description

Wilwood's HD Series Fixed Mount Rotor Hats have a long standing reputation for fit, performance, and durability. HD Series hats are manufactured from premium grade aluminum alloys offering high strength, low weight, and show quality appeal. HD hats have not only been a mainstay in many of Wilwood's racing disc brake conversion kits, but they can cover a range of applications from an OE four lug axle shaft to a Grand-National stock car racing hub. HD hats feature a straight bell construction with a flanged rotor mount ring, Threaded-hole mounts for use with through hole rotors. When used with matching Wilwood rotor hardware, these hats provide solid mounting for a wide range of custom and competition disc brake applications.These features combine to provide maximum radial clearance between the caliper body and the hat. This can be a critical factor when trying to squeeze a large caliper inside a small wheel. Many hats offer multi-lug wheel patterns for added versatility. Some hats can be ordered blank for custom axle building and other unique applications.
NOTE & CAUTIONS:

Ordering Information for Drag Hat - Standard
Item No 170-12529
Info Details
Center Reg Dia 2.78
Whl Stud Cir Dia/Stud Dia 4.750 / 0.500 
I.D. Clear(in) 6.14
Shoe I.D.
Face Thick 0.25
Price $119.98
Purchase
Call (805) 388-1188
Drag Hat - Standard
Rotor Bolt Circle: 8 x 7.00
Hat Offset: 1.960
Wheel Stud Circle(s): 0 Holes  on       
Type: Drag Hat - Standard
Mount Type: Fixed Mount
Material: Aluminum
Drag Hat - Standard

Drag Hat - Standard Drawing Drag Hat - Standard Drawing Zoom Image

Drag Hat - Standard Description

Wilwood's HD Series Fixed Mount Rotor Hats have a long standing reputation for fit, performance, and durability. HD Series hats are manufactured from premium grade aluminum alloys offering high strength, low weight, and show quality appeal. HD hats have not only been a mainstay in many of Wilwood's racing disc brake conversion kits, but they can cover a range of applications from an OE four lug axle shaft to a Grand-National stock car racing hub. HD hats feature a straight bell construction with a flanged rotor mount ring, Threaded-hole mounts for use with through hole rotors. When used with matching Wilwood rotor hardware, these hats provide solid mounting for a wide range of custom and competition disc brake applications.These features combine to provide maximum radial clearance between the caliper body and the hat. This can be a critical factor when trying to squeeze a large caliper inside a small wheel. Many hats offer multi-lug wheel patterns for added versatility. Some hats can be ordered blank for custom axle building and other unique applications.
NOTE & CAUTIONS:
3.06 " diameter register with counterbore for register ring.
Ordering Information for Drag Hat - Standard
Item No 171-3753
Info Details
Center Reg Dia 3.06
Whl Stud Cir Dia/Stud Dia 0.000 / 0.000 
I.D. Clear(in) 6.14
Shoe I.D.
Face Thick 0.25
Price $137.14
Purchase
Call (805) 388-1188
Drag Hat - Standard
Rotor Bolt Circle: 8 x 7.00
Hat Offset: 1.960
Wheel Stud Circle(s): 5 Holes  on 4.750  ;  5.000   
Type: Drag Hat - Standard
Mount Type: Fixed Mount
Material: Aluminum
Drag Hat - Standard

Drag Hat - Standard Drawing Drag Hat - Standard Drawing Zoom Image

Drag Hat - Standard Description

Wilwood's HD Series Fixed Mount Rotor Hats have a long standing reputation for fit, performance, and durability. HD Series hats are manufactured from premium grade aluminum alloys offering high strength, low weight, and show quality appeal. HD hats have not only been a mainstay in many of Wilwood's racing disc brake conversion kits, but they can cover a range of applications from an OE four lug axle shaft to a Grand-National stock car racing hub. HD hats feature a straight bell construction with a flanged rotor mount ring, Threaded-hole mounts for use with through hole rotors. When used with matching Wilwood rotor hardware, these hats provide solid mounting for a wide range of custom and competition disc brake applications.These features combine to provide maximum radial clearance between the caliper body and the hat. This can be a critical factor when trying to squeeze a large caliper inside a small wheel. Many hats offer multi-lug wheel patterns for added versatility. Some hats can be ordered blank for custom axle building and other unique applications.
NOTE & CAUTIONS:
Rotor Bolt Kit 230-0233D includes a short profile Hex Head Bolt for use with soild rotors, 230-2589 Bolt kit can be used in applications where additional clearance is available between bolt head and mount hardware.
Ordering Information for Drag Hat - Standard
Item No 170-5244
Info Details
Center Reg Dia 3.06
Whl Stud Cir Dia/Stud Dia 4.750 / 0.700 
I.D. Clear(in) 6.14
Shoe I.D.
Face Thick 0.25
Price $125.71
Purchase
Call (805) 388-1188
Big Brake Hat - Straight Bell
Rotor Bolt Circle: 8 x 7.00
Hat Offset: 2.120
Wheel Stud Circle(s): 4 Holes  on 4.250      
Type: Big Brake Hat - Straight Bell
Mount Type: Fixed Mount
Material: Aluminum
Big Brake Hat - Straight Bell

Big Brake Hat - Straight Bell Drawing Big Brake Hat - Straight Bell Drawing Zoom Image

Big Brake Hat - Straight Bell Description

GT Series hats are precision machined from premium aluminum alloys for high strength and attention to minimized weight. Hats in this category feature threaded rotor mount holes for use with standard through-hole mount rotors. Threaded hole hats may also be used with T-Nuts or bobbins designed for use with specially machined slotted hole dynamic mount rotors. When used in conjunction with matched Wilwood rotor hardware kits, GT hats provide solid, reliable performance in the most demanding conditions. Straight Bell Hats are most often used with 11.75" to 13.00" diameter rotors with 6.75" or 7.00" rotor mount bolt circle rotors on stock car front hubs and rear axles.
NOTE & CAUTIONS:
3.06 " diameter register with counterbore for register ring.
Ordering Information for Big Brake Hat - Straight Bell
Item No 170-11734
Info Details
Center Reg Dia 3.06
Whl Stud Cir Dia/Stud Dia 4.250 / 0.450 
I.D. Clear(in) 6.55
Shoe I.D.
Face Thick 0.25
Price $246.79
Purchase
Call (805) 388-1188
Big Brake Hat - Straight Bell
Rotor Bolt Circle: 8 x 7.00
Hat Offset: 2.140
Wheel Stud Circle(s): 5 Holes  on 4.500  ;  4.750   
Type: Big Brake Hat - Straight Bell
Mount Type: Fixed Mount
Material: Aluminum
Big Brake Hat - Straight Bell

Big Brake Hat - Straight Bell Drawing Big Brake Hat - Straight Bell Drawing

Big Brake Hat - Straight Bell Description

GT Series hats are precision machined from premium aluminum alloys for high strength and attention to minimized weight. Hats in this category feature threaded rotor mount holes for use with standard through-hole mount rotors. Threaded hole hats may also be used with T-Nuts or bobbins designed for use with specially machined slotted hole dynamic mount rotors. When used in conjunction with matched Wilwood rotor hardware kits, GT hats provide solid, reliable performance in the most demanding conditions. Straight Bell Hats are most often used with 11.75" to 13.00" diameter rotors with 6.75" or 7.00" rotor mount bolt circle rotors on stock car front hubs and rear axles.
NOTE & CAUTIONS:

Ordering Information for Big Brake Hat - Straight Bell
Item No 170-17730
Info Details
Center Reg Dia 3.06
Whl Stud Cir Dia/Stud Dia 4.500 / 0.520 
I.D. Clear(in) 6.41
Shoe I.D.
Face Thick
Price $208.05
Purchase
Call (805) 388-1188
Pro-Street Hat - Standard
Rotor Bolt Circle: 8 x 7.62
Hat Offset: 1.250
Wheel Stud Circle(s): 5 Holes  on 4.500      
Type: Pro-Street Hat - Standard
Mount Type: Fixed Mount
Material: Aluminum
Pro-Street Hat - Standard

Pro-Street Hat - Standard Drawing Pro-Street Hat - Standard Drawing Zoom Image

Pro-Street Hat - Standard Description

Wilwood's Pro Street Series Fixed Mount Rotor Hats have a long standing reputation for fit, performance, and durability. HD Series hats are manufactured from premium grade aluminum alloys offering high strength, low weight, and show quality appeal. HD hats have not only been a mainstay in many of Wilwood's racing disc brake conversion kits, but they can cover a range of applications from an OE four lug axle shaft to a Grand-National stock car racing hub. Pro Street hats feature a straight bell construction with a flanged rotor mount ring, with through holes for use with threaded-hole, 8 x 7.62 mount rotors. These features combine to provide maximum radial clearance between the caliper body and the hat. This can be a critical factor when trying to squeeze a large caliper inside a small wheel. Many hats offer multi-lug wheel patterns for added versatility. Some hats can be ordered blank for custom axle building and other unique applications.
NOTE & CAUTIONS:
3.06 " diameter register with counterbore for register ring.
Ordering Information for Pro-Street Hat - Standard
Item No 170-3265
Info Details
Center Reg Dia 3.06
Whl Stud Cir Dia/Stud Dia 4.500 / 0.520 
I.D. Clear(in) 6.57
Shoe I.D.
Face Thick 0.25
Price $159.09
Purchase
Call (805) 388-1188
Pro-Street Hat - Standard
Rotor Bolt Circle: 8 x 7.62
Hat Offset: 1.380
Wheel Stud Circle(s): 5 Holes  on 4.500      
Type: Pro-Street Hat - Standard
Mount Type: Fixed Mount
Material: Aluminum
Pro-Street Hat - Standard

Pro-Street Hat - Standard Drawing Pro-Street Hat - Standard Drawing Zoom Image

Pro-Street Hat - Standard Description

Wilwood's Pro Street Series Fixed Mount Rotor Hats have a long standing reputation for fit, performance, and durability. HD Series hats are manufactured from premium grade aluminum alloys offering high strength, low weight, and show quality appeal. HD hats have not only been a mainstay in many of Wilwood's racing disc brake conversion kits, but they can cover a range of applications from an OE four lug axle shaft to a Grand-National stock car racing hub. Pro Street hats feature a straight bell construction with a flanged rotor mount ring, with through holes for use with threaded-hole, 8 x 7.62 mount rotors. These features combine to provide maximum radial clearance between the caliper body and the hat. This can be a critical factor when trying to squeeze a large caliper inside a small wheel. Many hats offer multi-lug wheel patterns for added versatility. Some hats can be ordered blank for custom axle building and other unique applications.
NOTE & CAUTIONS:

Ordering Information for Pro-Street Hat - Standard
Item No 170-0635
Info Details
Center Reg Dia 3.23
Whl Stud Cir Dia/Stud Dia 4.500 / 0.670 
I.D. Clear(in) 6.27
Shoe I.D.
Face Thick 0.25
Price $171.43
Purchase
Call (805) 388-1188
Pro-Street Hat - Standard
Rotor Bolt Circle: 8 x 7.62
Hat Offset: 2.000
Wheel Stud Circle(s): 5 Holes  on 4.500  ;  4.750  ;  5.000
Type: Pro-Street Hat - Standard
Mount Type: Fixed Mount
Material: Aluminum
Pro-Street Hat - Standard

Pro-Street Hat - Standard Drawing Pro-Street Hat - Standard Drawing Zoom Image

Pro-Street Hat - Standard Description

Wilwood's Pro Street Series Fixed Mount Rotor Hats have a long standing reputation for fit, performance, and durability. HD Series hats are manufactured from premium grade aluminum alloys offering high strength, low weight, and show quality appeal. HD hats have not only been a mainstay in many of Wilwood's racing disc brake conversion kits, but they can cover a range of applications from an OE four lug axle shaft to a Grand-National stock car racing hub. Pro Street hats feature a straight bell construction with a flanged rotor mount ring, with through holes for use with threaded-hole, 8 x 7.62 mount rotors. These features combine to provide maximum radial clearance between the caliper body and the hat. This can be a critical factor when trying to squeeze a large caliper inside a small wheel. Many hats offer multi-lug wheel patterns for added versatility. Some hats can be ordered blank for custom axle building and other unique applications.
NOTE & CAUTIONS:
3.06 " diameter register with counterbore for register ring.
Ordering Information for Pro-Street Hat - Standard
Item No 170-1827
Info Details
Center Reg Dia 3.06
Whl Stud Cir Dia/Stud Dia 4.500 / 0.520 
I.D. Clear(in) 6.50
Shoe I.D.
Face Thick 0.25
Price $125.50
Purchase
Call (805) 388-1188
Pro-Street Hat - Standard
Rotor Bolt Circle: 8 x 7.62
Hat Offset: 2.000
Wheel Stud Circle(s): 0 Holes  on       
Type: Pro-Street Hat - Standard
Mount Type: Fixed Mount
Material: Aluminum
Pro-Street Hat - Standard

Pro-Street Hat - Standard Drawing Pro-Street Hat - Standard Drawing Zoom Image

Pro-Street Hat - Standard Description

Wilwood's Pro Street Series Fixed Mount Rotor Hats have a long standing reputation for fit, performance, and durability. HD Series hats are manufactured from premium grade aluminum alloys offering high strength, low weight, and show quality appeal. HD hats have not only been a mainstay in many of Wilwood's racing disc brake conversion kits, but they can cover a range of applications from an OE four lug axle shaft to a Grand-National stock car racing hub. Pro Street hats feature a straight bell construction with a flanged rotor mount ring, with through holes for use with threaded-hole, 8 x 7.62 mount rotors. These features combine to provide maximum radial clearance between the caliper body and the hat. This can be a critical factor when trying to squeeze a large caliper inside a small wheel. Many hats offer multi-lug wheel patterns for added versatility. Some hats can be ordered blank for custom axle building and other unique applications.
NOTE & CAUTIONS:

Ordering Information for Pro-Street Hat - Standard
Item No 171-2233
Info Details
Center Reg Dia 2.78
Whl Stud Cir Dia/Stud Dia 0.000 / 0.000 
I.D. Clear(in) 6.50
Shoe I.D.
Face Thick 0.25
Price $137.14
Purchase
Call (805) 388-1188
Parking Brake Hat - Standard
Rotor Bolt Circle: 8 x 7.78
Hat Offset: 1.640
Wheel Stud Circle(s): 5 Holes  on 3.930      
Type: Parking Brake Hat - Standard
Mount Type: Fixed Mount
Material: Iron
Parking Brake Hat - Standard

Parking Brake Hat - Standard Drawing Parking Brake Hat - Standard Drawing Zoom Image

Parking Brake Hat - Standard Description

These premium grade cast iron hats make it possible to use bolt-on rotors on vehicles equipped with internal shoe parking brake assemblies. Each hat is a precision machined, threaded hole design for use in conjunction with through-hole mount rotors. After machining, the hats are electro-coated for corrosion resistance.
NOTE & CAUTIONS:

Ordering Information for Parking Brake Hat - Standard
Item No 170-10108
Info Details
Center Reg Dia 2.29
Whl Stud Cir Dia/Stud Dia 3.930 / 0.510 
I.D. Clear(in) 5.76
Shoe I.D. 6.69
Face Thick 0.26
Price $285.78
Purchase
Call (805) 388-1188
Parking Brake Hat - Standard
Rotor Bolt Circle: 8 x 7.78
Hat Offset: 2.080
Wheel Stud Circle(s): 5 Holes  on 4.720      
Type: Parking Brake Hat - Standard
Mount Type: Fixed Mount
Material: Iron
Parking Brake Hat - Standard

Parking Brake Hat - Standard Drawing Parking Brake Hat - Standard Drawing Zoom Image

Parking Brake Hat - Standard Description

These premium grade cast iron hats make it possible to use bolt-on rotors on vehicles equipped with internal shoe parking brake assemblies. Each hat is a precision machined, threaded hole design for use in conjunction with through-hole mount rotors. After machining, the hats are electro-coated for corrosion resistance.
NOTE & CAUTIONS:

Ordering Information for Parking Brake Hat - Standard
Item No 170-10961
Info Details
Center Reg Dia 3.42
Whl Stud Cir Dia/Stud Dia 4.720 / 0.550 
I.D. Clear(in) 5.87
Shoe I.D. 6.31
Face Thick 0.25
Price $246.79
Purchase
Call (805) 388-1188
Big Brake Dynamic Lug Drive - Short Offset
Rotor Bolt Circle: 8Lug-7.18
Hat Offset: 0.760
Wheel Stud Circle(s): 4 Holes  on 3.930      
Type: Big Brake Dynamic Lug Drive - Short Offset
Mount Type: Dynamic Lug Mount
Material: Aluminum
Big Brake Dynamic Lug Drive - Short Offset

Big Brake Dynamic Lug Drive - Short Offset Drawing Big Brake Dynamic Lug Drive - Short Offset Drawing Zoom Image

Big Brake Dynamic Lug Drive - Short Offset Description

Wilwood's new Big Brake Dynamic Lug Drive hats incorporate a new rotor mounting system that eliminates the rotor bolts and allows the rotors to move independently of the hats as they expand and contract through heat cycles. All thermally generated stress is removed from the rotor attachment points. The rotors stay flatter and run truer. Brake response and pedal feel remain consistent. Pad knock back and rotor drag are eliminated. The hats are no longer distorted by stresses generated by thermal expansion and shrinkage of the rotors. All problems associated with thermal distortion, including bolt hole alignment issues when trying to re-install new rotors on a previously used hat, are eliminated.
NOTE & CAUTIONS:
300-12561 Dynamic Lug Mount Clip & Snap Ring kit are required for rotor mounting.
Ordering Information for Big Brake Dynamic Lug Drive - Short Offset
Item No 170-17941
Info Details
Center Reg Dia 3.06
Whl Stud Cir Dia/Stud Dia 3.930 /  
I.D. Clear(in)
Shoe I.D.
Face Thick
Price $262.89
Purchase
Call (805) 388-1188
Dynamic Drag Hat - Lug Drive
Rotor Bolt Circle: 8Lug-7.18
Hat Offset: 1.410
Wheel Stud Circle(s): 5 Holes  on 4.500  ;  4.750  ;  5.000
Type: Dynamic Drag Hat - Lug Drive
Mount Type: Dynamic Lug Mount
Material: Aluminum
Dynamic Drag Hat - Lug Drive

Dynamic Drag Hat - Lug Drive Drawing Dynamic Drag Hat - Lug Drive Drawing

Dynamic Drag Hat - Lug Drive Description

Wilwood's new Lug Drive Dynamic hats incorporate a new rotor mounting system that eliminates the rotor bolts and allows the rotors to move independently of the hats as they expand and contract through heat cycles. All thermally generated stress is removed from the rotor attachment points. The rotors stay flatter and run truer. Brake response and pedal feel remain consistent. Pad knock back and rotor drag are eliminated. The hats are no longer distorted by stresses generated by thermal expansion and shrinkage of the rotors. All problems associated with thermal distortion, including bolt hole alignment issues when trying to re-install new rotors on a previously used hat, are eliminated.
NOTE & CAUTIONS:
300-12561 Dynamic Lug Mount Clip & Snap Ring kit are required for rotor mounting.
Ordering Information for Dynamic Drag Hat - Lug Drive
Item No 170-17860
Info Details
Center Reg Dia 3.06
Whl Stud Cir Dia/Stud Dia 4.500 / 0.520 
I.D. Clear(in) 6.08
Shoe I.D.
Face Thick 0.25
Price $263.92
Purchase
Call (805) 388-1188
Dynamic Drag Hat - Lug Drive
Rotor Bolt Circle: 8Lug-7.18
Hat Offset: 1.410
Wheel Stud Circle(s): 5 Holes  on 4.500  ;  4.750  ;  5.000
Type: Dynamic Drag Hat - Lug Drive
Mount Type: Dynamic Lug Mount
Material: Aluminum
Dynamic Drag Hat - Lug Drive

Dynamic Drag Hat - Lug Drive Drawing Dynamic Drag Hat - Lug Drive Drawing Zoom Image

Dynamic Drag Hat - Lug Drive Description

Wilwood's new Lug Drive Dynamic hats incorporate a new rotor mounting system that eliminates the rotor bolts and allows the rotors to move independently of the hats as they expand and contract through heat cycles. All thermally generated stress is removed from the rotor attachment points. The rotors stay flatter and run truer. Brake response and pedal feel remain consistent. Pad knock back and rotor drag are eliminated. The hats are no longer distorted by stresses generated by thermal expansion and shrinkage of the rotors. All problems associated with thermal distortion, including bolt hole alignment issues when trying to re-install new rotors on a previously used hat, are eliminated.
NOTE & CAUTIONS:
300-12561 Dynamic Lug Mount Clip & Snap Ring kit are required for rotor mounting.
Ordering Information for Dynamic Drag Hat - Lug Drive
Item No 170-12430
Info Details
Center Reg Dia 3.06
Whl Stud Cir Dia/Stud Dia 4.500 / 0.520 
I.D. Clear(in) 6.20
Shoe I.D.
Face Thick 0.25
Price $208.05
Purchase
Call (805) 388-1188
Dynamic Drag Hat - Lug Drive
Rotor Bolt Circle: 8Lug-7.18
Hat Offset: 1.590
Wheel Stud Circle(s): 5 Holes  on 4.500  ;  4.750  ;  5.000
Type: Dynamic Drag Hat - Lug Drive
Mount Type: Dynamic Lug Mount
Material: Aluminum
Dynamic Drag Hat - Lug Drive

Dynamic Drag Hat - Lug Drive Drawing Dynamic Drag Hat - Lug Drive Drawing Zoom Image

Dynamic Drag Hat - Lug Drive Description

Wilwood's new Lug Drive Dynamic hats incorporate a new rotor mounting system that eliminates the rotor bolts and allows the rotors to move independently of the hats as they expand and contract through heat cycles. All thermally generated stress is removed from the rotor attachment points. The rotors stay flatter and run truer. Brake response and pedal feel remain consistent. Pad knock back and rotor drag are eliminated. The hats are no longer distorted by stresses generated by thermal expansion and shrinkage of the rotors. All problems associated with thermal distortion, including bolt hole alignment issues when trying to re-install new rotors on a previously used hat, are eliminated.
NOTE & CAUTIONS:
300-12561 Dynamic Lug Mount Clip & Snap Ring kit are required for rotor mounting.
Ordering Information for Dynamic Drag Hat - Lug Drive
Item No 170-12426
Info Details
Center Reg Dia 3.06
Whl Stud Cir Dia/Stud Dia 4.500 / 0.520 
I.D. Clear(in) 6.20
Shoe I.D.
Face Thick 0.25
Price $208.05
Purchase
Call (805) 388-1188
Dynamic Drag Hat - Lug Drive
Rotor Bolt Circle: 8Lug-7.18
Hat Offset: 1.630
Wheel Stud Circle(s): 5 Holes  on 4.500  ;  4.750  ;  5.000
Type: Dynamic Drag Hat - Lug Drive
Mount Type: Dynamic Lug Mount
Material: Aluminum
Dynamic Drag Hat - Lug Drive

Dynamic Drag Hat - Lug Drive Drawing Dynamic Drag Hat - Lug Drive Drawing

Dynamic Drag Hat - Lug Drive Description

Wilwood's new Lug Drive Dynamic hats incorporate a new rotor mounting system that eliminates the rotor bolts and allows the rotors to move independently of the hats as they expand and contract through heat cycles. All thermally generated stress is removed from the rotor attachment points. The rotors stay flatter and run truer. Brake response and pedal feel remain consistent. Pad knock back and rotor drag are eliminated. The hats are no longer distorted by stresses generated by thermal expansion and shrinkage of the rotors. All problems associated with thermal distortion, including bolt hole alignment issues when trying to re-install new rotors on a previously used hat, are eliminated.
NOTE & CAUTIONS:
300-12561 Dynamic Lug Mount Clip & Snap Ring kit are required for rotor mounting.
Ordering Information for Dynamic Drag Hat - Lug Drive
Item No 170-17861
Info Details
Center Reg Dia 3.06
Whl Stud Cir Dia/Stud Dia 4.500 / 0.520 
I.D. Clear(in) 6.08
Shoe I.D.
Face Thick 0.25
Price $263.92
Purchase
Call (805) 388-1188
Dynamic Drag Hat - Lug Drive
Rotor Bolt Circle: 8Lug-7.18
Hat Offset: 1.640
Wheel Stud Circle(s): 5 Holes  on 4.500  ;  4.750  ;  5.000
Type: Dynamic Drag Hat - Lug Drive
Mount Type: Dynamic Lug Mount
Material: Aluminum
Dynamic Drag Hat - Lug Drive

Dynamic Drag Hat - Lug Drive Drawing Dynamic Drag Hat - Lug Drive Drawing Zoom Image

Dynamic Drag Hat - Lug Drive Description

Wilwood's new Lug Drive Dynamic hats incorporate a new rotor mounting system that eliminates the rotor bolts and allows the rotors to move independently of the hats as they expand and contract through heat cycles. All thermally generated stress is removed from the rotor attachment points. The rotors stay flatter and run truer. Brake response and pedal feel remain consistent. Pad knock back and rotor drag are eliminated. The hats are no longer distorted by stresses generated by thermal expansion and shrinkage of the rotors. All problems associated with thermal distortion, including bolt hole alignment issues when trying to re-install new rotors on a previously used hat, are eliminated.
NOTE & CAUTIONS:
300-12561 Dynamic Lug Mount Clip & Snap Ring kit are required for rotor mounting.
Ordering Information for Dynamic Drag Hat - Lug Drive
Item No 170-12544
Info Details
Center Reg Dia 3.06
Whl Stud Cir Dia/Stud Dia 4.500 / 0.520 
I.D. Clear(in) 6.20
Shoe I.D.
Face Thick 0.25
Price $208.05
Purchase
Call (805) 388-1188
Dynamic Drag Hat - Lug Drive
Rotor Bolt Circle: 8Lug-7.18
Hat Offset: 1.960
Wheel Stud Circle(s): 5 Holes  on 4.500  ;  4.750  ;  5.000
Type: Dynamic Drag Hat - Lug Drive
Mount Type: Dynamic Lug Mount
Material: Aluminum
Dynamic Drag Hat - Lug Drive

Dynamic Drag Hat - Lug Drive Drawing Dynamic Drag Hat - Lug Drive Drawing Zoom Image

Dynamic Drag Hat - Lug Drive Description

Wilwood's new Lug Drive Dynamic hats incorporate a new rotor mounting system that eliminates the rotor bolts and allows the rotors to move independently of the hats as they expand and contract through heat cycles. All thermally generated stress is removed from the rotor attachment points. The rotors stay flatter and run truer. Brake response and pedal feel remain consistent. Pad knock back and rotor drag are eliminated. The hats are no longer distorted by stresses generated by thermal expansion and shrinkage of the rotors. All problems associated with thermal distortion, including bolt hole alignment issues when trying to re-install new rotors on a previously used hat, are eliminated.
NOTE & CAUTIONS:
300-12561 Dynamic Lug Mount Clip & Snap Ring kit are required for rotor mounting.
Ordering Information for Dynamic Drag Hat - Lug Drive
Item No 170-12429
Info Details
Center Reg Dia 3.06
Whl Stud Cir Dia/Stud Dia 4.500 / 0.520 
I.D. Clear(in) 6.20
Shoe I.D.
Face Thick 0.25
Price $208.05
Purchase
Call (805) 388-1188
Dynamic Drag Hat - Lug Drive
Rotor Bolt Circle: 8Lug-7.18
Hat Offset: 1.960
Wheel Stud Circle(s): 5 Holes  on 4.750  ;  5.000   
Type: Dynamic Drag Hat - Lug Drive
Mount Type: Dynamic Lug Mount
Material: Aluminum
Dynamic Drag Hat - Lug Drive

Dynamic Drag Hat - Lug Drive Drawing Dynamic Drag Hat - Lug Drive Drawing Zoom Image

Dynamic Drag Hat - Lug Drive Description

Wilwood's new Lug Drive Dynamic hats incorporate a new rotor mounting system that eliminates the rotor bolts and allows the rotors to move independently of the hats as they expand and contract through heat cycles. All thermally generated stress is removed from the rotor attachment points. The rotors stay flatter and run truer. Brake response and pedal feel remain consistent. Pad knock back and rotor drag are eliminated. The hats are no longer distorted by stresses generated by thermal expansion and shrinkage of the rotors. All problems associated with thermal distortion, including bolt hole alignment issues when trying to re-install new rotors on a previously used hat, are eliminated.
NOTE & CAUTIONS:
300-12561 Dynamic Lug Mount Clip & Snap Ring kit are required for rotor mounting.
Ordering Information for Dynamic Drag Hat - Lug Drive
Item No 170-12431
Info Details
Center Reg Dia 3.06
Whl Stud Cir Dia/Stud Dia 4.750 / 0.700 
I.D. Clear(in) 6.20
Shoe I.D.
Face Thick 0.25
Price $208.05
Purchase
Call (805) 388-1188
Dynamic Drag Hat - Lug Drive
Rotor Bolt Circle: 8Lug-7.18
Hat Offset: 1.960
Wheel Stud Circle(s): 5 Holes  on 4.500  ;  4.750  ;  5.000
Type: Dynamic Drag Hat - Lug Drive
Mount Type: Dynamic Lug Mount
Material: Aluminum
Dynamic Drag Hat - Lug Drive

Dynamic Drag Hat - Lug Drive Drawing Dynamic Drag Hat - Lug Drive Drawing

Dynamic Drag Hat - Lug Drive Description

Wilwood's new Lug Drive Dynamic hats incorporate a new rotor mounting system that eliminates the rotor bolts and allows the rotors to move independently of the hats as they expand and contract through heat cycles. All thermally generated stress is removed from the rotor attachment points. The rotors stay flatter and run truer. Brake response and pedal feel remain consistent. Pad knock back and rotor drag are eliminated. The hats are no longer distorted by stresses generated by thermal expansion and shrinkage of the rotors. All problems associated with thermal distortion, including bolt hole alignment issues when trying to re-install new rotors on a previously used hat, are eliminated.
NOTE & CAUTIONS:
300-12561 Dynamic Lug Mount Clip & Snap Ring kit are required for rotor mounting.
Ordering Information for Dynamic Drag Hat - Lug Drive
Item No 170-17862
Info Details
Center Reg Dia 3.06
Whl Stud Cir Dia/Stud Dia 4.500 / 0.520 
I.D. Clear(in) 6.08
Shoe I.D.
Face Thick 0.25
Price $263.92
Purchase
Call (805) 388-1188
Dynamic Drag Hat - Lug Drive
Rotor Bolt Circle: 8Lug-7.18
Hat Offset: 1.960
Wheel Stud Circle(s): 5 Holes  on 4.750  ;  5.000   
Type: Dynamic Drag Hat - Lug Drive
Mount Type: Dynamic Lug Mount
Material: Aluminum
Dynamic Drag Hat - Lug Drive

Dynamic Drag Hat - Lug Drive Drawing Dynamic Drag Hat - Lug Drive Drawing

Dynamic Drag Hat - Lug Drive Description

Wilwood's new Lug Drive Dynamic hats incorporate a new rotor mounting system that eliminates the rotor bolts and allows the rotors to move independently of the hats as they expand and contract through heat cycles. All thermally generated stress is removed from the rotor attachment points. The rotors stay flatter and run truer. Brake response and pedal feel remain consistent. Pad knock back and rotor drag are eliminated. The hats are no longer distorted by stresses generated by thermal expansion and shrinkage of the rotors. All problems associated with thermal distortion, including bolt hole alignment issues when trying to re-install new rotors on a previously used hat, are eliminated.
NOTE & CAUTIONS:
300-12561 Dynamic Lug Mount Clip & Snap Ring kit are required for rotor mounting.
Ordering Information for Dynamic Drag Hat - Lug Drive
Item No 170-17863
Info Details
Center Reg Dia 3.06
Whl Stud Cir Dia/Stud Dia 4.750 / 0.700 
I.D. Clear(in) 6.08
Shoe I.D.
Face Thick 0.25
Price $280.42
Purchase
Call (805) 388-1188

All images shown are for illustrative purposes only. Actual product received may be different than what is portrayed on the web site.
Wilwood makes every effort to maintain our web site to ensure the accuracy of prices and product information. However, product information and prices are subject to change without notice. Please call (805) 388-1188 before ordering to verify current prices and product information.
Copyright © 1977 - 2026 Wilwood Engineering, Inc. - All Rights Reserved

​ ​